小度生活
首页
美食营养
手工爱好
生活家居
返回
小度生活
首页
美食营养
游戏数码
手工爱好
生活家居
健康养生
运动户外
职场理财
情感交际
母婴教育
时尚美容
知识问答
生活知识
搜索
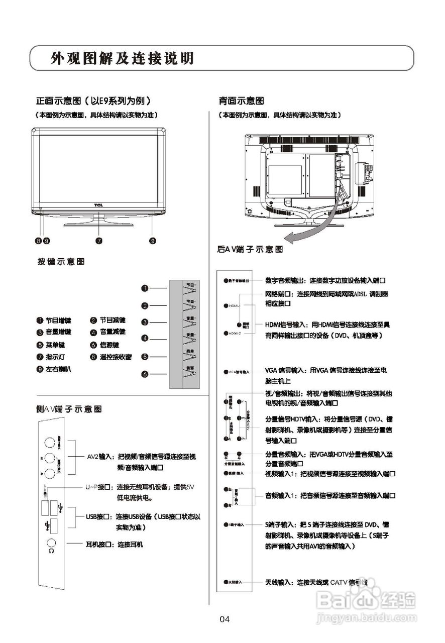
TCL王牌L46E9FE液晶彩电使用说明书:[1]
2025-10-23 09:29:35
(共篇)
下一篇:
声明:
本网站引用、摘录或转载内容仅供网站访问者交流或参考,不代表本站立场,如存在版权或非法内容,请联系站长删除,联系邮箱:site.kefu@qq.com。
相关推荐
TCL王牌L52E9FBE液晶彩电使用说明书
阅读量:160
TCL王牌L22E72液晶彩电使用说明书:[2]
阅读量:47
TCL王牌L46M61B液晶彩电使用说明书:[1]
阅读量:80
TCL王牌L46X9FRM液晶彩电使用说明书
阅读量:22
TCL王牌L40E09(液晶彩电使用说明书:[1]
阅读量:112
猜你喜欢
map什么意思
冲猴煞北是什么意思
夏天喝什么茶最好
8月14号是什么情人节
坑距是什么意思
什么伴我成长
cmb是什么意思
e3 1230 v2配什么主板
朝三暮四是什么生肖
涅盘重生是什么意思
猜你喜欢
维纳斯是什么神
5月2日是什么星座
三个龙念什么
十九大什么时候召开
across是什么意思
圆的面积公式是什么
amy是什么意思
冲猴煞北是什么意思
leaf是什么意思
什么叫融资