小度生活
首页
美食营养
手工爱好
生活家居
返回
小度生活
首页
美食营养
游戏数码
手工爱好
生活家居
健康养生
运动户外
职场理财
情感交际
母婴教育
时尚美容
知识问答
生活知识
生活百科
搜索
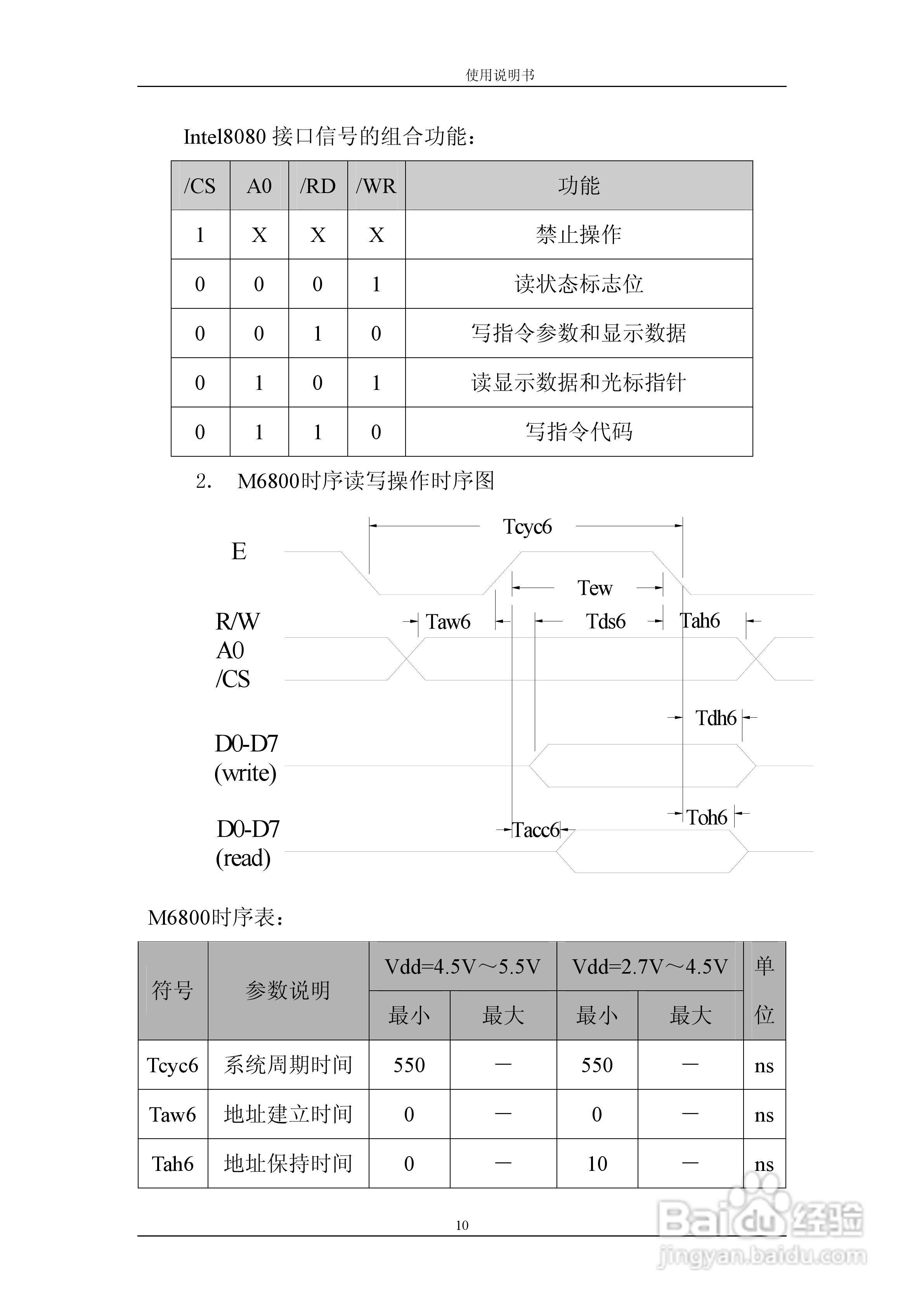
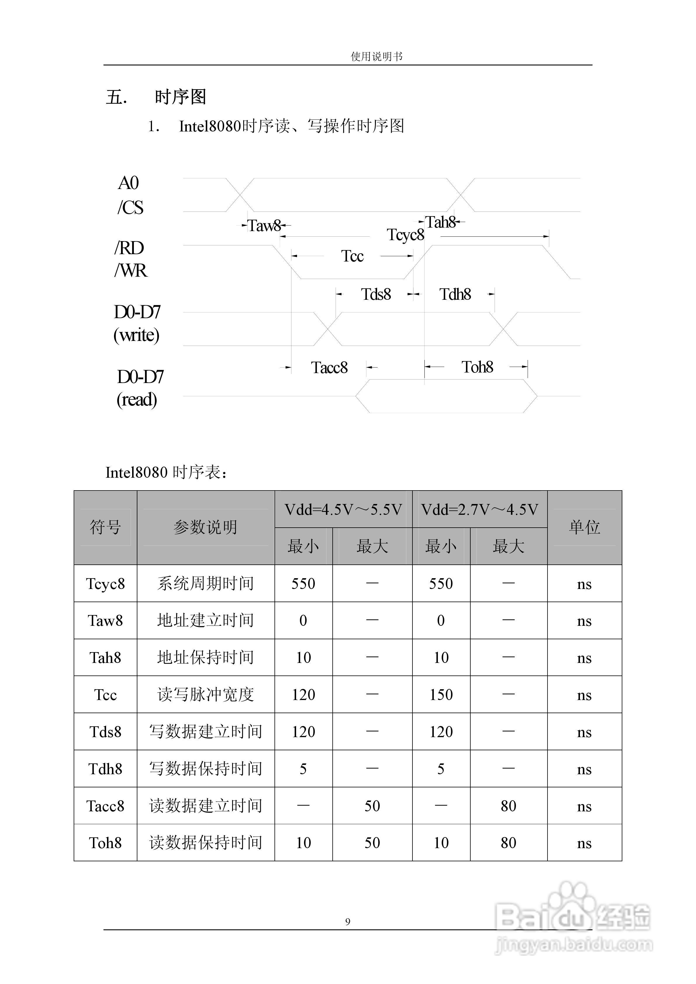
GJ320240A图形点阵液晶模块使用说明书:[1]
2026-05-27 07:39:03
本篇为《GJ320240A图形点阵液晶模块使用说明书》,主要介绍该产品的使用方法以及常见故障解决方案。
(共篇)
下一篇:
声明:
本网站引用、摘录或转载内容仅供网站访问者交流或参考,不代表本站立场,如存在版权或非法内容,请联系站长删除,联系邮箱:site.kefu@qq.com。
相关推荐
HS320240D图形点阵液晶模块使用说明书:[1]
阅读量:139
HS320240D图形点阵液晶模块使用说明书:[2]
阅读量:60
JD320240DZK中文图形点阵液晶显示模块使用说明书:[1]
阅读量:119
JD12864A-3图形点阵液晶显示模块说明书:[1]
阅读量:86
图形点阵液晶显示模块CM320240-1BLWB使用手册:[2]
阅读量:31
猜你喜欢
现在去哪旅游最合适
怎么扫描文件到电脑
石英表怎么调日期
附睾头囊肿怎么治疗
哈尔滨商业大学怎么样
电脑声音小怎么办
重庆旅游攻略三日游
湖北武汉旅游景点
孕妇可以喝菊花茶吗
牙缝怎么补
猜你喜欢
北京旅游局
朗动怎么样
微信电脑版怎么登录
怎么盗别人qq密码
入党介绍人意见怎么写
五台山旅游攻略
酷狗怎么下载歌词
附近景区
山东青岛旅游景点
我的天用英语怎么说