小度生活
首页
美食营养
手工爱好
生活家居
返回
小度生活
首页
美食营养
游戏数码
手工爱好
生活家居
健康养生
运动户外
职场理财
情感交际
母婴教育
时尚美容
知识问答
生活知识
搜索
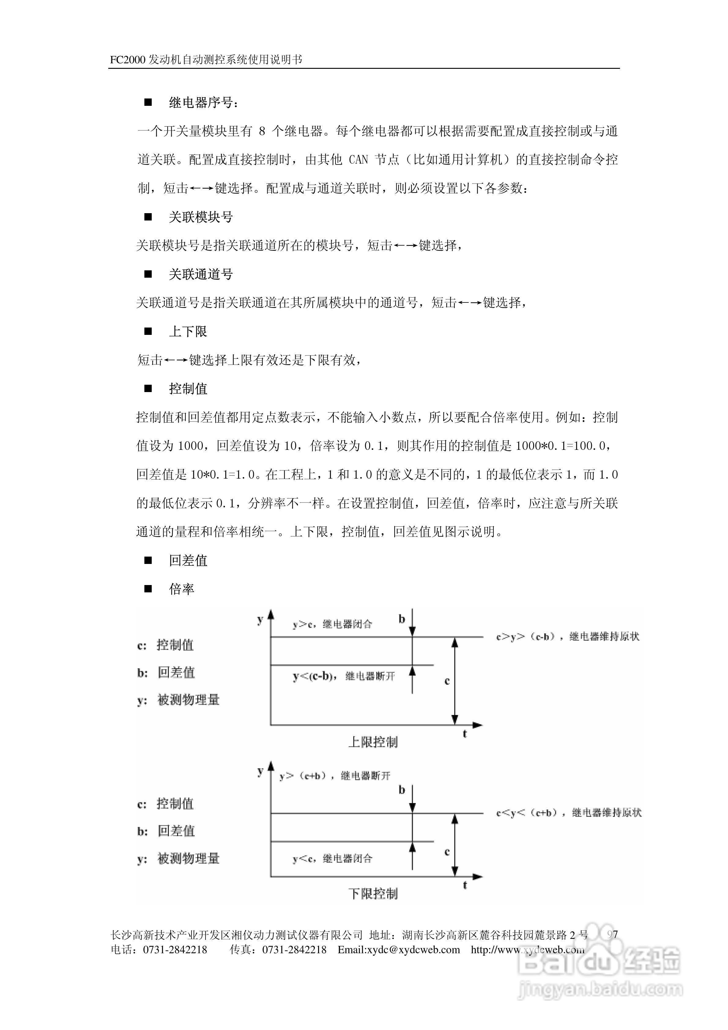
FC2000发动机自动测控系统使用说明书:[11]
2025-10-23 08:14:22
本篇为《FC2000发动机自动测控系统使用说明书》,主要介绍该产品的使用方法以及常见故障解决方案。
(共篇)
上一篇:
|
下一篇:
声明:
本网站引用、摘录或转载内容仅供网站访问者交流或参考,不代表本站立场,如存在版权或非法内容,请联系站长删除,联系邮箱:site.kefu@qq.com。
相关推荐
FC2000发动机自动测控系统使用说明书:[9]
阅读量:141
FC2000发动机自动测控系统使用说明书:[8]
阅读量:107
发动机气门间隙怎样调整
阅读量:98
发动机故障灯亮怎么解决
阅读量:149
发动机故障灯亮怎么办
阅读量:193
猜你喜欢
舌头上有白色的舌苔是怎么回事
100米怎么跑
萝卜干怎么做好吃
鼎好家常菜
怎么去掉双下巴
炒鸡蛋怎么做好吃
锻炼身体的方法
便秘的原因和治疗方法
西兰花的做法大全家常
肉丝面怎么做好吃
猜你喜欢
以危险方法危害公共安全罪
治疗头痛的最快方法
众人帮怎么赚钱快
魔兽世界怎么下载
新硬盘怎么装系统
怎么做好ppt
王者荣耀名字大全
上汤娃娃菜的家常做法
有什么好吃的家常菜
快速祛痘方法