各种继电器的试验方法
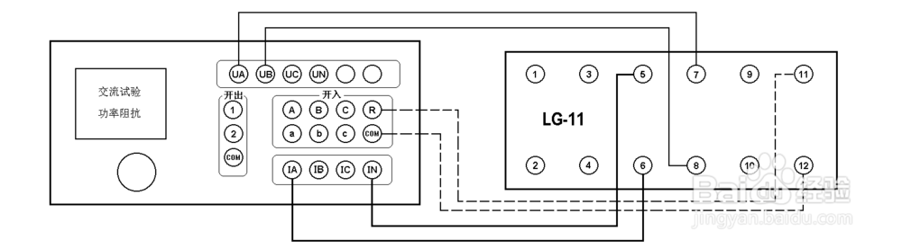
1、在交流试验中,Ua(或Uab)/Ia设定为某一初值,设置步长,按“▲”、“▼”键或旋动旋钮(亦可用自动试验方式)加减电压/电流,测量电压/电流/反时限电流继电器的动作值和返回值及动作时间和返回时间,计算返回系数。下图为LL-12A过电流继电器的接线图。

2、直流电压/电流继电器校验
在直流试验中,Ua(或Uab)/Ia设定为某一初值,设置步长,按“▲”、“▼”键或旋动旋钮(亦可用自动试验方式)加减电压/电流,测量电压/电流继电器的动作值和返回值及动作时间和返回时间,计算返回系数。
3、时间继电器校验
用手动试验方式,按直流或交流电压继电器的试验方法测出动作值、返回值和动作时间、返回时间。
1;、“▼”键或旋动旋钮(亦可用自动试验方式)加减电压/电流,测量电压/电流继电器的动作值和返回值及动作时间和返回时间,计算返回系数。

4、功率继电器校验
(1) 功率方向继电器动作区和灵敏角的测量
在功率、阻抗试验中,设定Uab、Ia为额定值,设置Uab相角步长,加减电压相位角(可用自动试验方式),测出动作区两边边界角φ1、φ2,则灵敏角φLM=½(φ1+φ2)。
(2) 最小动作功率的测量
将角度设置在灵敏角φLM,设定Ia(或Uab)为额定值、Uab(或Ia)为零。
5、(3) 潜动试验
电流回路开路,设置Uab初值为零、步长为额定电压,突然加上或切除电压,继电器触点不应有瞬间接通现象。
电压回路经20欧电阻短路,设置Ia 初值为零、步长为数倍额定电流,突然加上或切除电流,继电器触点不应有瞬间接通现象。
gin-bottom:0.5000gd;text-indent:21px;mso-char-indent-count:1.5000;" >(2) 最小动作功率的测量
将角度设置在灵敏角φLM,设定Ia(或Uab)为额定值、Uab(或Ia)为零。
6、(4) 记忆作用检验
在灵敏角下设置Ia 为0.5倍和数倍额定电流时,Uab由100V突降至零,继电器应可靠动作,说明记忆作用良好。
1、(1) 阻抗继电器灵敏角和整定阻抗的测量
在功率、阻抗试验中,设定Ia为5A(或1A),Uab为0.7倍整定阻抗对应的电压,加减电压相位角(可用自动试验方式),测出动作区两边的边界角φ1、φ2,则灵敏角φLM=½(φ1+φ2)。
将相角设为φLM,从高至低改变电压至继电器动作,得出动作电压UDZ,根据ZSET=UDZ/I,计算整定阻抗ZSET。
2、2) 精工电流曲线的测量
固定电压与电流之间的角度为φLM,逐次改变电流Iab,在每一电流时加减电压Uab(可用自动方式),测出动作值,作出精工电流曲线 Z=f(I) 。
3、(3) “鸟啄”现象
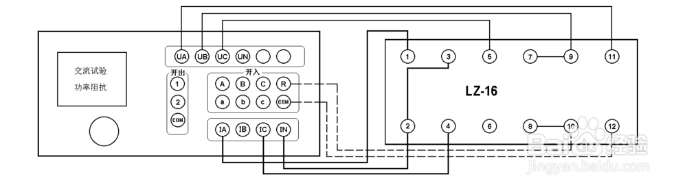
电流回路开路,设置Uab初值和步长均为额定电压,电压由额定突降至零,继电器触点不应有闭合现象。接线如下图所示:
�可用自动方式),测出动作值,作出精工电流曲线 Z=f(I) 。

1、(1)两线圈极性关系检查
在交流试验中,设定Ua、Uc输出额定电压接入两线圈,继电器不动作,但断开任一线圈继电器即动作,说明2、6为同极性端子,否则2、4为同极性端子。
(2)动作角度的测量
调节好极性端子,设定Ua、Uc为额定电压,改变两电压之间的角度,测出动作值和返回值。
(3)动作、返回电压的测量
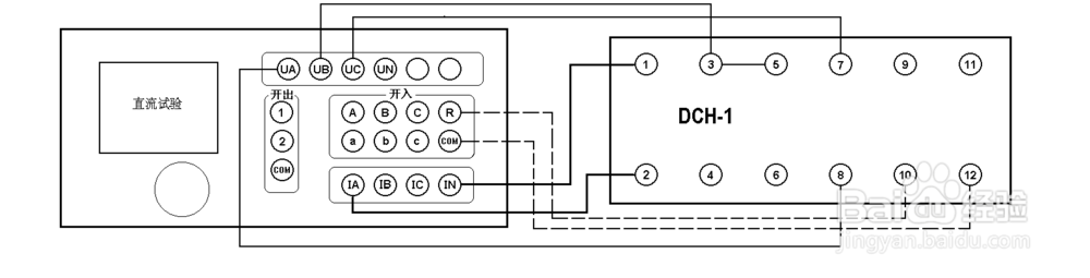
设定一个线圈电压为零,另一线圈电压由零逐步增加(可用自动试验方式)测出动作电压,再逐步减小电压,测出返回电压。交换线圈再做同样试验。接线如下图所示:

2、低周继电器校验
在高低周试验中,设定电压、电流为额定值,设置频率初值、手动变频步长值,逐步减小频率,测出低周动作频率值和动作时间,再逐步增加频率,测出返回频率值和返回时间。
将变频方式改为自动变频,设置自动变频步长Df/Dt 值为整定值,减小频率,继电器应不动作,连续数次试验均应可靠不动作。
so-spacerun:'yes';font-family:宋体;mso-ascii-font-family:Arial;mso-hansi-font-family:Arial;mso-bidi-font-family:Arial;font-size:14px;mso-font-kerning:0;" >调节好极性端子,设定Ua、Uc为额定电压,改变两电压之间的角度,测出动作值和返回值。
(3)动作、返回电压的测量
设定一个线圈电压为零,另一线圈电压由零逐步增加(可用自动试验方式)测出动作电压,再逐步减小电压,测出返回电压。交换线圈再做同样试验。接线如下图所示:
1、(1)方法一:(适用于PC机软件操作)
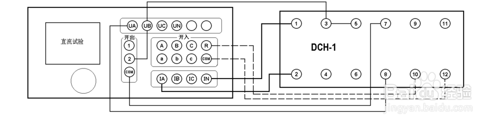
在直流试验中,用手动试验方式,设置 Ia 为中间继电器保持电流,Uab为 220V(Ua为+110V,Ub为-110V)作电容充电电压,Uc为+110V。按下“确认”,“开始”输出220V 电压。
等待15-25秒重合闸电容充电充满、信号灯亮后,将Uc电压值改为-110V(在输出状态中,鼠标点击Uc数值框,直接输入-110,按回车键),即在第 7 端施加启动电压以启动重合闸,重合闸启动后,等待重合闸时间到,接点动作,即可测出动作时间。
注意:若重合闸能充电但不能动作,请检查保持电流是否有输出。在充电期间,电流输出回路是断开的,所以测试仪的电流输出开路指示灯亮。当重合闸动作时,测试仪的电流输出开路指示灯应熄灭。

2、(2)方法二:(适用于继电保护测试仪型单机操作)
在直流试验中,用手动试验方式,设置 IA 为中间继电器保持电流,UAB为 220V(UA为+110V,UB为-110V)作电容充电电压,关闭所有的变化标志。按下“确认”,“开始”输出220V 电压。等待15-25秒重合闸电容充电充满、信号灯亮后,按下测试仪面板上的“▲”或“▼”,或旋转一下测试仪器的旋钮。此时,开出2闭合,UB通过开出2给7号端子加上-110V电压,从而启动重合闸。待重合闸时间到,接点动作,即可测出动作时间。
ce="宋体" >端施加启动电压以启动重合闸,重合闸启动后,等待重合闸时间到,接点动作,即可测出动作时间。
注意:若重合闸能充电但不能动作,请检查保持电流是否有输出。在充电期间,电流输出回路是断开的,所以测试仪的电流输出开路指示灯亮。当重合闸动作时,测试仪的电流输出开路指示灯应熄灭。

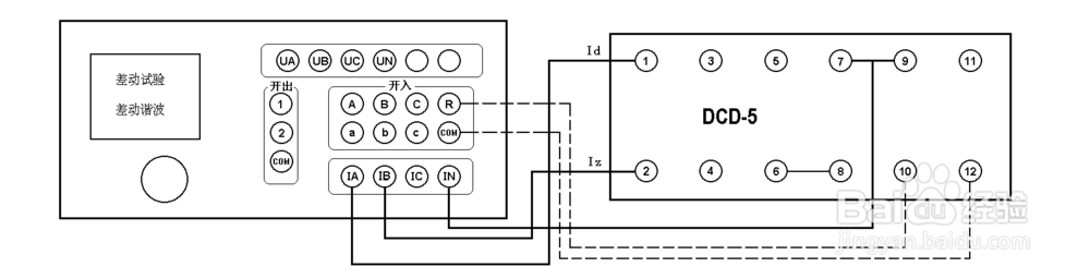
3、差动继电器校验
(1)直流助磁特性的测量
在差动试验中,制动电流 Izd 设定为直流电流,逐次改变 Izd 值,在每一助磁电流时加减动作电流 Idz(可用自动试验方式),测出动作电流IDZ,绘制制动特性曲线。
(2)比率制动特性的测量
制动电流 Izd 设定为基波电流,逐次改变 Izd 值,在每一制动电流时加减动作电流 Idz,测出动作电流IDZ,绘制制动特性曲线。
注意:若重合闸能充电但不能动作,请检查保持电流是否有输出。在充电期间,电流输出回路是断开的,所以测试仪的电流输出开路指示灯亮。当重合闸动作时,测试仪的电流输出开路指示灯应熄灭。


4、(3)二次谐波制动特性的测量
制动电流Izd 设定为二次谐波电流,逐次改变 Izd 值,在每一制动电流时加减动作电流 Idz,测出动作电流IDZ,绘制二次谐波制动特性曲线。
(4)高次谐波制动特性的测量
在差动谐波试验中,制动电流 Izd 设定为各次谐波叠加电流,逐次改变 Izd 的某次谐波值,测出动作电流IDZ。
1、(1) 精度调整
如果装置使用时间较长后需要定期对装置精度进行调整,可按下述步骤进行:
— 将装置平放于桌面上,打开上盖板,可看到固定于机箱中央约575px×350px的主板,主板中央有(继电保护测试仪:7只)电位器平行排列,各电位器分别标有(继电保护测试仪):UA、UB、UC、UX、IA、IB、IC。上述电位器用于调整幅值。
— 电压调整:在交流试验中,设定各相电压均输出60V,分别接至一个0.2级电压表上。调整各自的电位器,使其输出准确为60V。(UX选择与UA相同幅值)
— 电流调整:在交流试验中,设定各相电流均输出基波5A,分别接至一个0.2级电流表上。调整各自的电位器,使其输出准确为5A。
2、(2) 障处理
装置使用过程中如出现某些异常情况,请按下述步骤进行处理:
— 如果电压输出不正常,如幅值太低,或甚至输出接近为零,请检查机箱底板电源插口上方的两个保险管(2 A)是否断开。
— 如果开机无任何反应,风扇不转,电源指示灯和显示屏均不亮,请检查底板电源插座内藏的保险管(10A)是否断开。
— 如果单机运行出现某些数据不正常或试验过程中软件出错,可以关机后,按着按钮再开机直至主界面启动完成再松开,此过程将复位清除全部内存数据,机器会恢复正常运行。
— 如果确属装置内部故障,请速于我公司联系,我公司将尽快予以解决。
e="宋体" >电流调整:在交流试验中,设定各相电流均输出基波5A,分别接至一个0.2级电流表上。调整各自的电位器,使其输出准确为5A。
3、(3) 服务承诺
本装置一年内免费保修,长期维护,提供备品备件,软件终生免费升级。