小度生活
首页
美食营养
手工爱好
生活家居
返回
小度生活
首页
美食营养
游戏数码
手工爱好
生活家居
健康养生
运动户外
职场理财
情感交际
母婴教育
时尚美容
知识问答
生活知识
搜索
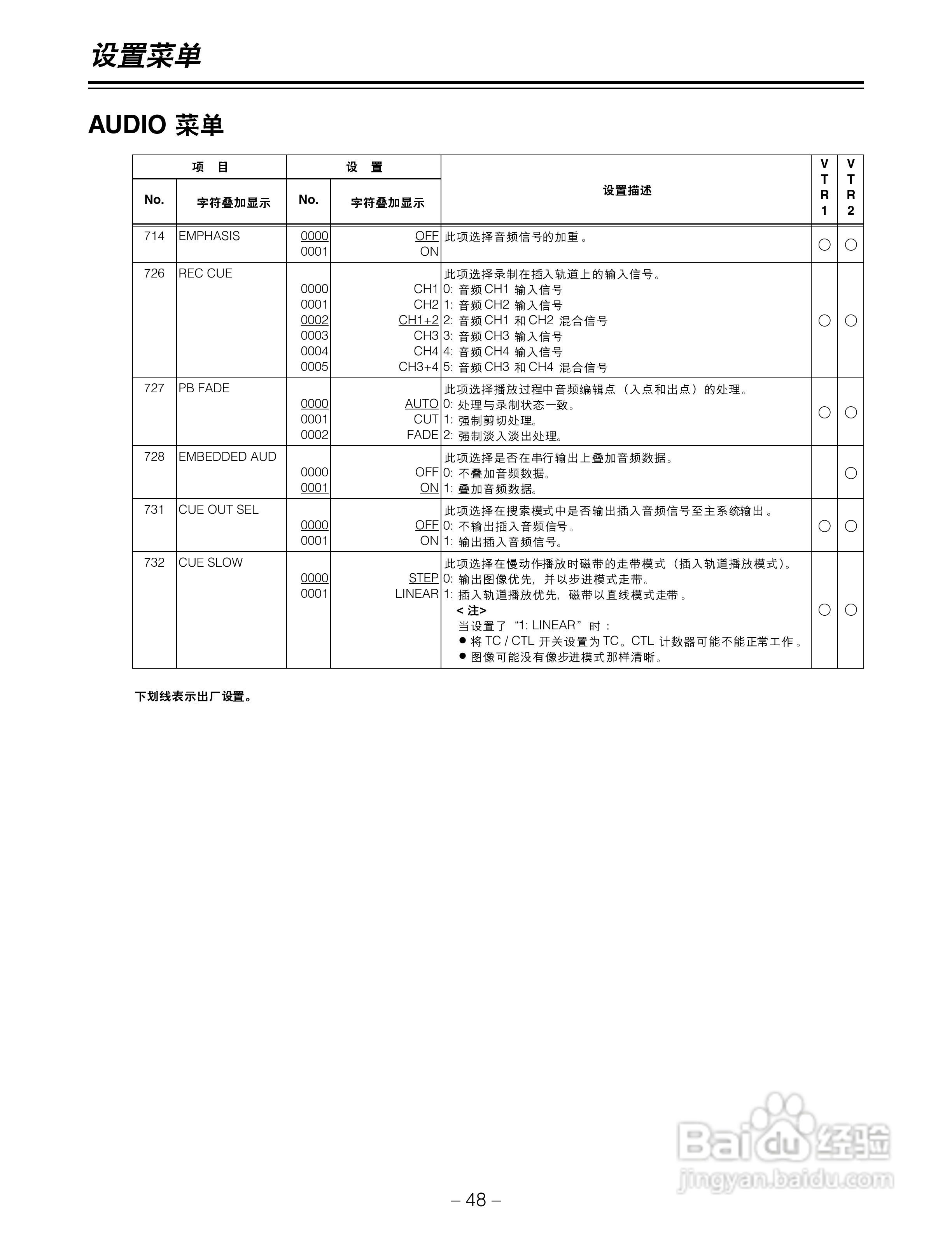
松下AJ-LT95MC数码摄像机说明书:[5]
2026-01-26 22:10:25
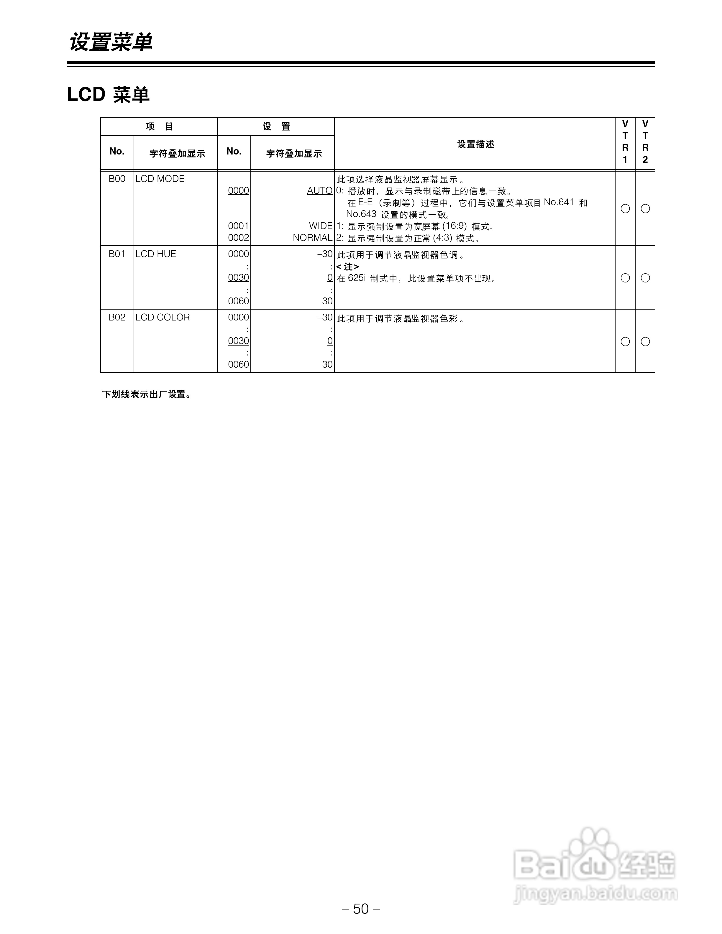
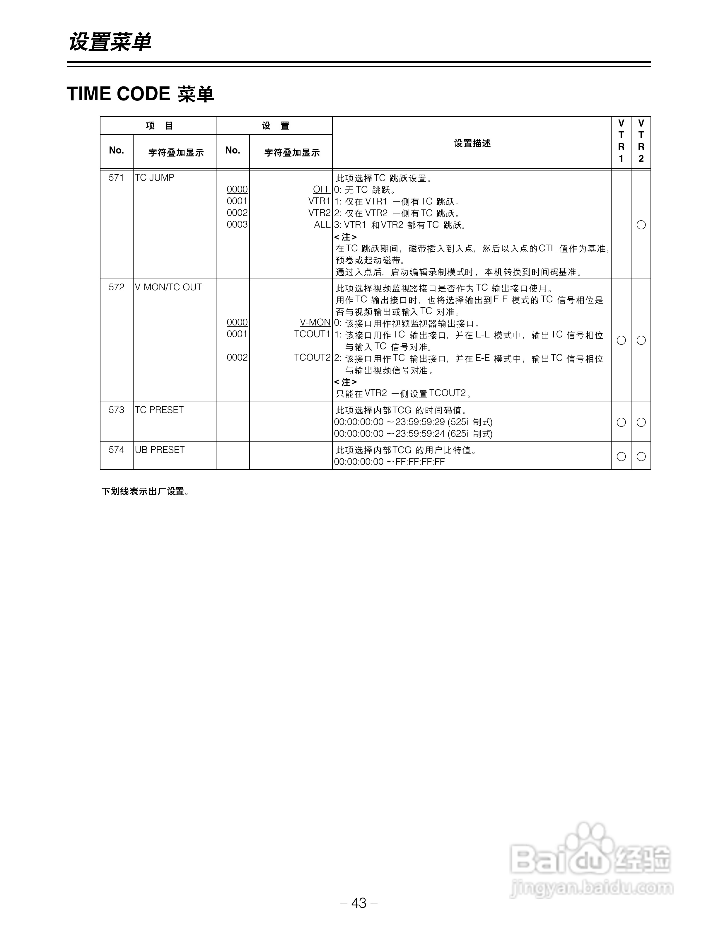
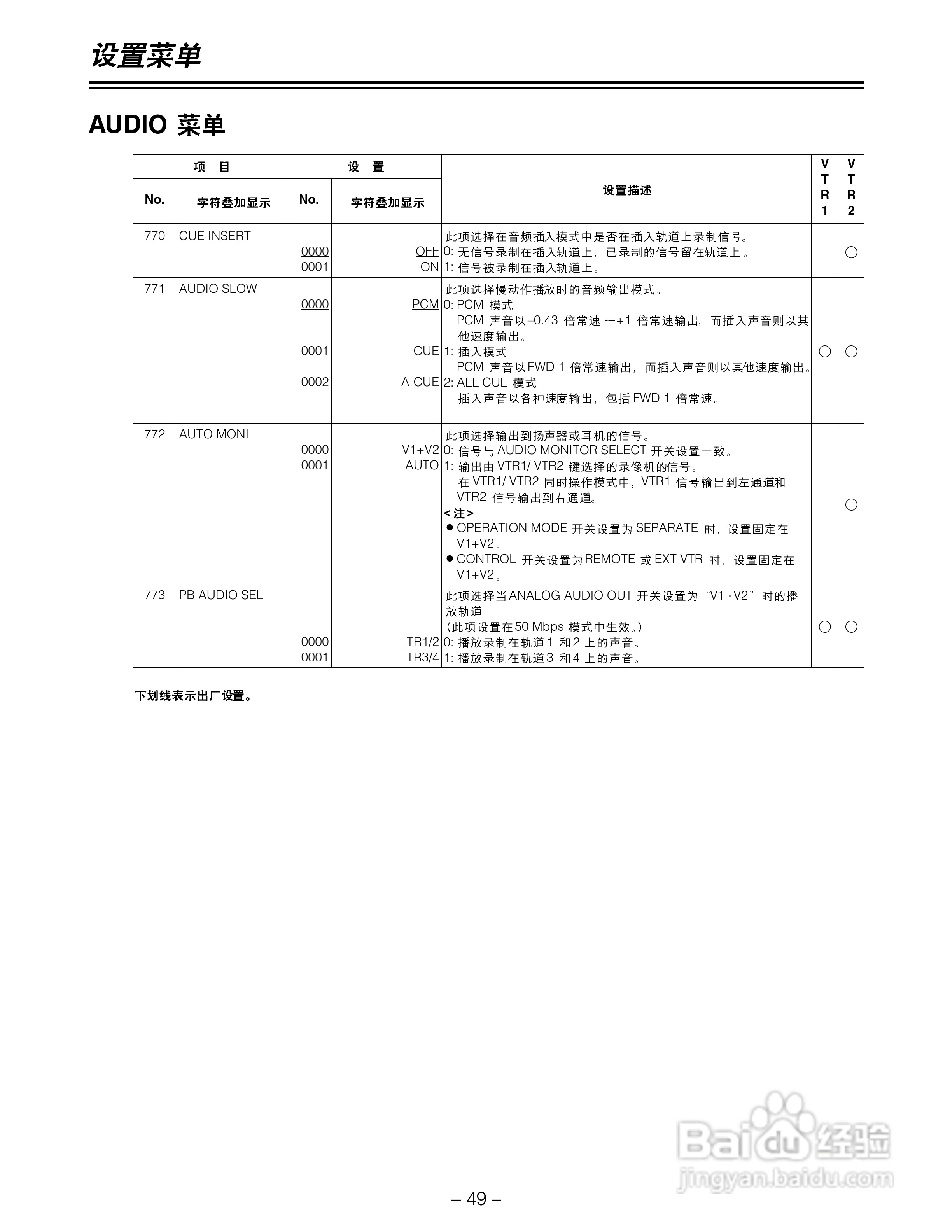
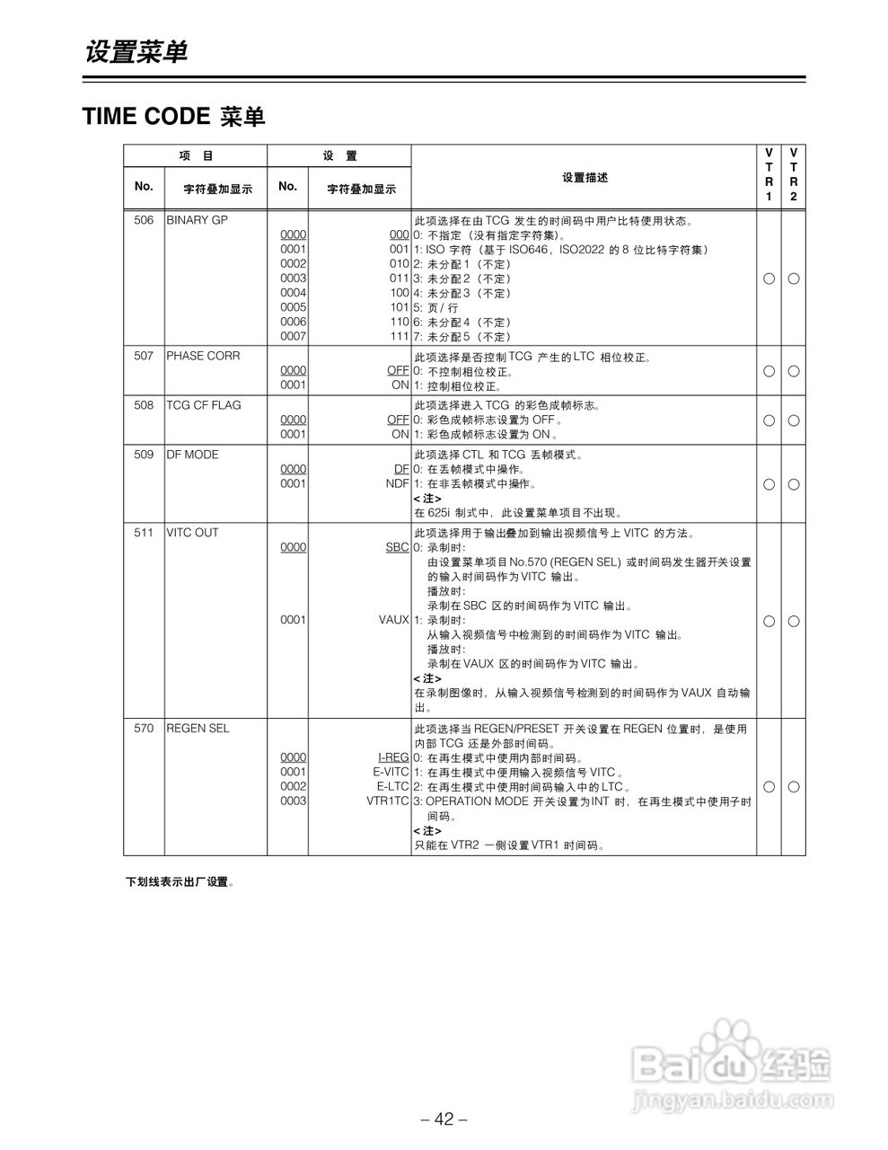
本篇为《松下AJ-LT95MC数码摄像机说明书》,主要介绍该产品的使用方法以及常见故障解决方案。
(共篇)
上一篇:
|
下一篇:
声明:
本网站引用、摘录或转载内容仅供网站访问者交流或参考,不代表本站立场,如存在版权或非法内容,请联系站长删除,联系邮箱:site.kefu@qq.com。
相关推荐
松下AJ-LT95MC数码摄像机说明书:[10]
阅读量:88
松下双开双控接线方法
阅读量:109
松下AJ-HPX3000MC数码摄像机说明书:[5]
阅读量:153
松下AJ-HDX900MC数码摄像机说明书:[4]
阅读量:105
松下AJ-D970MC数码摄像机说明书:[2]
阅读量:148
猜你喜欢
红眼病用什么药
黄皮果的功效与作用
三仁汤的功效与作用
灵芝胶囊的功效与作用
数学必修二知识点总结
什么是概念股
大v什么意思
什么牌子的电饭煲好
amg什么意思
红姑娘的功效与作用
猜你喜欢
知识竞赛题目
什么叫企业文化
大枣的功效与作用
vc的作用
维生素b12的作用
数列知识点
有氧运动是什么
化学九年级上册知识点
琥珀粉的功效与作用
防风通圣丸的功效与作用