小度生活
首页
美食营养
手工爱好
生活家居
返回
小度生活
首页
美食营养
游戏数码
手工爱好
生活家居
健康养生
运动户外
职场理财
情感交际
母婴教育
时尚美容
知识问答
生活知识
搜索
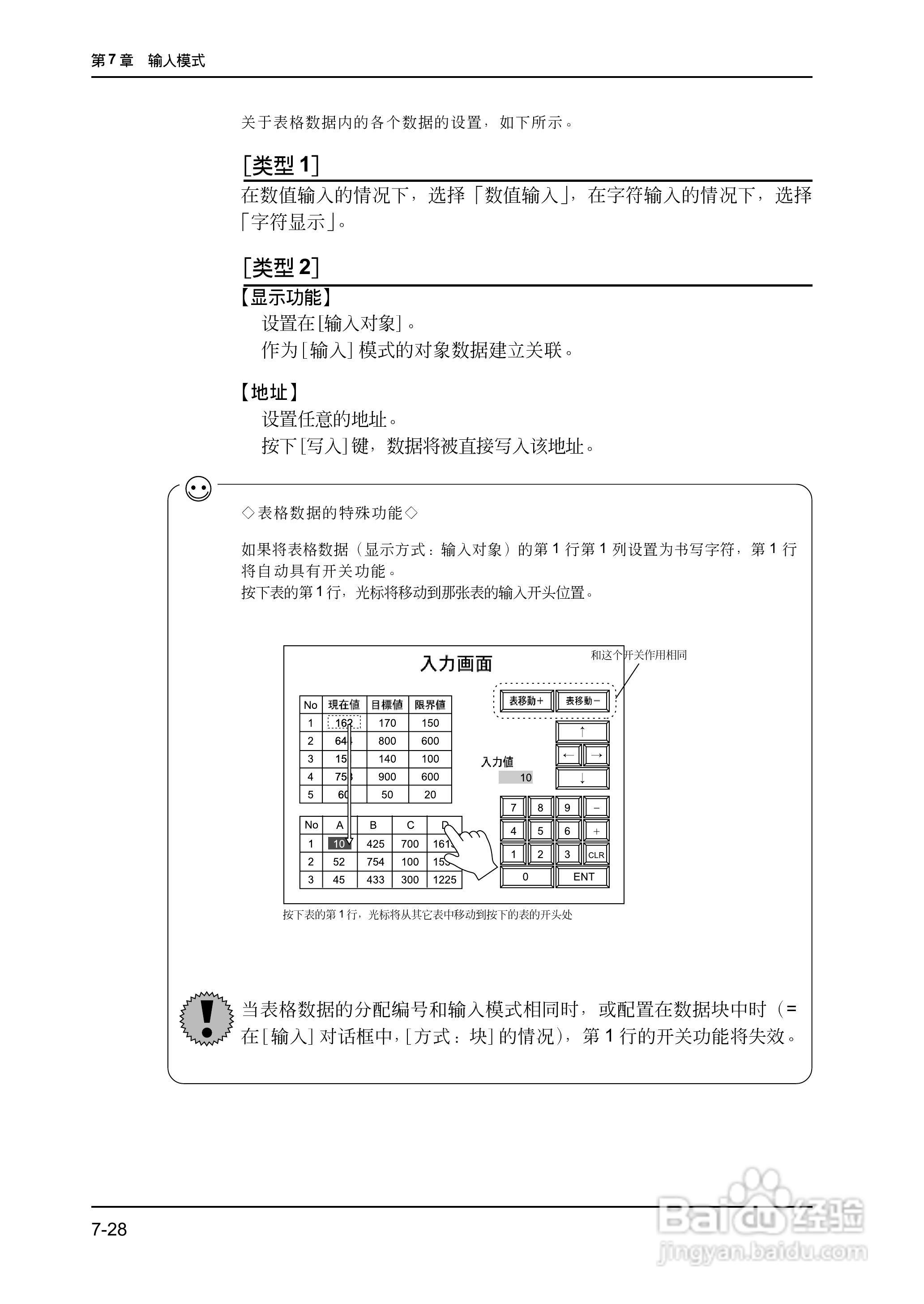
松下UG420H-E变频器使用说明书:[21]
2026-02-14 09:59:11
本篇为《松下UG420H-E变频器使用说明书》,主要介绍该产品的使用方法以及常见故障解决方案。
(共篇)
上一篇:
|
下一篇:
声明:
本网站引用、摘录或转载内容仅供网站访问者交流或参考,不代表本站立场,如存在版权或非法内容,请联系站长删除,联系邮箱:site.kefu@qq.com。
相关推荐
松下UG420H-E变频器使用说明书:[72]
阅读量:84
松下UG420H-E变频器使用说明书:[65]
阅读量:167
松下UG420H-E变频器使用说明书:[36]
阅读量:114
变频器调试接线教程
阅读量:148
松下UG420H-E变频器使用说明书:[43]
阅读量:157
猜你喜欢
fine是什么意思
寓教于乐什么意思
透明质酸的作用
车前子的功效与作用及食用方法
不由分说的意思
火山石的作用
驰骋的意思
不苟言笑的意思
大珠小珠落玉盘形容什么乐器
sos是什么意思
猜你喜欢
lock是什么意思
什么小说最好看
roger什么意思
may是什么意思
台州有什么好玩的地方
仪式感意思是什么
饥寒交迫的意思
梦见鞋丢了是什么意思
什么可以美白牙齿
985211大学是什么意思