小度生活
首页
美食营养
手工爱好
生活家居
返回
小度生活
首页
美食营养
游戏数码
手工爱好
生活家居
健康养生
运动户外
职场理财
情感交际
母婴教育
时尚美容
知识问答
生活知识
搜索
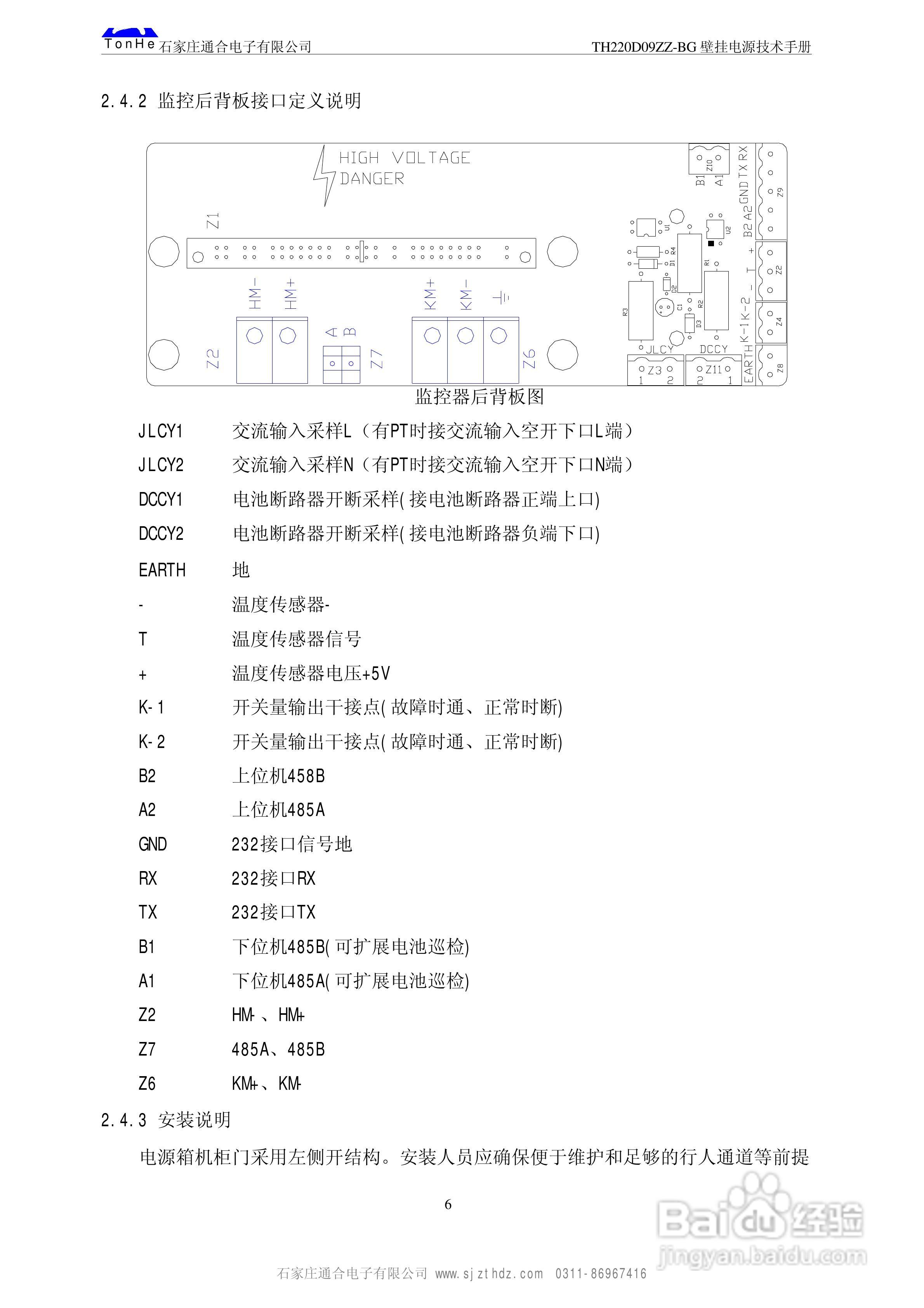
TH220D09ZZ-BG壁挂电源系统说明书:[1]
2026-02-06 05:33:49
本篇为《TH220D09ZZ-BG壁挂电源系统说明书》,主要介绍该产品的使用方法以及常见故障解决方案。
(共篇)
下一篇:
声明:
本网站引用、摘录或转载内容仅供网站访问者交流或参考,不代表本站立场,如存在版权或非法内容,请联系站长删除,联系邮箱:site.kefu@qq.com。
相关推荐
CL-2030BG余氯仪使用说明书:[1]
阅读量:56
DDG-2022BG电导率仪使用说明书:[1]
阅读量:69
DOG-2028BG溶解氧测定仪使用说明书:[1]
阅读量:99
DDG-2022BG电导率仪使用说明书:[3]
阅读量:183
DDG-2022BG电导率仪使用说明书:[4]
阅读量:184
猜你喜欢
嗜睡是什么原因造成的
生活中的经济学
恢复好友怎么恢复
如何快速去眼袋
sd是什么意思
遴选是什么意思
如何增强wifi信号
如何进入recovery模式
怎么把视频下载到手机
阿黛尔的生活 电影
猜你喜欢
人工智能对生活的影响
如何排除体内毒素
拘留所的真实生活
生活大爆炸主题曲
产后如何去妊娠纹
糜烂生活手抄本
沙漠皇帝怎么玩
如何经营好服装店
空白网名怎么弄
生活就像一杯白开水