小度生活
首页
美食营养
手工爱好
生活家居
返回
小度生活
首页
美食营养
游戏数码
手工爱好
生活家居
健康养生
运动户外
职场理财
情感交际
母婴教育
时尚美容
知识问答
生活知识
生活百科
搜索
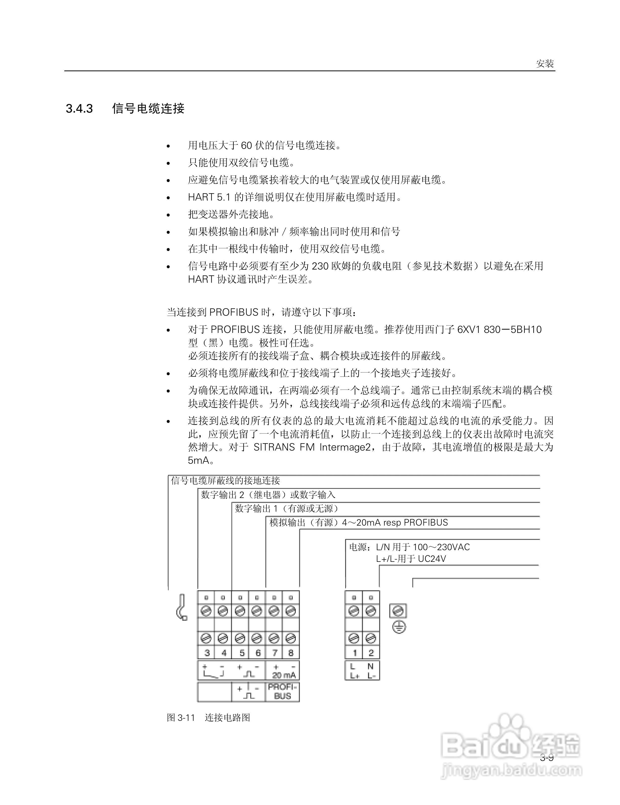
SITRANS FM Intermag2 电磁流量变送器使用说明书:[3]
2026-04-14 01:56:15
本篇为《SITRANS FM Intermag2 电磁流量变送器使用说明书》,主要介绍该产品的使用方法以及常见故障解决方案。
(共篇)
上一篇:
|
下一篇:
声明:
本网站引用、摘录或转载内容仅供网站访问者交流或参考,不代表本站立场,如存在版权或非法内容,请联系站长删除,联系邮箱:site.kefu@qq.com。
相关推荐
电磁炉不加热的原因是什么
阅读量:124
SITRANS/P压力变送器中文手册:[2]
阅读量:75
SITRANS/P压力变送器中文手册:[3]
阅读量:87
SITRANS/P压力变送器中文手册:[5]
阅读量:150
SITRANS/P压力变送器中文手册:[7]
阅读量:113
猜你喜欢
一本正经的近义词是什么
tx什么意思
无线ap是什么
白色液体是什么
咱也不知道咱也不敢问是什么梗
萝卜泡菜的腌制方法
climate是什么意思
撒有拉拉是什么意思
忽略是什么意思
平安树的养殖方法和注意事项
猜你喜欢
运动鞋价格
电子银行是什么
什么是diy
什么书买不到
遇人不淑是什么意思
喝茶叶有什么好处
电脑闪屏是什么原因
股票前加xd是什么意思
办社保卡需要什么资料
什么叫排比句