小度生活
首页
美食营养
手工爱好
生活家居
返回
小度生活
首页
美食营养
游戏数码
手工爱好
生活家居
健康养生
运动户外
职场理财
情感交际
母婴教育
时尚美容
知识问答
生活知识
搜索
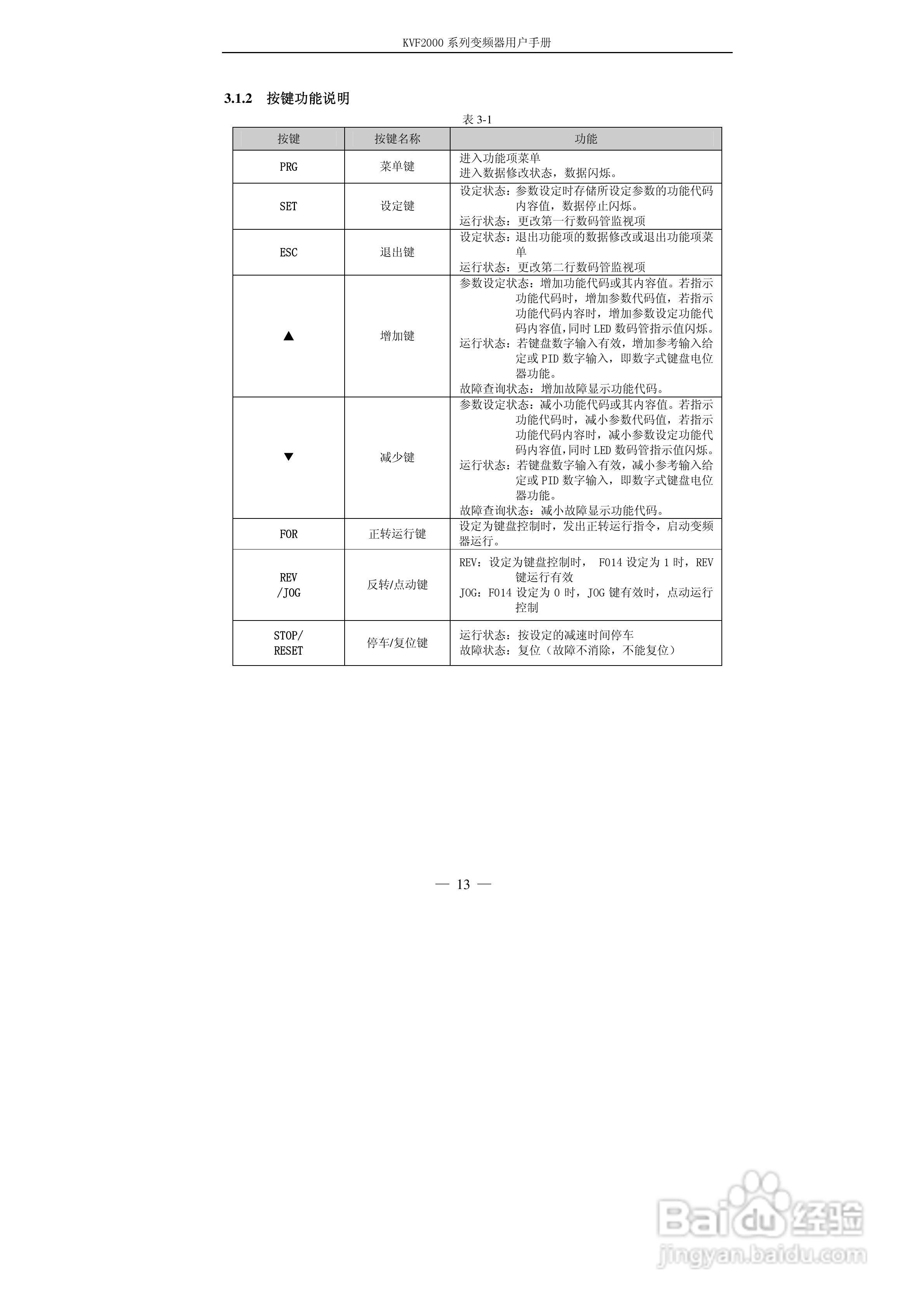
KVF2000系列变频器使用说明书:[2]
2026-01-24 11:36:01
本篇为《KVF2000系列变频器使用说明书》,主要介绍该产品的使用方法以及常见故障解决方案。
(共篇)
上一篇:
|
下一篇:
声明:
本网站引用、摘录或转载内容仅供网站访问者交流或参考,不代表本站立场,如存在版权或非法内容,请联系站长删除,联系邮箱:site.kefu@qq.com。
相关推荐
濮阳县第二幼儿园怎么收费的
阅读量:175
女孩失恋了怎么安慰她
阅读量:133
夫妻之间怎么解决财物问题?
阅读量:117
茶叶加盟店如何维护客户群
阅读量:39
茅台6年普天同庆52°500ml 鉴别方法
阅读量:57
猜你喜欢
爱是什么排比句
ckn是什么意思
土木工程专业学什么
肾功能不全是什么意思
内存条有什么用
知足常乐什么意思
尿多尿频是什么原因
7月5日是什么星座
沆瀣一气是什么意思
弄瓦之喜什么意思
猜你喜欢
梦见打仗是什么意思
入木三分这个成语原本是用来形容什么的
take是什么意思
今天什么节
tap是什么意思
肉便器是什么
党的宗旨是什么
soon什么意思
存续是什么意思
上市公司是什么意思