小度生活
首页
美食营养
手工爱好
生活家居
返回
小度生活
首页
美食营养
游戏数码
手工爱好
生活家居
健康养生
运动户外
职场理财
情感交际
母婴教育
时尚美容
知识问答
生活知识
生活百科
搜索
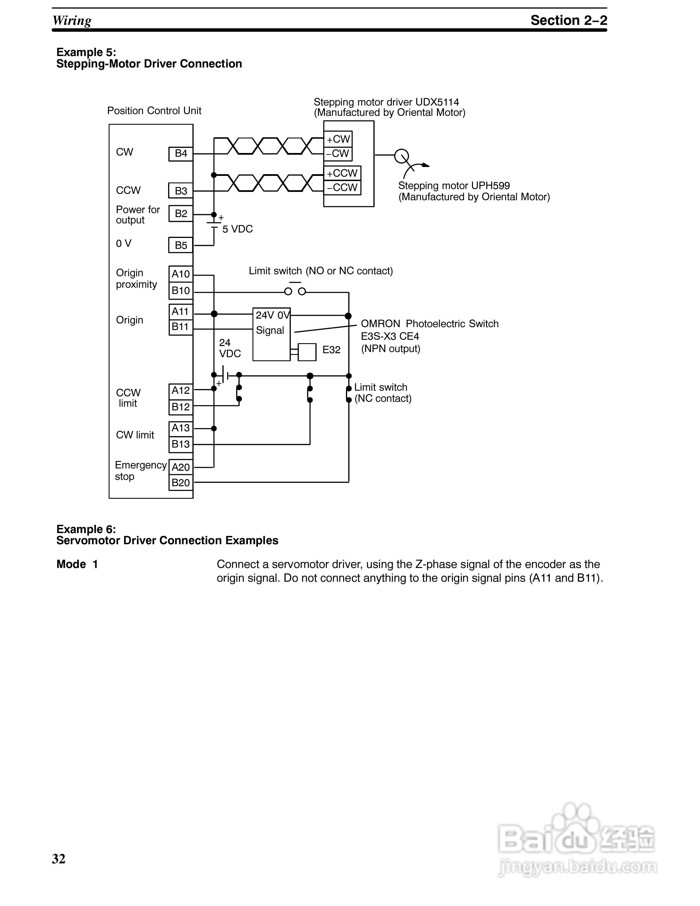
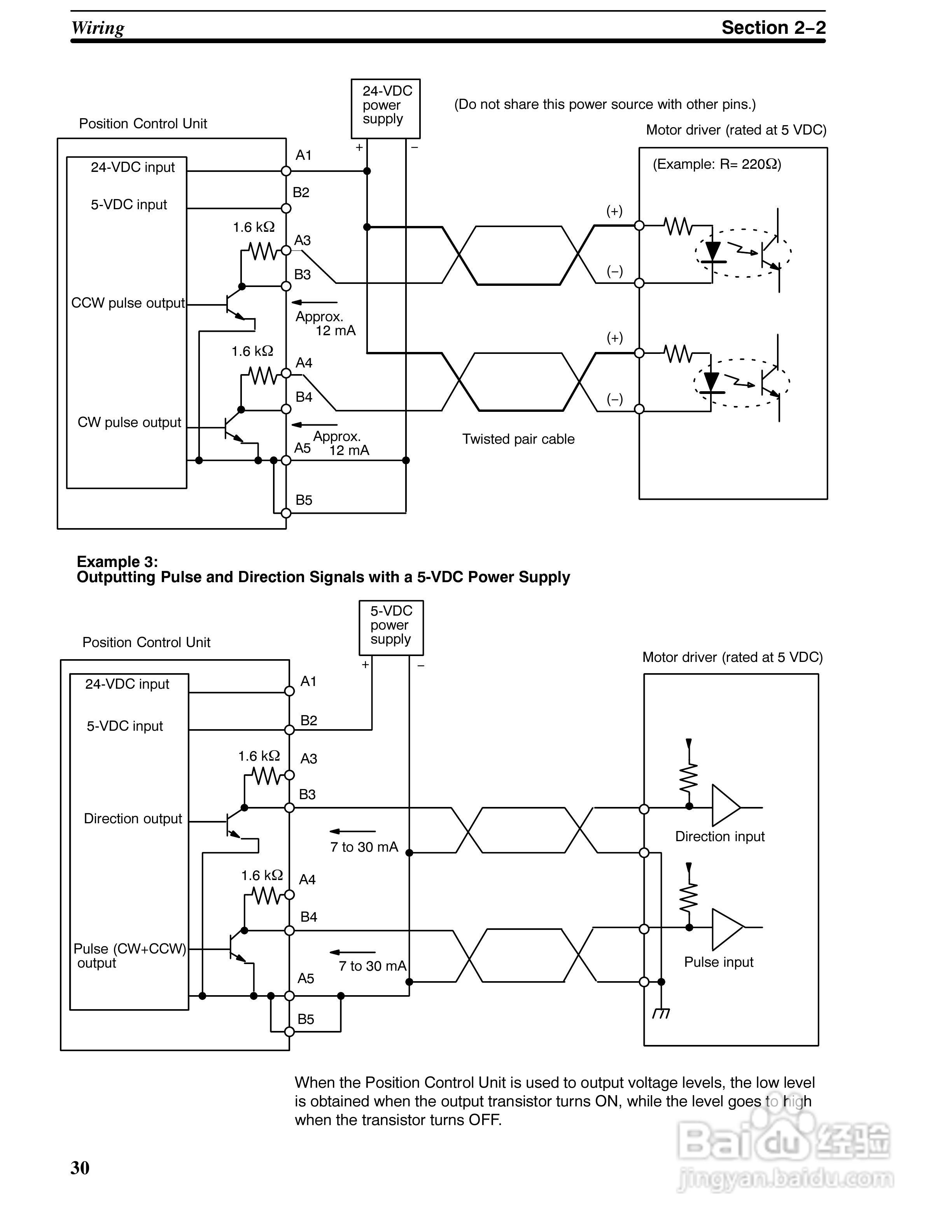
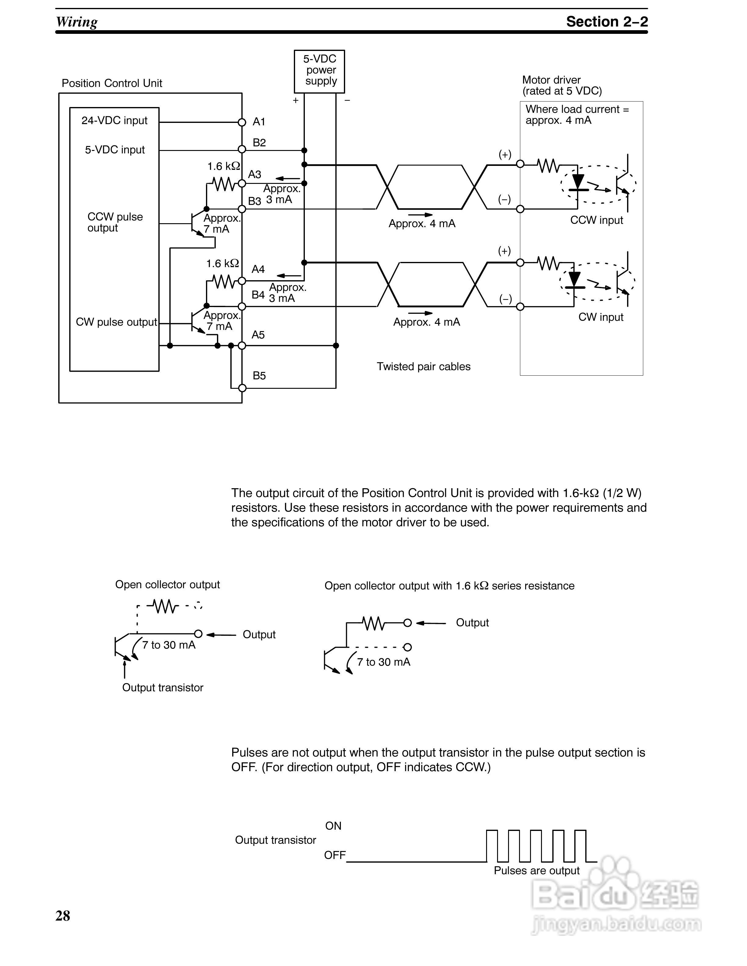
欧姆龙c200H-NC112位置控制单元操作手册:[4]
2026-05-11 09:56:59
本篇为《欧姆龙c200H-NC112位置控制单元操作手册》,主要介绍该产品的使用方法以及常见故障解决方案。
(共篇)
上一篇:
|
下一篇:
声明:
本网站引用、摘录或转载内容仅供网站访问者交流或参考,不代表本站立场,如存在版权或非法内容,请联系站长删除,联系邮箱:site.kefu@qq.com。
相关推荐
欧姆龙c200H-NC112位置控制单元操作手册:[6]
阅读量:118
欧姆龙c200H-NC112位置控制单元操作手册:[1]
阅读量:167
欧姆龙c200H-NC112位置控制单元操作手册:[2]
阅读量:172
欧姆龙c200H-NC112位置控制单元操作手册:[3]
阅读量:140
欧姆龙c200H-NC112位置控制单元操作手册:[5]
阅读量:83
猜你喜欢
什么是微课程
堪的意思
光端机的作用
make是什么意思
麦冬功效与作用
什么是舍利
什么是智能电视
海藻面膜的作用
叶公好龙的意思
卵黄囊什么时候出现
猜你喜欢
pmc是什么意思
什么东西掉进水里不会湿
mop是什么意思
万事顺遂是什么意思
福建有什么好玩的地方
梦见青蛙是什么意思
薛定谔的猫是什么意思
荡气回肠什么意思
lunch是什么意思
香蕉面膜的功效与作用