小度生活
首页
美食营养
手工爱好
生活家居
返回
小度生活
首页
美食营养
游戏数码
手工爱好
生活家居
健康养生
运动户外
职场理财
情感交际
母婴教育
时尚美容
知识问答
生活知识
生活百科
搜索
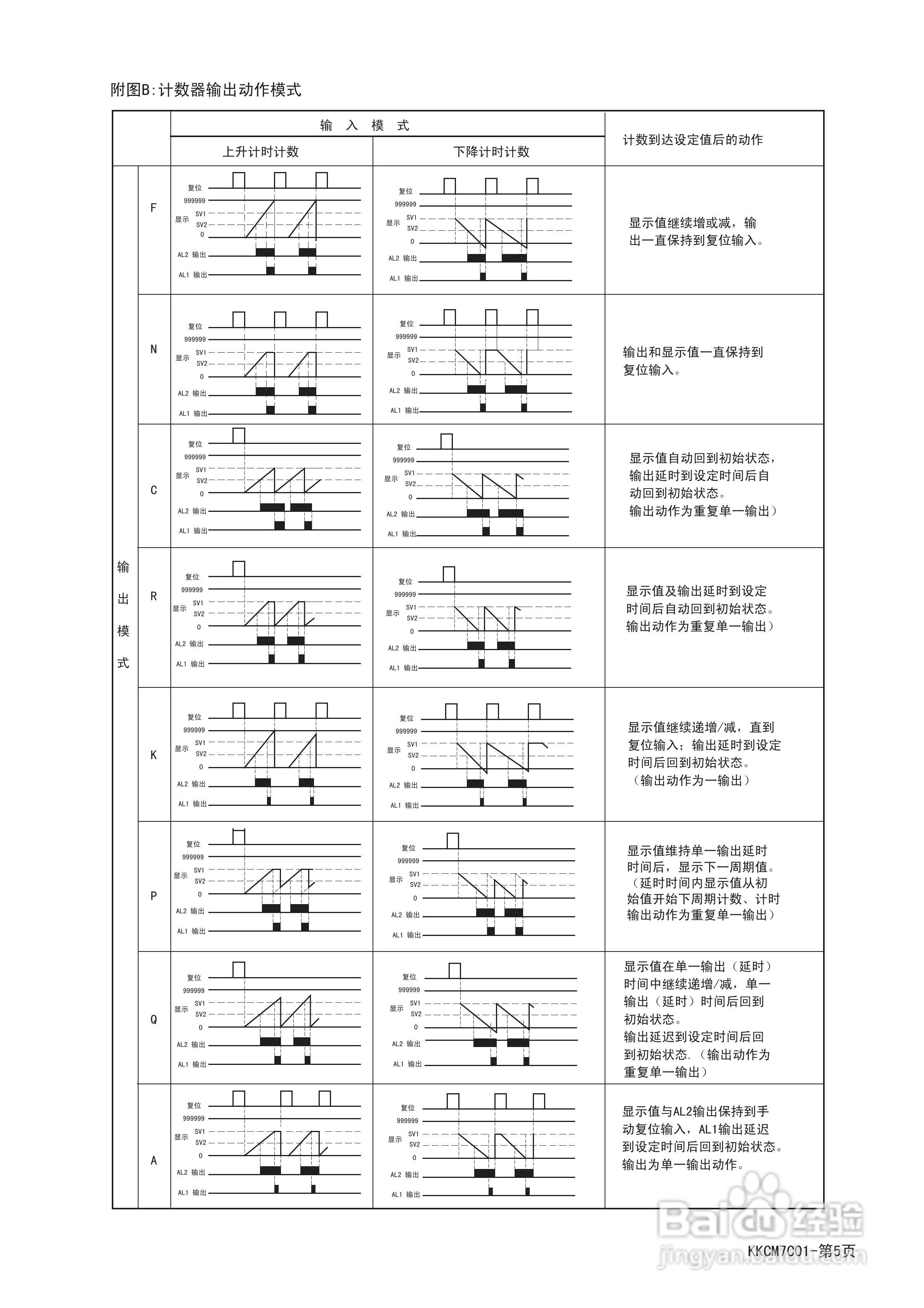
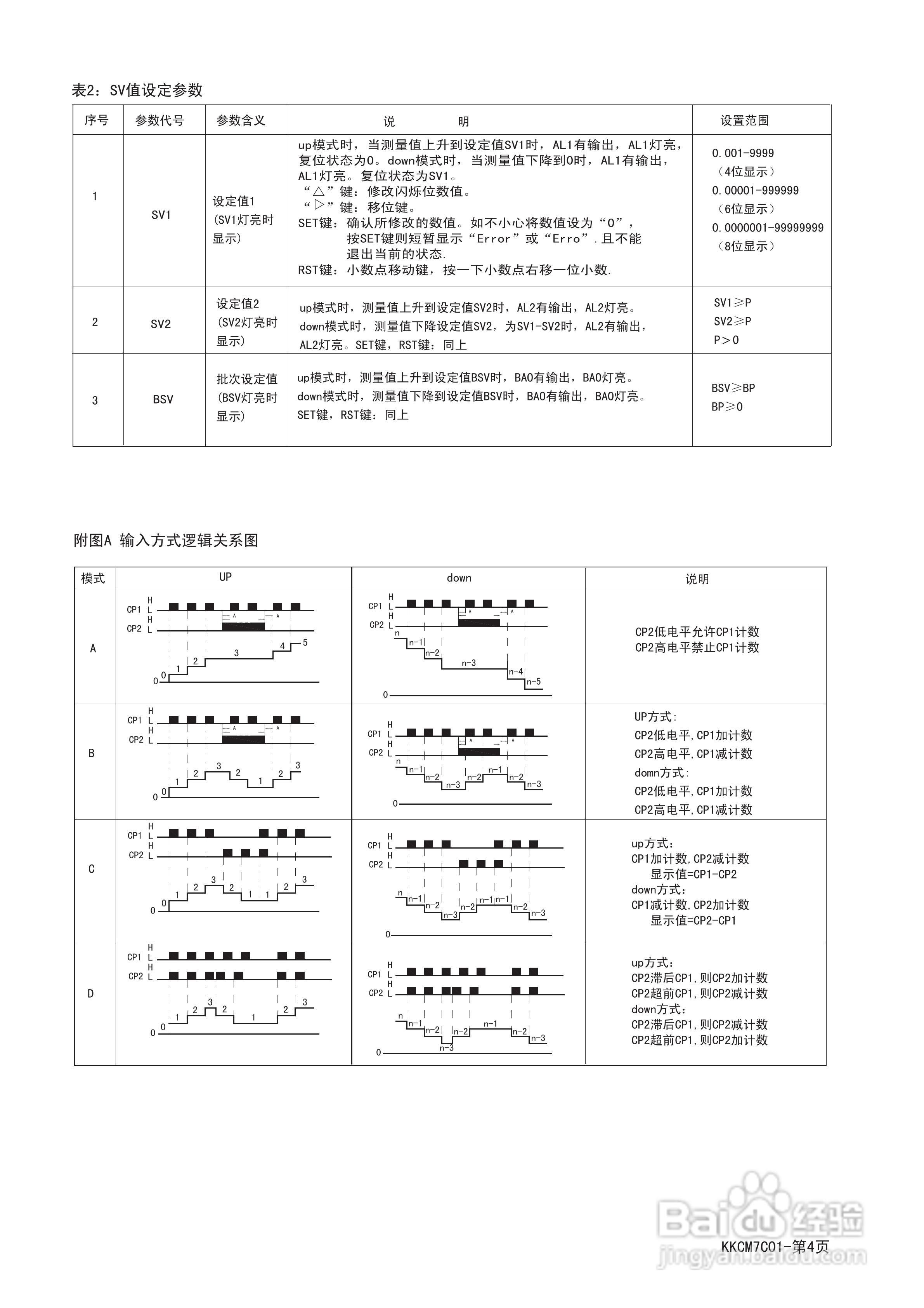
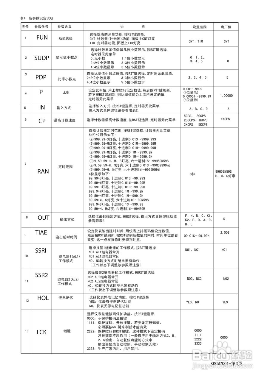
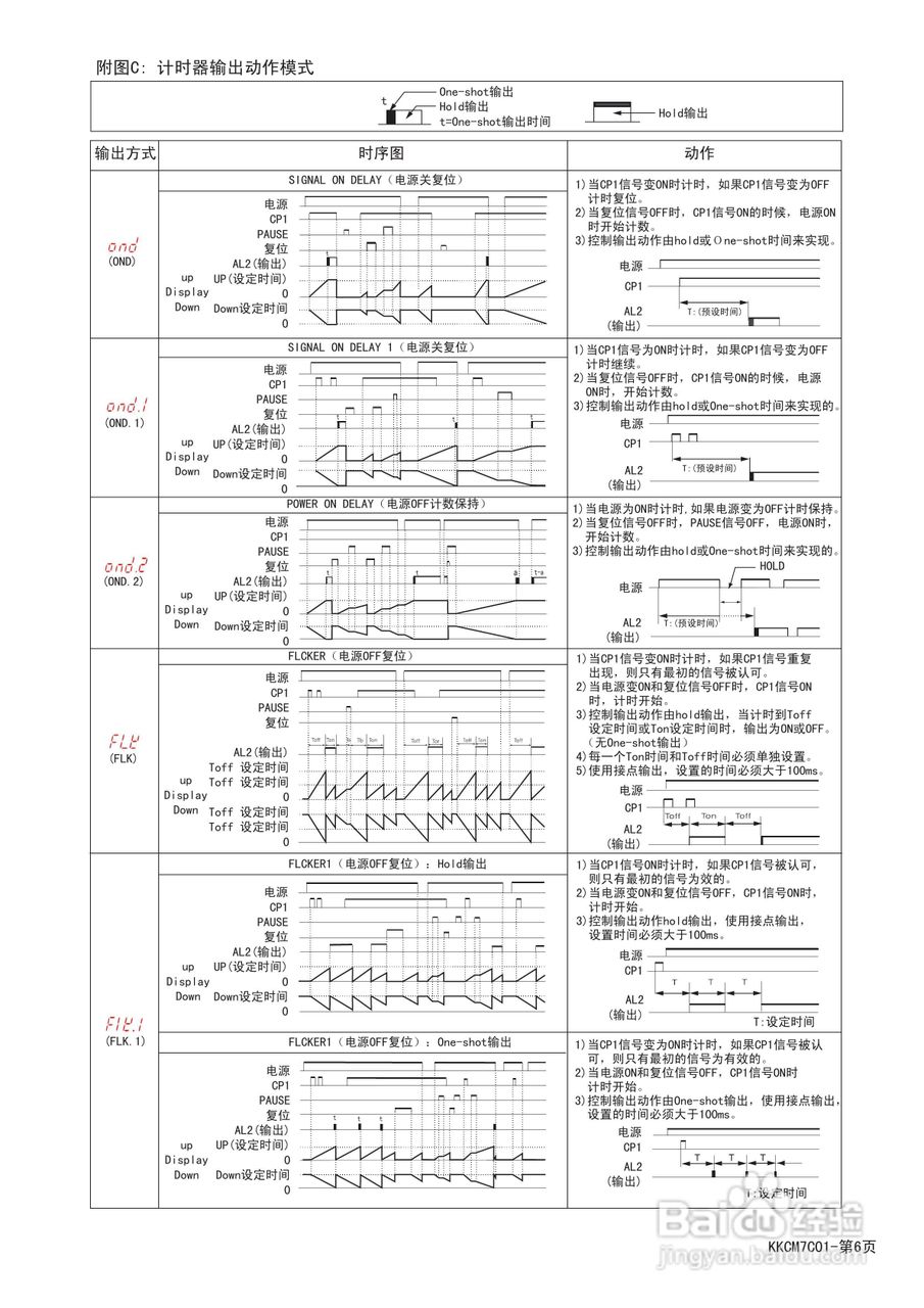
CM7-PS42多功能计数器操作说明书
2026-03-25 01:50:23
声明:
本网站引用、摘录或转载内容仅供网站访问者交流或参考,不代表本站立场,如存在版权或非法内容,请联系站长删除,联系邮箱:site.kefu@qq.com。
相关推荐
西安高新大队,领取6年免检合格证和环保标攻略
阅读量:26
初学者怎么挂挡
阅读量:32
叉车证网上怎么年审
阅读量:152
自动挡都10速了, 为什么手动档还是5速?
阅读量:112
怎么查询保险记录
阅读量:137
猜你喜欢
前列腺钙化怎么治疗
眼压高怎么办
平均数怎么算
王老吉和加多宝是怎么回事
怎么学习英语
寒气重怎么调理
六角恐龙怎么养
大写的一到十怎么写
莘莘学子怎么读
我的世界怎么
猜你喜欢
澳优奶粉怎么样
腌黄瓜条怎么腌制好吃
nurse怎么读
马兰头怎么做好吃
point怎么读
show怎么读
肾结石是怎么引起的
孕妇牙疼怎么办
灵芝孢子粉怎么吃
猪大肠怎么清洗