小度生活
首页
美食营养
手工爱好
生活家居
返回
小度生活
首页
美食营养
游戏数码
手工爱好
生活家居
健康养生
运动户外
职场理财
情感交际
母婴教育
时尚美容
知识问答
生活知识
搜索
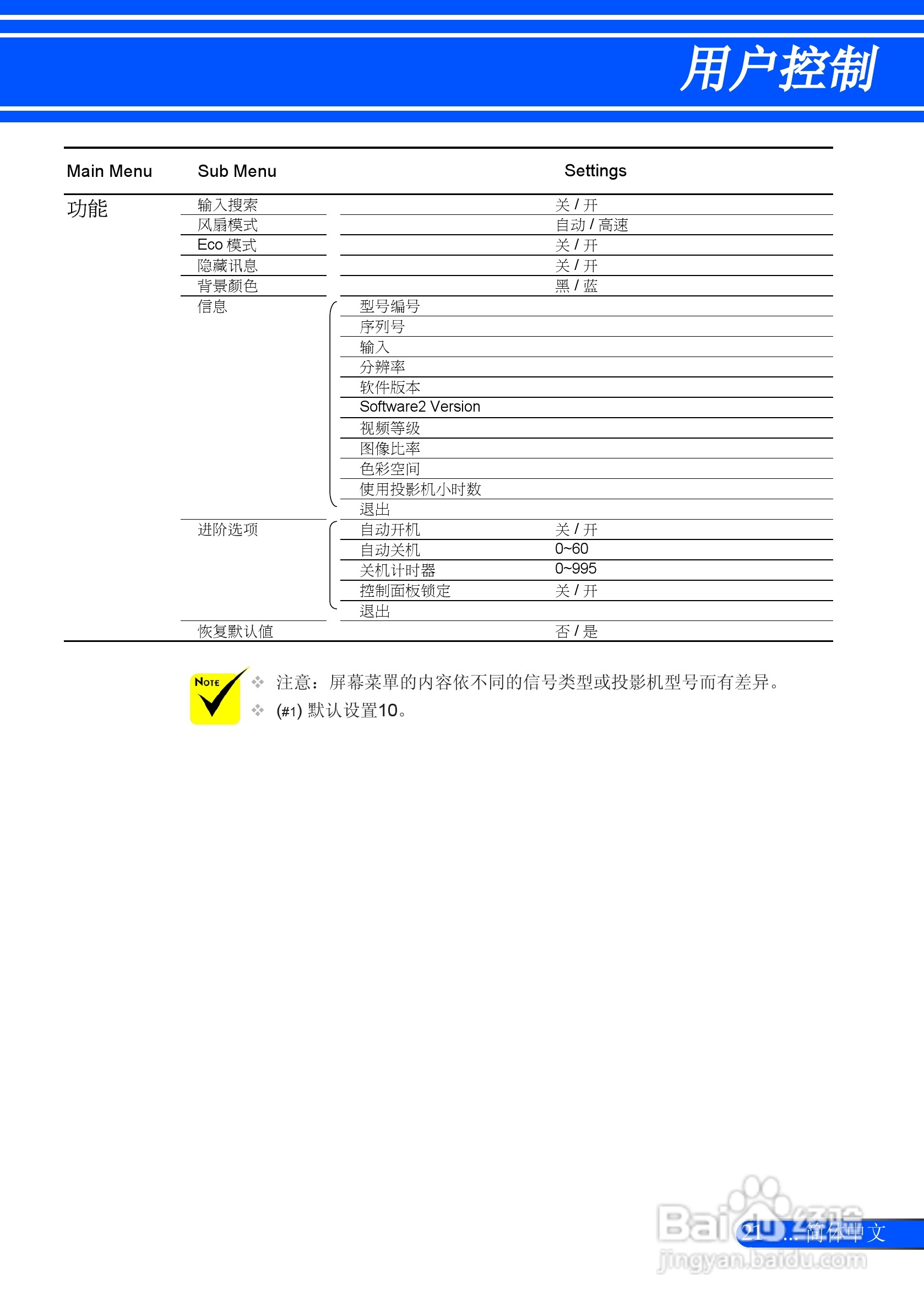
日电NP-L51W+投影机说明书:[3]
2026-01-01 22:58:15
本篇为《日电NP-L51W+投影机说明书》,主要介绍该产品的使用方法以及常见故障解决方案。
(共篇)
上一篇:
|
下一篇:
声明:
本网站引用、摘录或转载内容仅供网站访问者交流或参考,不代表本站立场,如存在版权或非法内容,请联系站长删除,联系邮箱:site.kefu@qq.com。
相关推荐
投影机怎样连接使用
阅读量:125
日电NP-PX800X+投影机说明书:[13]
阅读量:140
日电NP-PX800X+投影机说明书:[15]
阅读量:126
日电NP-PX800X+投影机说明书:[21]
阅读量:65
日电NP-PX800X+投影机说明书:[23]
阅读量:42
猜你喜欢
恶意差评怎么申诉
win7打印机共享怎么设置
英菲尼迪fx35怎么样
热门旅游城市
美国旅游景点
吃什么可以生发
大连财经学院怎么样
三亚自由行旅游攻略
吃什么可以增强记忆力
全景旅游
猜你喜欢
旅游纪念品
求生之路2秘籍怎么用
旅游资源
手机怎么下载qq
贷款房子怎么卖
广州旅游区
糯米粉可以做什么
虚拟键盘怎么打开
孩子抵抗力差怎么办
深圳旅游攻略