小度生活
首页
美食营养
手工爱好
生活家居
返回
小度生活
首页
美食营养
游戏数码
手工爱好
生活家居
健康养生
运动户外
职场理财
情感交际
母婴教育
时尚美容
知识问答
生活知识
生活百科
搜索
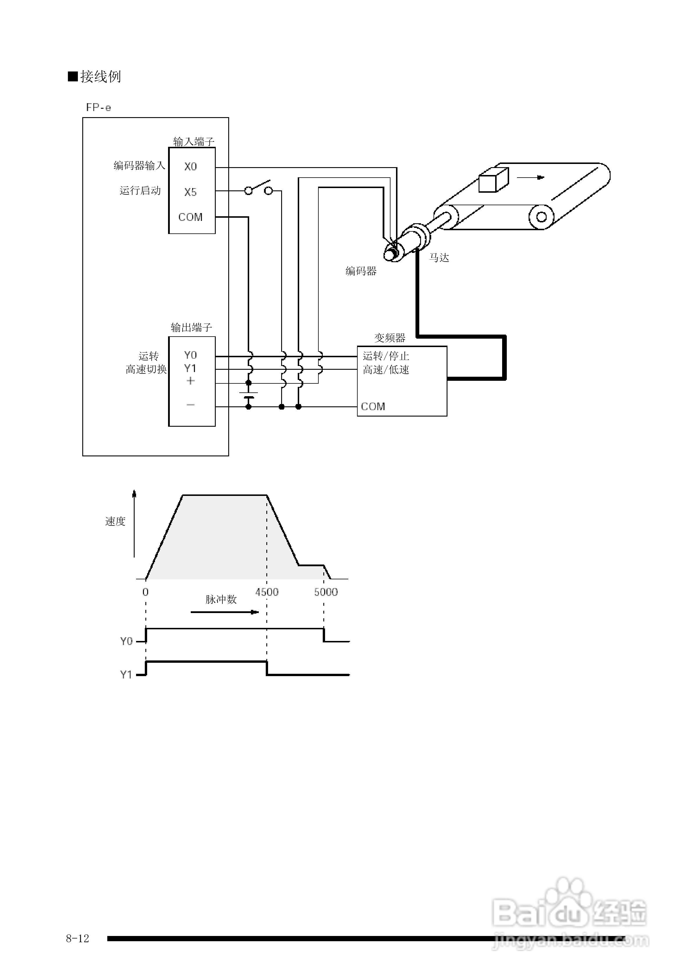
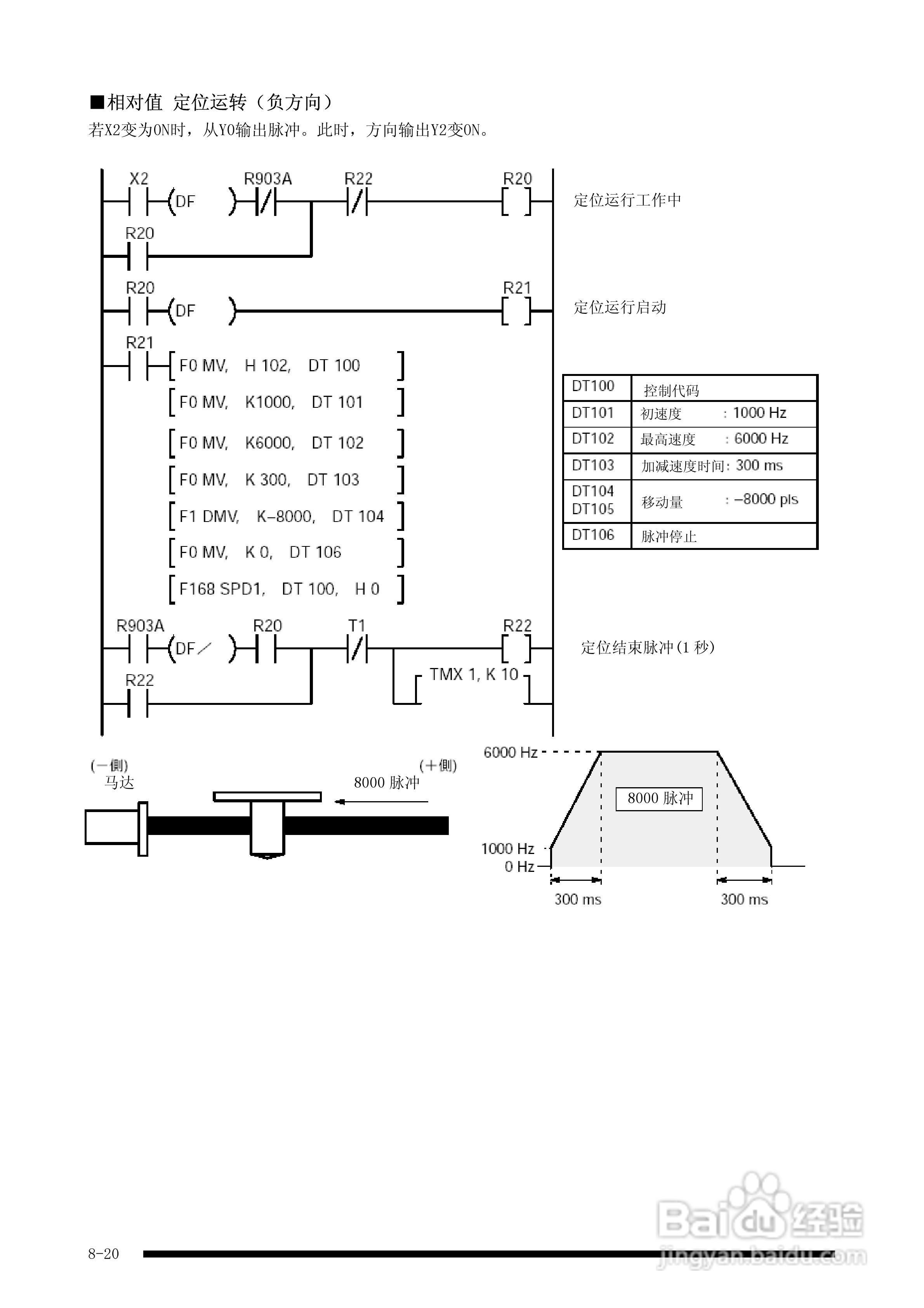
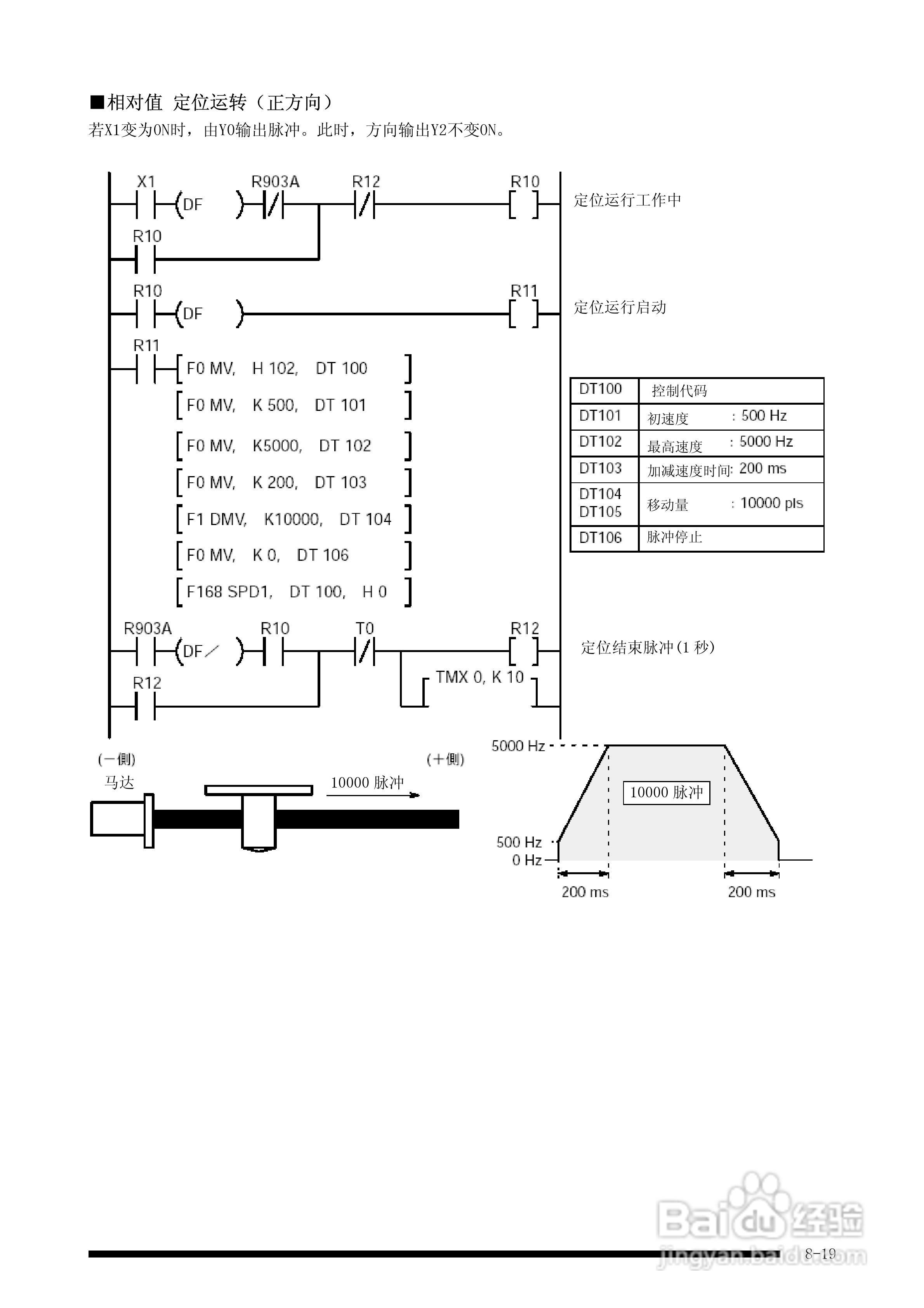
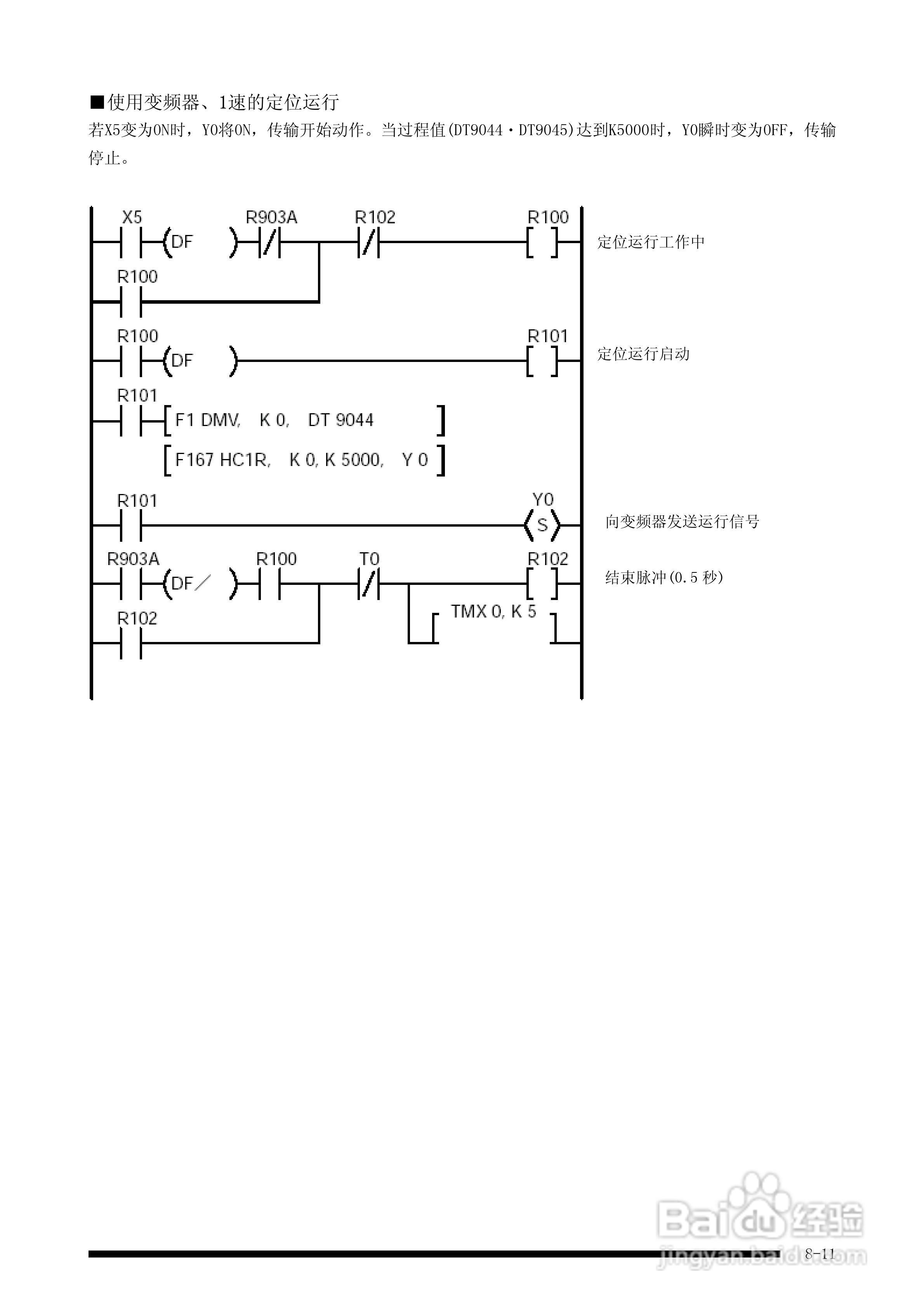
panasonic 面板安装型控制器FP-e控制装置用户手册:[9]
2026-05-22 12:19:39
本篇为《panasonic 面板安装型控制器FP-e控制装置用户手册》,主要介绍该产品的使用方法以及常见故障解决方案。
(共篇)
上一篇:
|
下一篇:
声明:
本网站引用、摘录或转载内容仅供网站访问者交流或参考,不代表本站立场,如存在版权或非法内容,请联系站长删除,联系邮箱:site.kefu@qq.com。
相关推荐
panasonic 面板安装型控制器FP-e控制装置用户手册:[14]
阅读量:37
Panasonic AW-RP655MC多功能控制器操作手册:[1]
阅读量:122
Panasonic AW-RP655MC多功能控制器操作手册:[2]
阅读量:83
Panasonic AW-RP655MC多功能控制器操作手册:[5]
阅读量:64
Panasonic AW-RP655MC多功能控制器操作手册:[3]
阅读量:69
猜你喜欢
电烙铁什么牌子好
客厅放什么植物最好
art是什么意思
整流器的作用
杨颖什么时候离的婚
显卡有什么作用
瓜田李下是什么意思
骄傲的意思
cotton是什么意思
一碧万顷的意思
猜你喜欢
三亚有什么特产
黄瓜籽的功效与作用
牛肉饺子放什么菜好吃
什么是全面质量管理
银杏的作用
羊胎素的功效与作用
什么粉饼好用
风油精的功效与作用
成都周边有什么好玩的地方
拮据的意思