小度生活
首页
美食营养
手工爱好
生活家居
返回
小度生活
首页
美食营养
游戏数码
手工爱好
生活家居
健康养生
运动户外
职场理财
情感交际
母婴教育
时尚美容
知识问答
生活知识
搜索
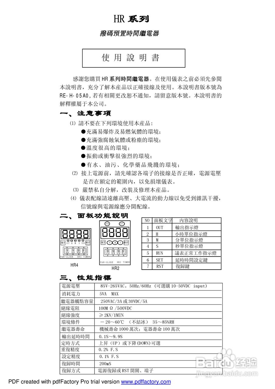
HR系列拨码预置时间继电器说明书
2025-10-22 20:46:21
声明:
本网站引用、摘录或转载内容仅供网站访问者交流或参考,不代表本站立场,如存在版权或非法内容,请联系站长删除,联系邮箱:site.kefu@qq.com。
相关推荐
藤椒味素烧茄子怎么做
阅读量:51
凤凰古城到长沙怎么走
阅读量:25
零售业怎么做招聘
阅读量:60
甘肃省的老年人如何快速办理老年人优待证
阅读量:179
本田冠道1.5T刷ECU改善起步肉的方法
阅读量:111
猜你喜欢
什么是重读闭音节
负荷是什么意思
劳动者依法享有什么就业的权利
陆游号什么
四不像是什么动物
窗口期是什么意思
家是什么
plane是什么意思
信用卡最低还款额是什么意思
备案是什么意思
猜你喜欢
果胶是什么
补佳乐是什么药
甲亢有什么症状
包浆是什么意思
乌龙球是什么意思
clothes是什么意思
下午5点是什么时辰
will是什么意思
volte是什么意思
saw是什么意思