小度生活
首页
美食营养
手工爱好
生活家居
返回
小度生活
首页
美食营养
游戏数码
手工爱好
生活家居
健康养生
运动户外
职场理财
情感交际
母婴教育
时尚美容
知识问答
生活知识
生活百科
搜索
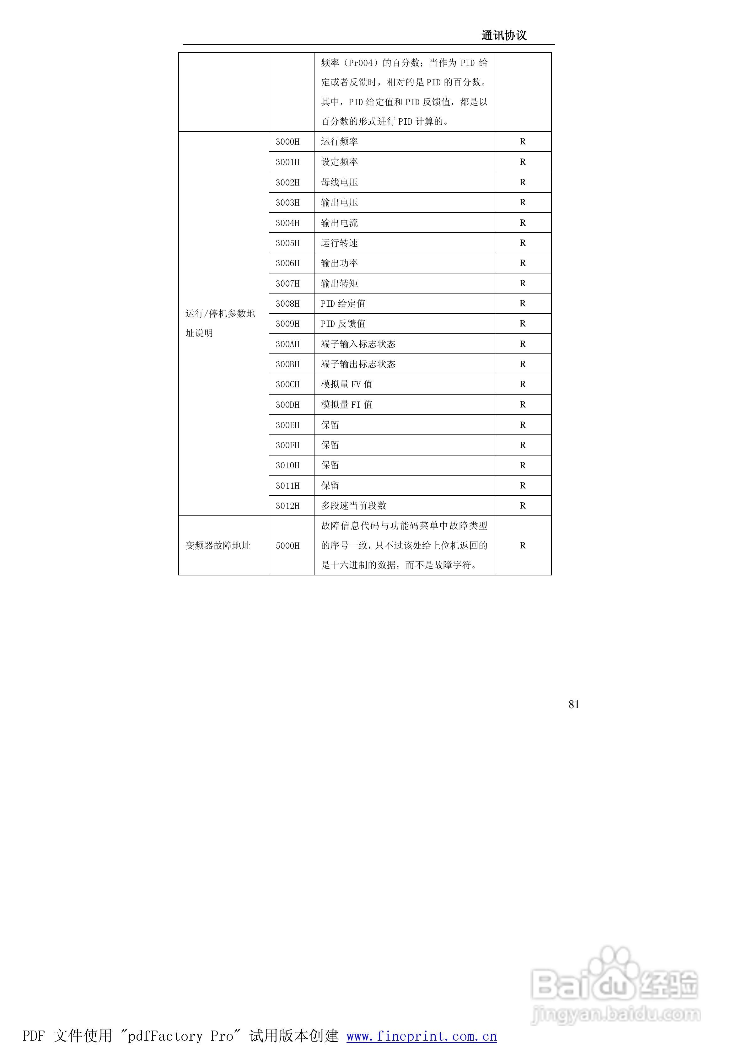
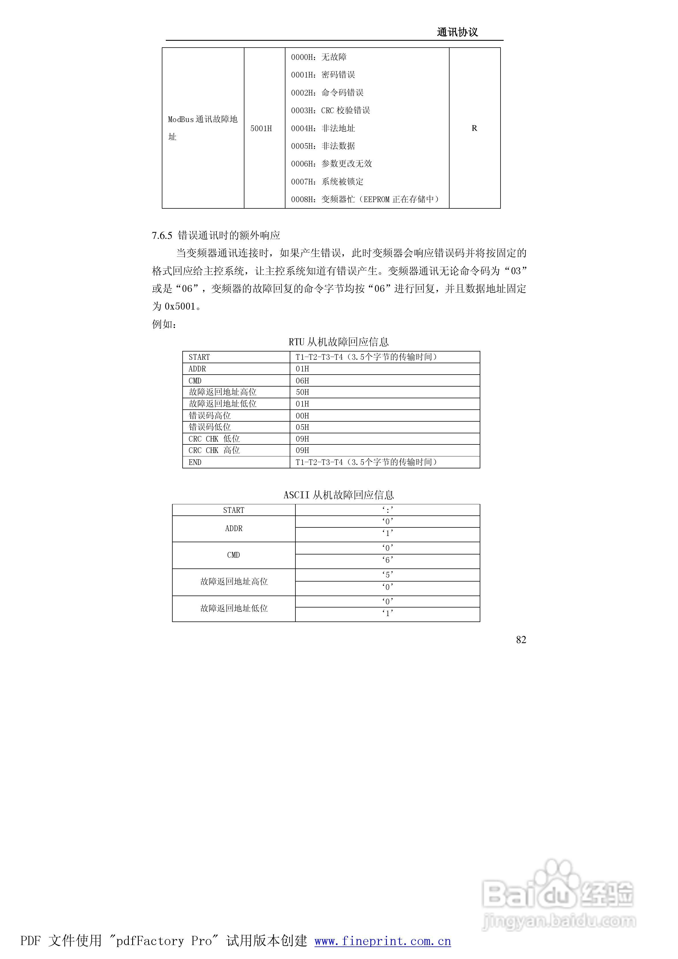
贝士德FA180-400T4变频器使用说明书:[9]
2026-05-23 05:40:26
本篇为《贝士德FA180-400T4变频器使用说明书》,主要介绍该产品的使用方法以及常见故障解决方案。
(共篇)
上一篇:
|
下一篇:
声明:
本网站引用、摘录或转载内容仅供网站访问者交流或参考,不代表本站立场,如存在版权或非法内容,请联系站长删除,联系邮箱:site.kefu@qq.com。
相关推荐
贝士德FA180-400T4变频器使用说明书:[7]
阅读量:112
贝士德FC160-22T4变频器使用说明书:[9]
阅读量:65
贝士德FC160-22T4变频器使用说明书:[8]
阅读量:196
贝士德FC160-22T4变频器使用说明书:[6]
阅读量:107
贝士德FC160-22T4变频器使用说明书:[10]
阅读量:78
猜你喜欢
生活中的财政学
生活就像一杯白开水
湖南交通职业技术学院怎么样
自学钢琴入门怎么学
兰蔻的护肤品怎么样
党员组织生活会
动态壁纸怎么用
立方米符号怎么打
如何让女生喜欢自己
计步器怎么用
猜你喜欢
经期怎么减肥最有效
志愿怎么填报
血压低怎么办吃什么好得快
生活小故事
rst是什么意思
厦门英才学校怎么样
如何给文件设置密码
ppt如何自动播放
如何察言观色
现在投资商铺怎么样