小度生活
首页
美食营养
手工爱好
生活家居
返回
小度生活
首页
美食营养
游戏数码
手工爱好
生活家居
健康养生
运动户外
职场理财
情感交际
母婴教育
时尚美容
知识问答
生活知识
生活百科
搜索
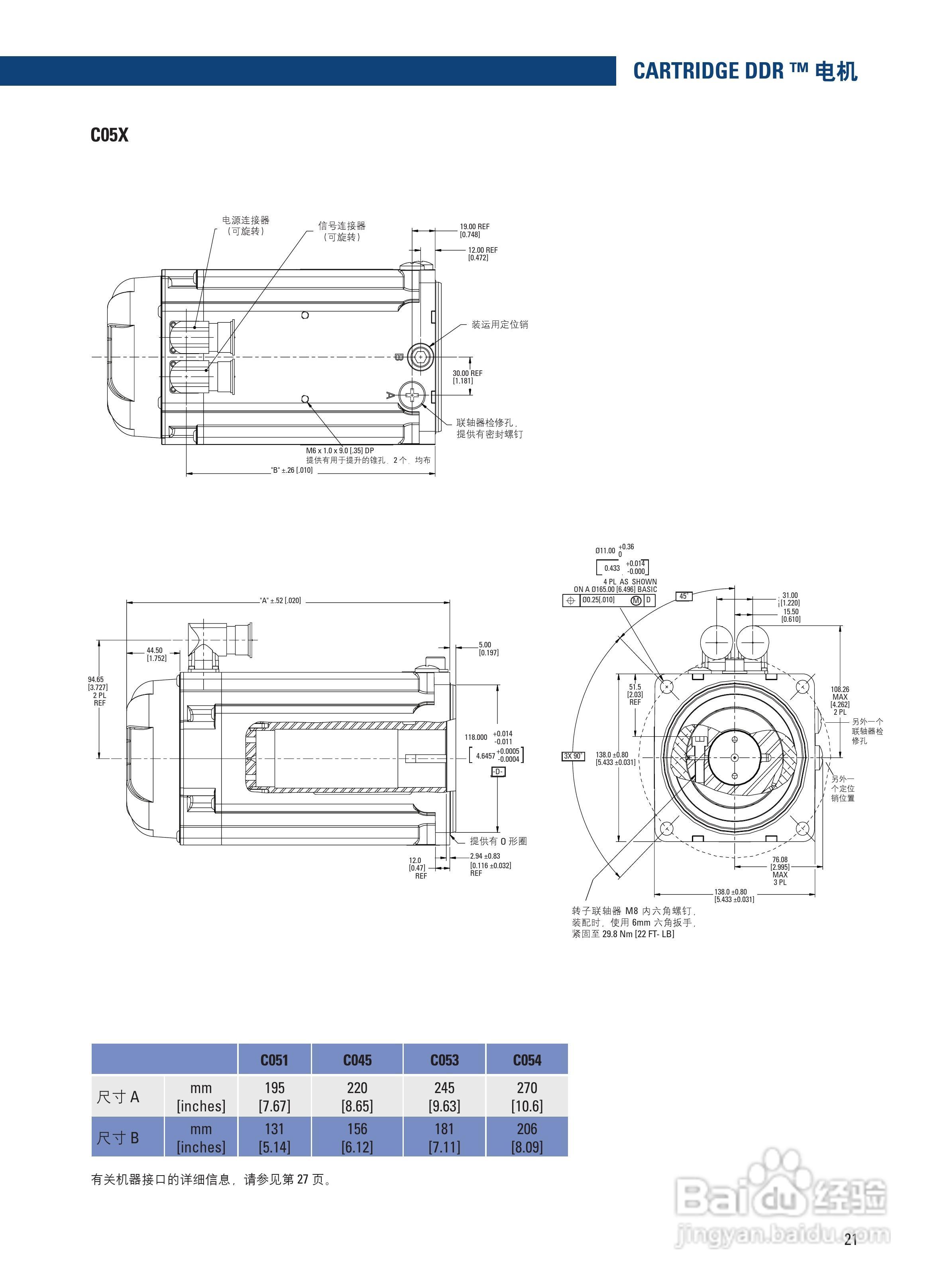
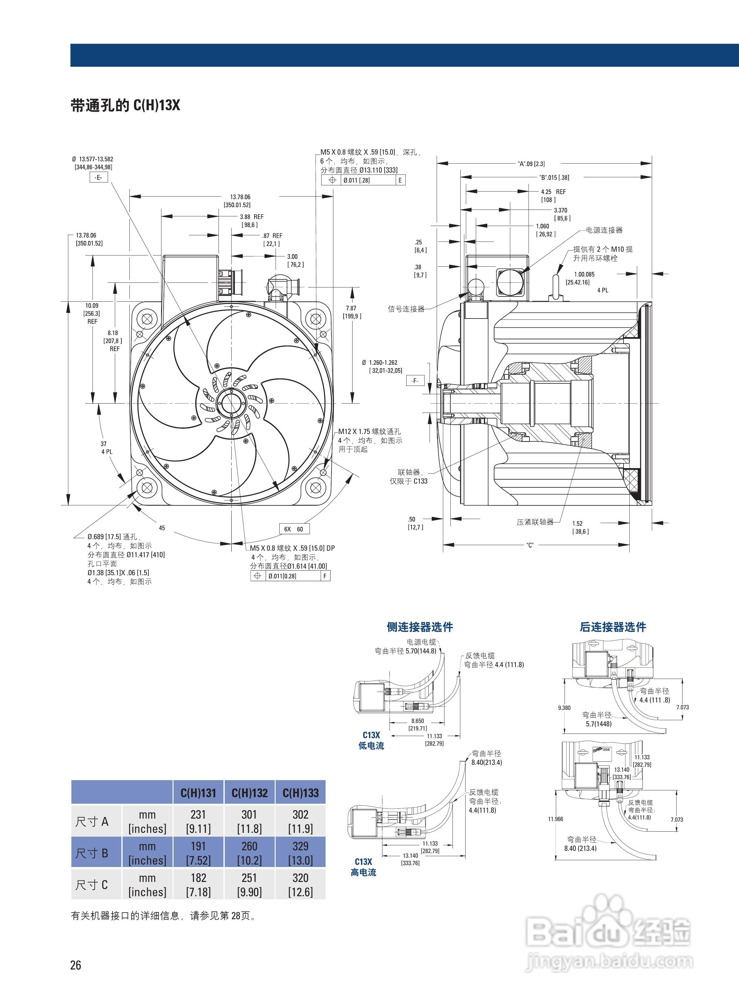
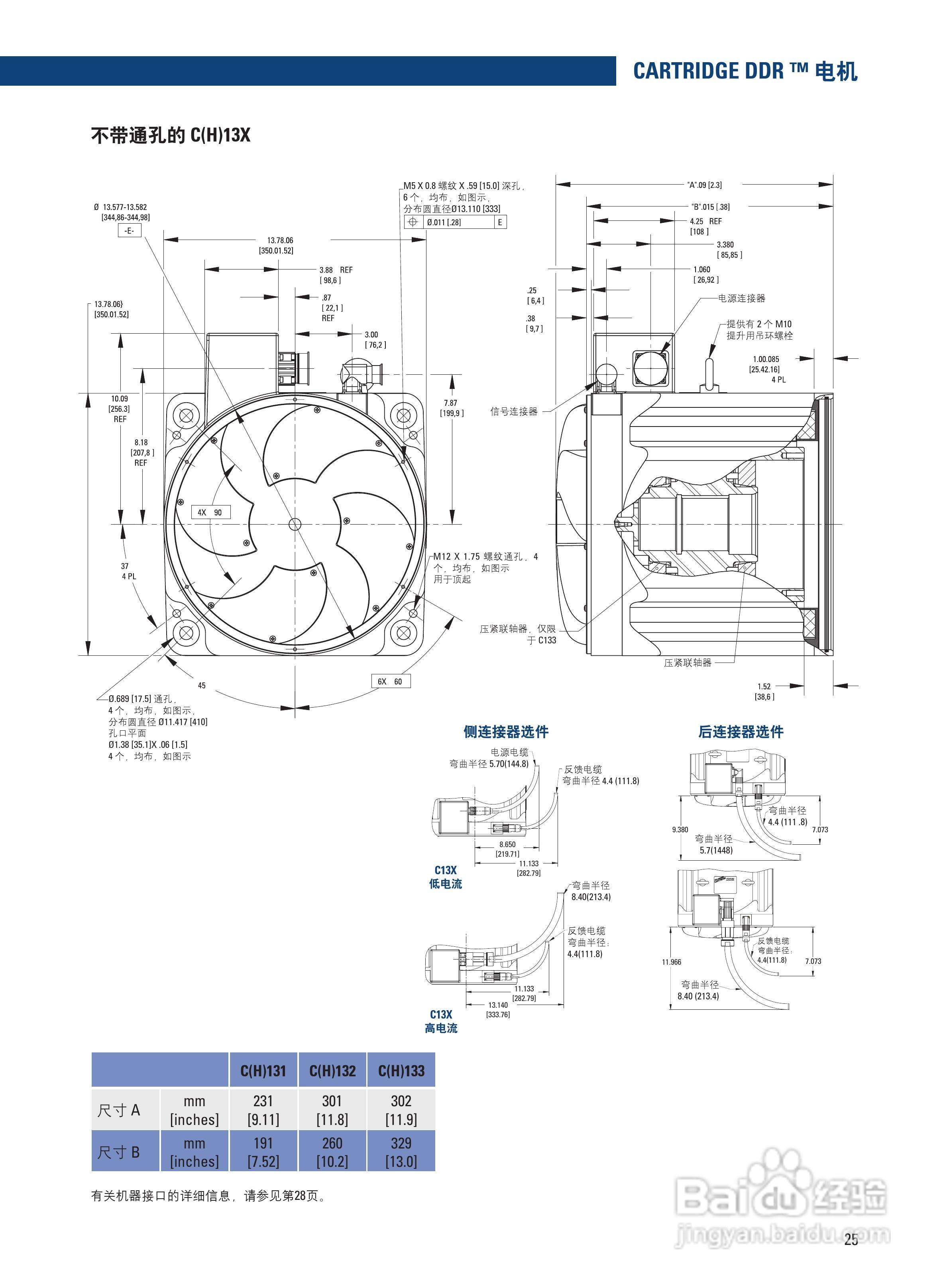
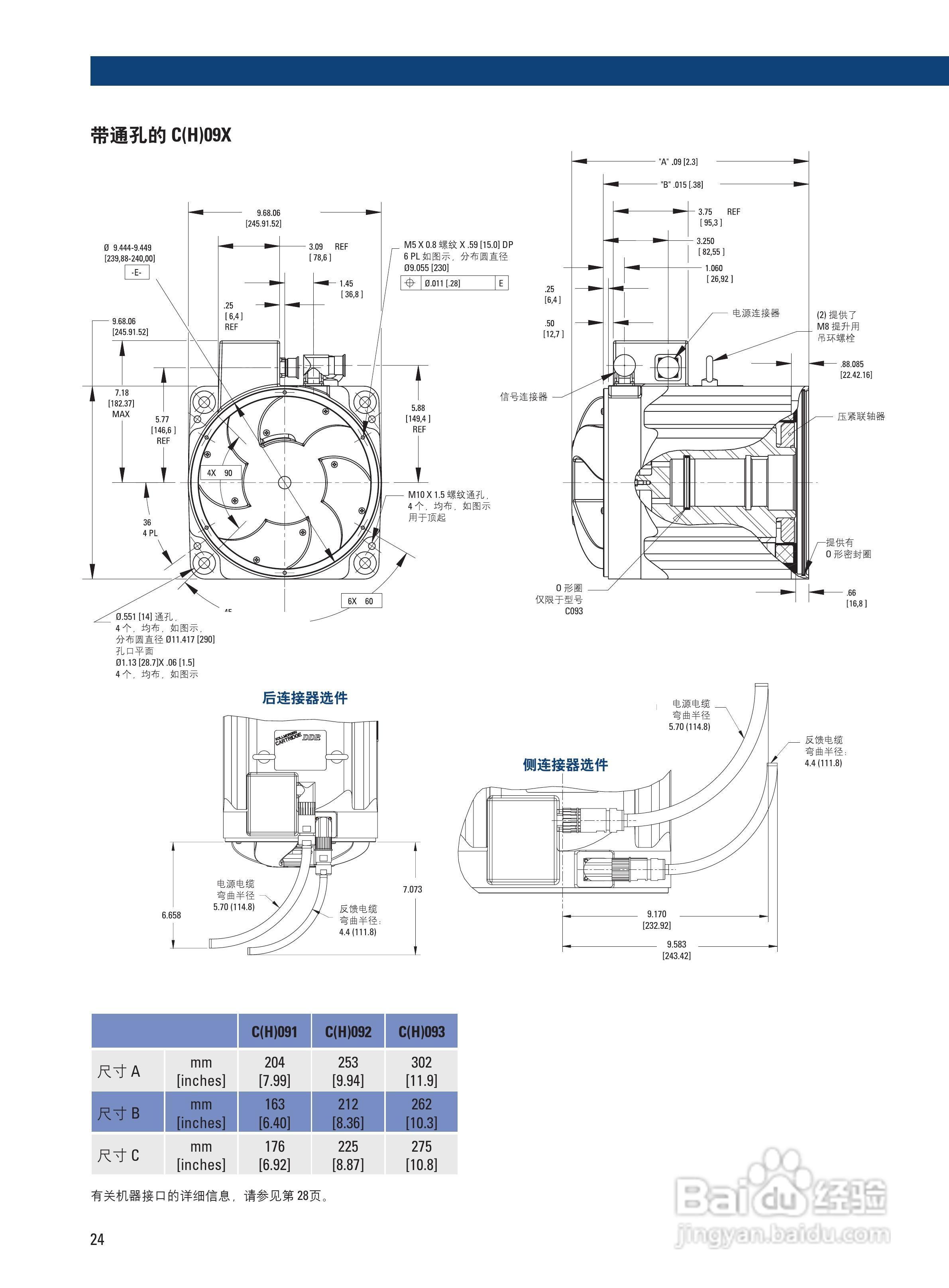
丹纳赫CDDR系列伺服马达说明书:[3]
2026-04-27 05:42:33
本篇为《丹纳赫CDDR系列伺服马达说明书》,主要介绍该产品的使用方法以及常见故障解决方案。
(共篇)
上一篇:
声明:
本网站引用、摘录或转载内容仅供网站访问者交流或参考,不代表本站立场,如存在版权或非法内容,请联系站长删除,联系邮箱:site.kefu@qq.com。
相关推荐
丹纳赫CDDR系列伺服马达说明书:[2]
阅读量:173
丹纳赫AKM系列伺服马达说明书:[3]
阅读量:79
丹纳赫DDR系列伺服马达说明书:[2]
阅读量:63
丹纳赫AKM系列伺服马达说明书:[4]
阅读量:43
丹纳赫防爆电机说明书:[3]
阅读量:89
猜你喜欢
汗牛充栋什么意思
蛋鸡养殖
高考什么时候出成绩
互联网+是什么意思
风油精是什么梗
乱的部首是什么
维生素e的作用和功效
开封有什么好玩的地方
打破沙锅问到底是什么意思
小孩呕吐是什么原因
猜你喜欢
心有猛虎细嗅蔷薇什么意思
goodyear是什么轮胎
维生素b12的作用
land rover是什么车
朋友过生日送什么好
养什么宠物好
玉米什么时候传入中国
快递费计入什么科目
什么是月相
霍乱是什么