小度生活
首页
美食营养
手工爱好
生活家居
返回
小度生活
首页
美食营养
游戏数码
手工爱好
生活家居
健康养生
运动户外
职场理财
情感交际
母婴教育
时尚美容
知识问答
生活知识
搜索
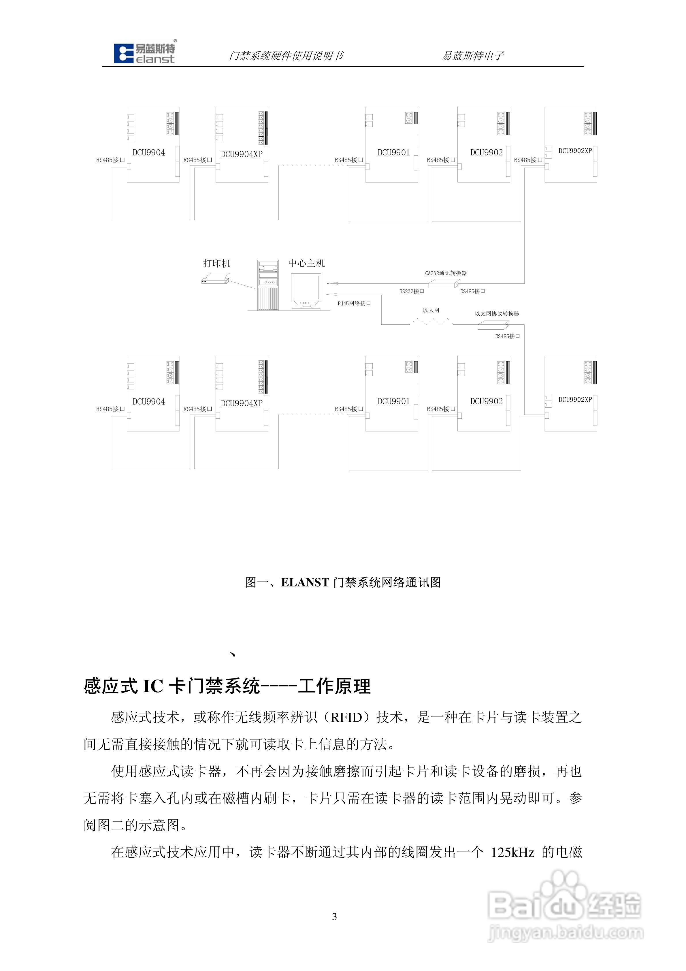
易蓝斯特DCU990X门禁控制器使用说明书:[1]
2026-02-07 18:17:46
本篇为《易蓝斯特DCU990X门禁控制器使用说明书》,主要介绍该产品的使用方法以及常见故障解决方案。
(共篇)
下一篇:
声明:
本网站引用、摘录或转载内容仅供网站访问者交流或参考,不代表本站立场,如存在版权或非法内容,请联系站长删除,联系邮箱:site.kefu@qq.com。
相关推荐
易蓝斯特DCU990X门禁控制器使用说明书:[4]
阅读量:133
DCU9904门禁控制器硬件说明书:[1]
阅读量:180
DCU9904门禁控制器硬件说明书:[5]
阅读量:149
DCU9904门禁控制器硬件说明书:[3]
阅读量:36
DCU9904门禁控制器硬件说明书:[4]
阅读量:116
猜你喜欢
信用卡是什么
肾功能不全是什么意思
pms是什么意思
一树梨花压海棠是什么意思
计算机应用技术是学什么的
怀孕初期有什么症状
办准生证需要什么证件
精日是什么意思
什么地回答
工商管理是学什么的
猜你喜欢
stk一al00是华为什么型号
我学会了什么作文
闭关是什么意思
什么是碳水化合物
什么是留守儿童
ma是什么意思
偈语是什么意思
任性是什么意思
啾啾是什么意思
读数和写数都从什么位起