小度生活
首页
美食营养
手工爱好
生活家居
返回
小度生活
首页
美食营养
游戏数码
手工爱好
生活家居
健康养生
运动户外
职场理财
情感交际
母婴教育
时尚美容
知识问答
生活知识
生活百科
搜索
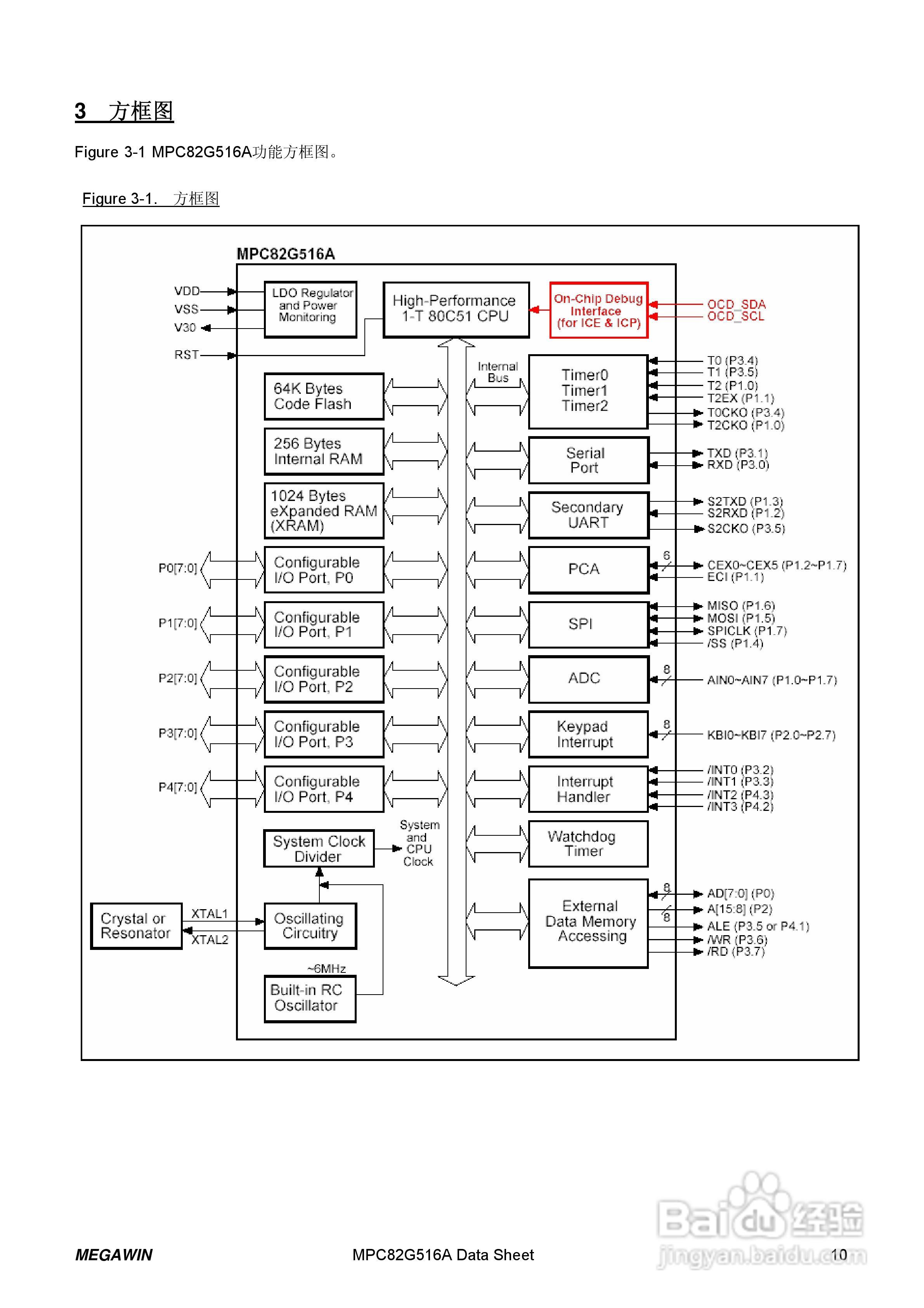
Megawin MPC82G516A 8 位微处理器用户手册:[2]
2026-04-16 15:57:25
本篇为《Megawin MPC82G516A 8 位微处理器用户手册》,主要介绍该产品的使用方法以及常见故障解决方案。
(共篇)
上一篇:
|
下一篇:
声明:
本网站引用、摘录或转载内容仅供网站访问者交流或参考,不代表本站立场,如存在版权或非法内容,请联系站长删除,联系邮箱:site.kefu@qq.com。
相关推荐
MEGAWIN MG82FG216 8 位微处理器用户手册:[8]
阅读量:149
MEGAWIN MG82FG216 8 位微处理器用户手册:[12]
阅读量:100
MEGAWIN MG82FG216 8 位微处理器用户手册:[4]
阅读量:169
8g内存虚拟内存怎么设置最好
阅读量:127
8.0地狱火堡垒老一怎么单刷
阅读量:103
猜你喜欢
嘉峪关在哪里
长江商学院在哪里
云浮旅游景点大全
年度工作总结怎么写
qq扫一扫在哪里
打印机如何清零
盐城旅游团
dnf寂静城在哪里
红米手机质量怎么样
桂圆干泡水喝的功效
猜你喜欢
胸部发育不良怎么办
怎么能让皮肤变好
天邪鬼赤哪里多
蒸汽电熨斗怎么用
如何治疗颈椎病
如何唱好歌
宝宝头上长痱子怎么办
珠海哪里好玩的景点
如何给路由器设置密码
潮汕人怎么样