小度生活
首页
美食营养
手工爱好
生活家居
返回
小度生活
首页
美食营养
游戏数码
手工爱好
生活家居
健康养生
运动户外
职场理财
情感交际
母婴教育
时尚美容
知识问答
生活知识
搜索
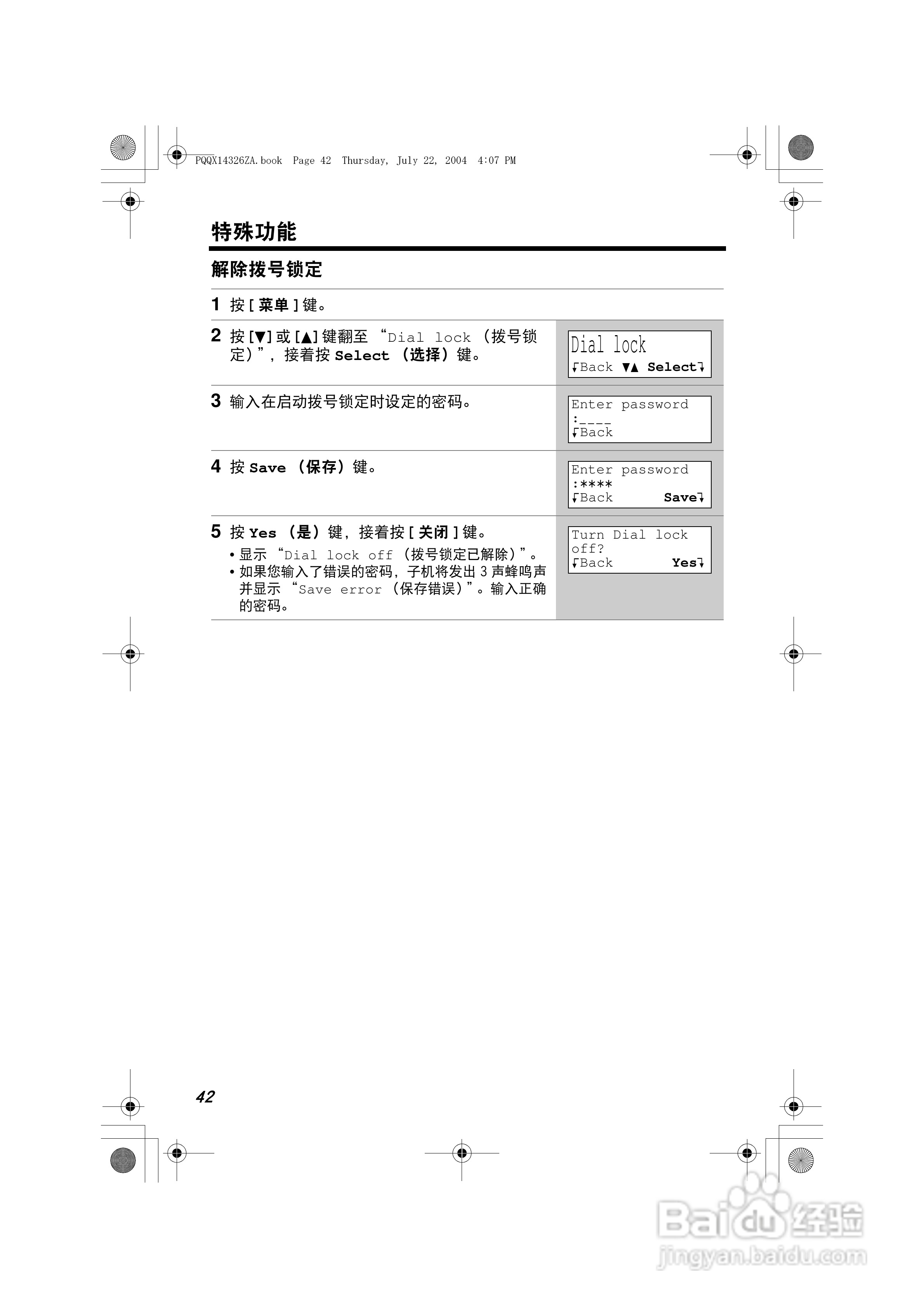
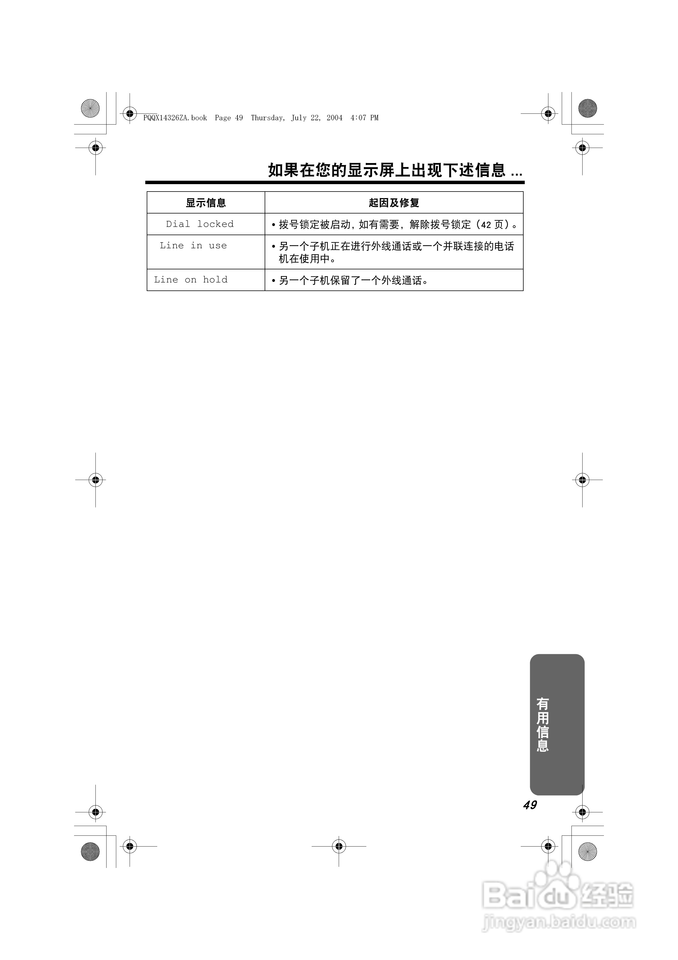
松下无绳电话KX-TG2369CN使用说明书:[5]
2026-02-06 08:43:21
(共篇)
上一篇:
|
下一篇:
声明:
本网站引用、摘录或转载内容仅供网站访问者交流或参考,不代表本站立场,如存在版权或非法内容,请联系站长删除,联系邮箱:site.kefu@qq.com。
相关推荐
嵌入式ARM开发板中QT界面的汉化
阅读量:165
汽车电子使用大功率TVS管解析
阅读量:138
DSO5202M数字存储示器使用说明书:[5]
阅读量:71
打高尔夫该如何把球打直
阅读量:103
mwp文件怎么打开
阅读量:49
猜你喜欢
如何增大男性生殖器
如何自学韩语
生活教会我微笑
羁绊是什么意思
生活的启示
膜法传奇1853怎么样
鼠标自动点击怎么办
友邦集成吊顶怎么样
ps中如何画直线
沧州职业技术学院怎么样
猜你喜欢
如何炒汇
be是什么意思
生活如此多娇
工资会计分录怎么做
失业保险金如何计算
上海链家地产怎么样
tnt是什么意思
生活用品
奥杜尔老一怎么单刷
南京机电职业技术学院怎么样