小度生活
首页
美食营养
手工爱好
生活家居
返回
小度生活
首页
美食营养
游戏数码
手工爱好
生活家居
健康养生
运动户外
职场理财
情感交际
母婴教育
时尚美容
知识问答
生活知识
生活百科
搜索
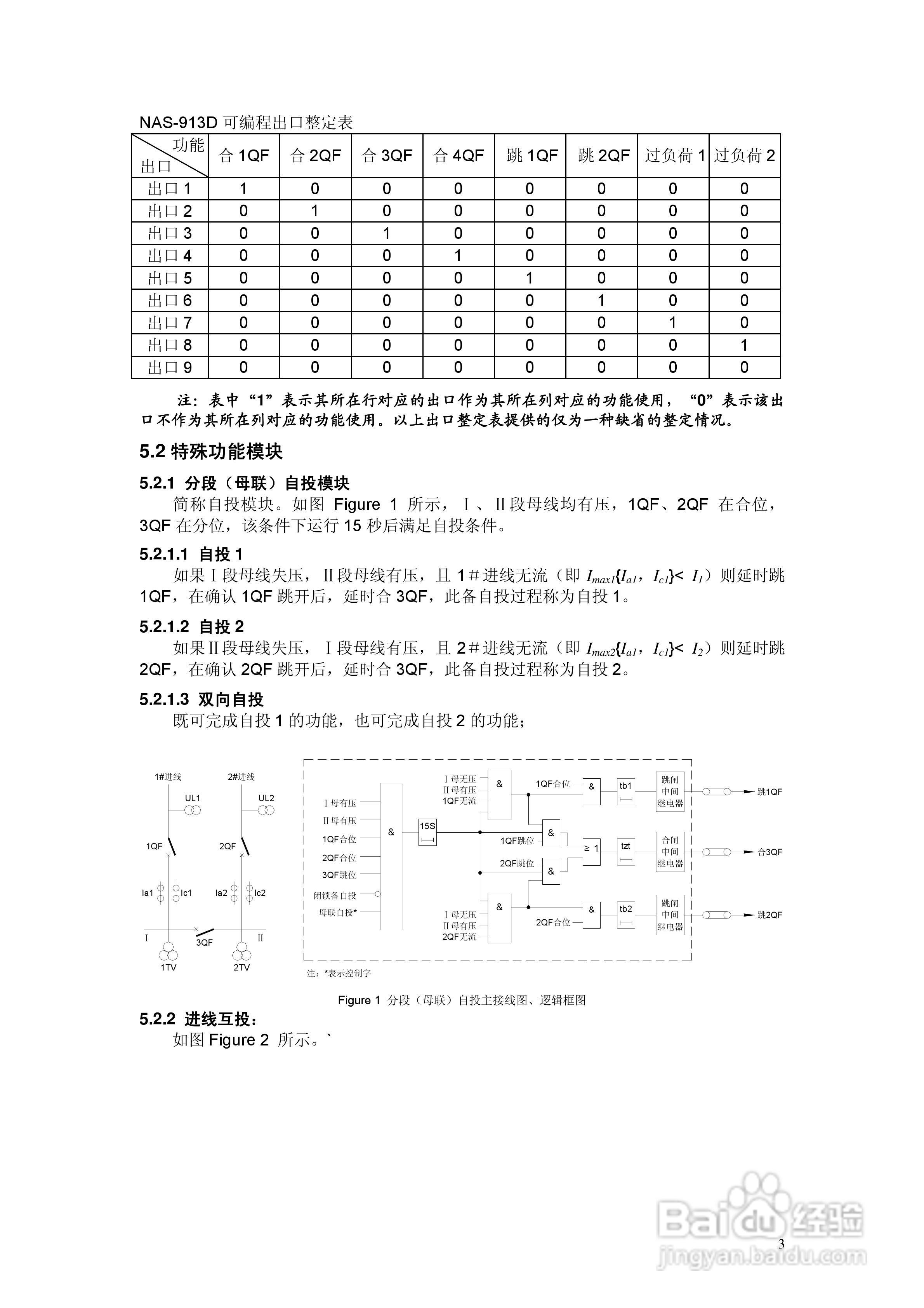
NAS913微机备用电源自投装置说明书V2.2:[1]
2026-04-10 06:47:23
本篇为《NAS913微机备用电源自投装置说明书V2.2》,主要介绍该产品的使用方法以及常见故障解决方案。
(共篇)
下一篇:
声明:
本网站引用、摘录或转载内容仅供网站访问者交流或参考,不代表本站立场,如存在版权或非法内容,请联系站长删除,联系邮箱:site.kefu@qq.com。
相关推荐
NAS913微机备用电源自投装置说明书V2.2:[2]
阅读量:81
LDS-246 数字式备用电源自投装置说明书:[1]
阅读量:158
LDS-246 数字式备用电源自投装置说明书:[2]
阅读量:159
金智科技WDZ-5276备用电源自投保护测控装置说明书:[2]
阅读量:88
LDS-246 数字式备用电源自投装置说明书:[3]
阅读量:166
猜你喜欢
胎停有什么症状或征兆吗
warm是什么意思
刮痧板什么材质的好
group是什么意思
shall是什么意思
疝气是什么病图片
pretty是什么意思
极兔速递属于什么快递公司
浩字五行属什么
魇是什么意思
猜你喜欢
物理是什么
孕检挂什么科
牛奶丝是什么面料
rear是什么意思
胎位loa是什么意思
1981年属什么生肖
jd是什么意思
sum是什么意思
肛门口有个肉疙瘩是什么
什么头什么气