小度生活
首页
美食营养
手工爱好
生活家居
返回
小度生活
首页
美食营养
游戏数码
手工爱好
生活家居
健康养生
运动户外
职场理财
情感交际
母婴教育
时尚美容
知识问答
生活知识
生活百科
搜索
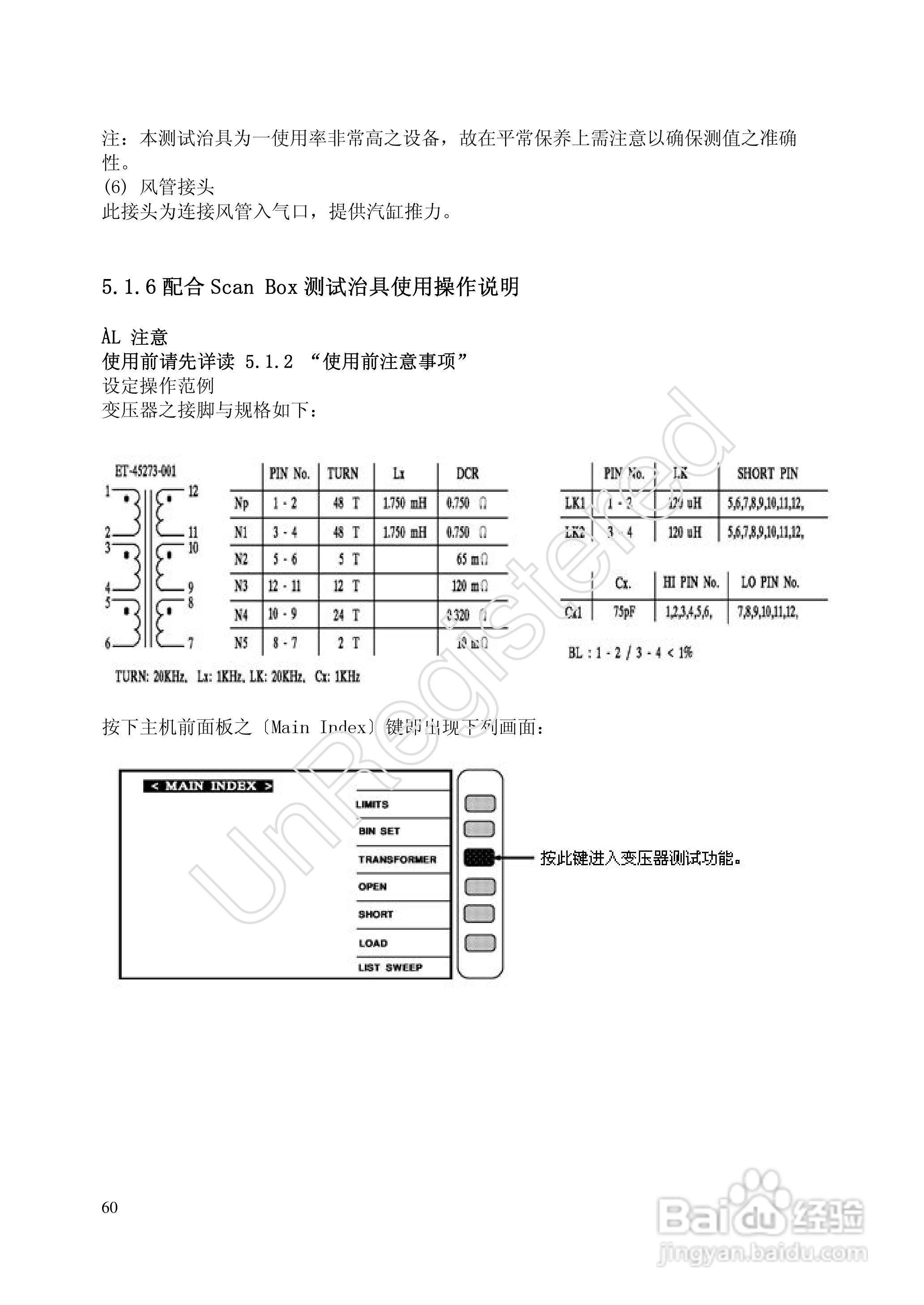
洪铭电子HM2798 变压器综合参数测试仪说明书:[6]
2026-03-29 17:04:16
本篇为《洪铭电子HM2798 变压器综合参数测试仪说明书》,主要介绍该产品的使用方法以及常见故障解决方案。
(共篇)
上一篇:
|
下一篇:
声明:
本网站引用、摘录或转载内容仅供网站访问者交流或参考,不代表本站立场,如存在版权或非法内容,请联系站长删除,联系邮箱:site.kefu@qq.com。
相关推荐
洪铭电子HM2798 变压器综合参数测试仪说明书:[9]
阅读量:194
变压器变比测试仪测试方法
阅读量:131
变压器满负载的测试方法
阅读量:190
变压器有载分接开关测试仪使用方法
阅读量:89
变压器有载分接开关测试仪操作方法
阅读量:118
猜你喜欢
怎么改dns
大概的近义词
解析包出现问题怎么办
兰花叶子发黄怎么办
工作汇报怎么写
凉拌藕片怎么做好吃
男生烫什么发型好看
展现的近义词是什么
鼓励的近义词
怎么快速消除黑眼圈
猜你喜欢
鱼丸怎么做好吃
电表怎么看度数图解
椎间盘突出怎么治疗
理解的近义词
pin码忘了怎么办
宝宝感冒吃什么药
四川师范大学怎么样
饱满的近义词
经常感冒
眼结石是怎么形成的