小度生活
首页
美食营养
手工爱好
生活家居
返回
小度生活
首页
美食营养
游戏数码
手工爱好
生活家居
健康养生
运动户外
职场理财
情感交际
母婴教育
时尚美容
知识问答
搜索
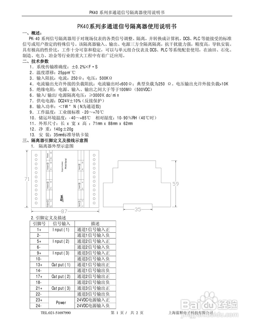
上海域信PK40系列多通道信号隔离器使用说明书
2025-11-10 11:11:07
声明:
本网站引用、摘录或转载内容仅供网站访问者交流或参考,不代表本站立场,如存在版权或非法内容,请联系站长删除,联系邮箱:site.kefu@qq.com。
相关推荐
苏州迅鹏XP系列双通道信号隔离器说明书
阅读量:63
如何给信号隔离器选型
阅读量:187
信号隔离器接线方式
阅读量:103
苏州迅鹏XP 系列信号隔离器说明书
阅读量:75
苏州迅鹏XP系列频率信号隔离器说明书
阅读量:173
猜你喜欢
什么是中间件
风声鹤唳的意思
期房是什么意思
become是什么意思
美不胜收的意思
芝麻糊的功效与作用
mac是什么意思
什么是富二代
皇菊的功效与作用
胖人穿什么裙子显瘦
猜你喜欢
黑玛咖的功效与作用
信用卡最低还款额是什么意思
中药白芍的功效与作用
狭隘的意思
抖s是什么意思是
985 211是什么意思
专心致志的意思
忐忑的意思
什么聊天软件好
agoni是什么意思