小度生活
首页
美食营养
手工爱好
生活家居
返回
小度生活
首页
美食营养
游戏数码
手工爱好
生活家居
健康养生
运动户外
职场理财
情感交际
母婴教育
时尚美容
知识问答
生活知识
搜索
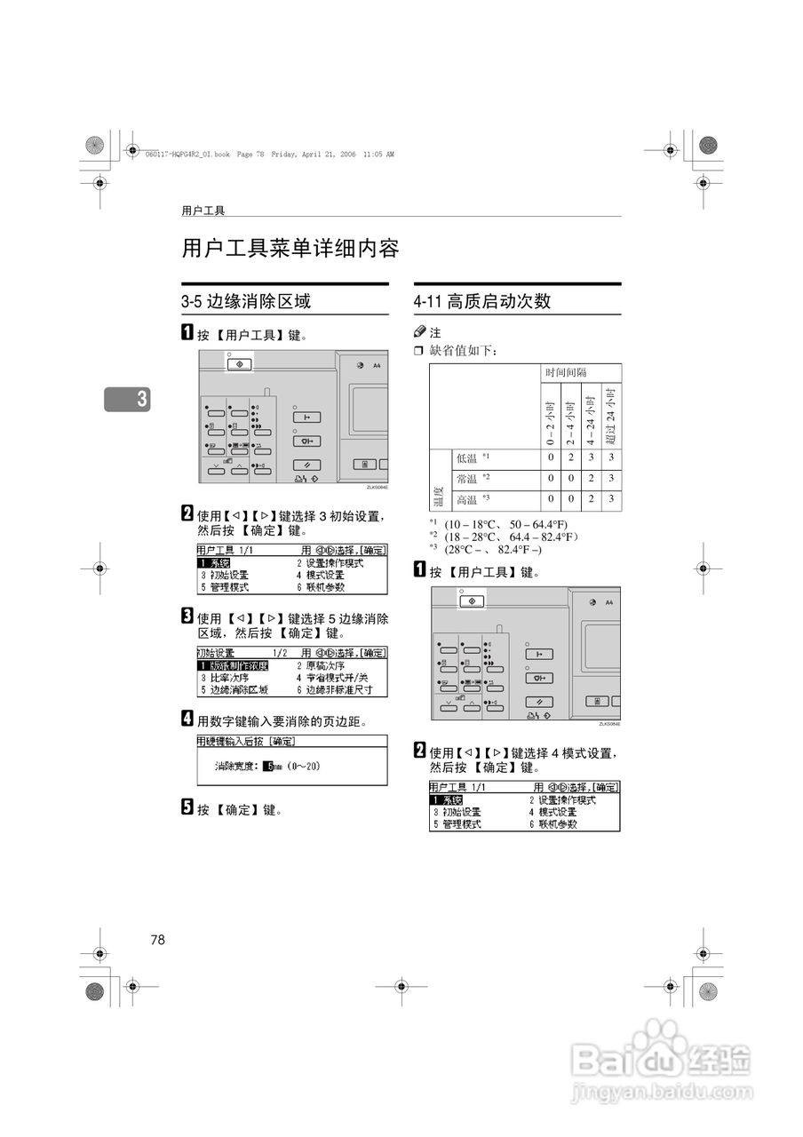
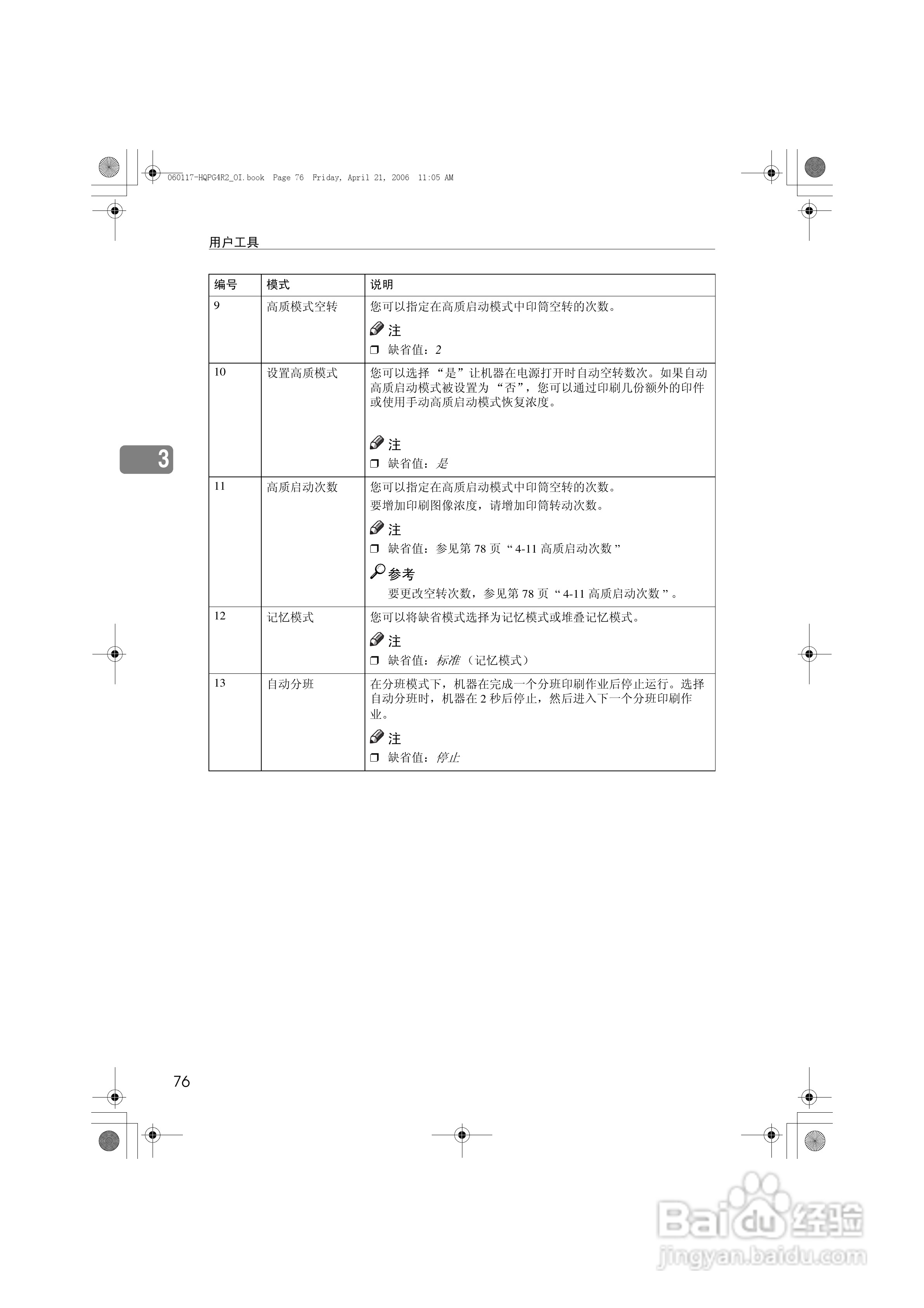
基士得耶CP6401P一体机使用说明书:[10]
2025-12-28 18:50:48
本篇为《基士得耶CP6401P一体机使用说明书》,主要介绍该产品的使用方法以及常见故障解决方案。
(共篇)
上一篇:
|
下一篇:
声明:
本网站引用、摘录或转载内容仅供网站访问者交流或参考,不代表本站立场,如存在版权或非法内容,请联系站长删除,联系邮箱:site.kefu@qq.com。
相关推荐
基士得耶CP6401P一体机使用说明书:[11]
阅读量:153
使用说明书封面怎么做
阅读量:118
使用说明书wf2651使用指南
阅读量:196
基士得耶CP6401P一体机使用说明书:[13]
阅读量:64
基士得耶CP6401P一体机使用说明书:[6]
阅读量:36
猜你喜欢
徐悲鸿以画什么闻名世界
独角兽企业什么意思
普洱茶作用
运动会铅球广播稿
居住证续期需要什么材料
桑葚泡酒的功效与作用
英语必修一知识点总结
浙江有什么好玩的
藕是莲的什么
什么的蒲公英
猜你喜欢
当归的功效与作用吃法
松花粉的功效与作用
卧室适合放什么植物
技校学什么好
磁环的作用
办理房产证需要什么手续
clannad什么意思
夏天开的花有什么
炒白术的功效与作用
菊花茶的功效与作用