小度生活
首页
美食营养
手工爱好
生活家居
返回
小度生活
首页
美食营养
游戏数码
手工爱好
生活家居
健康养生
运动户外
职场理财
情感交际
母婴教育
时尚美容
知识问答
生活知识
生活百科
搜索
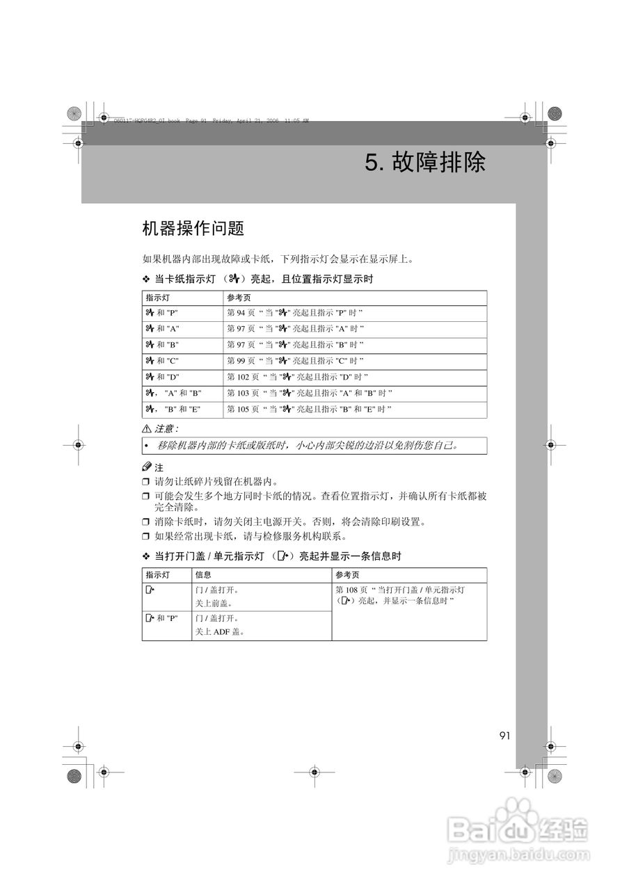
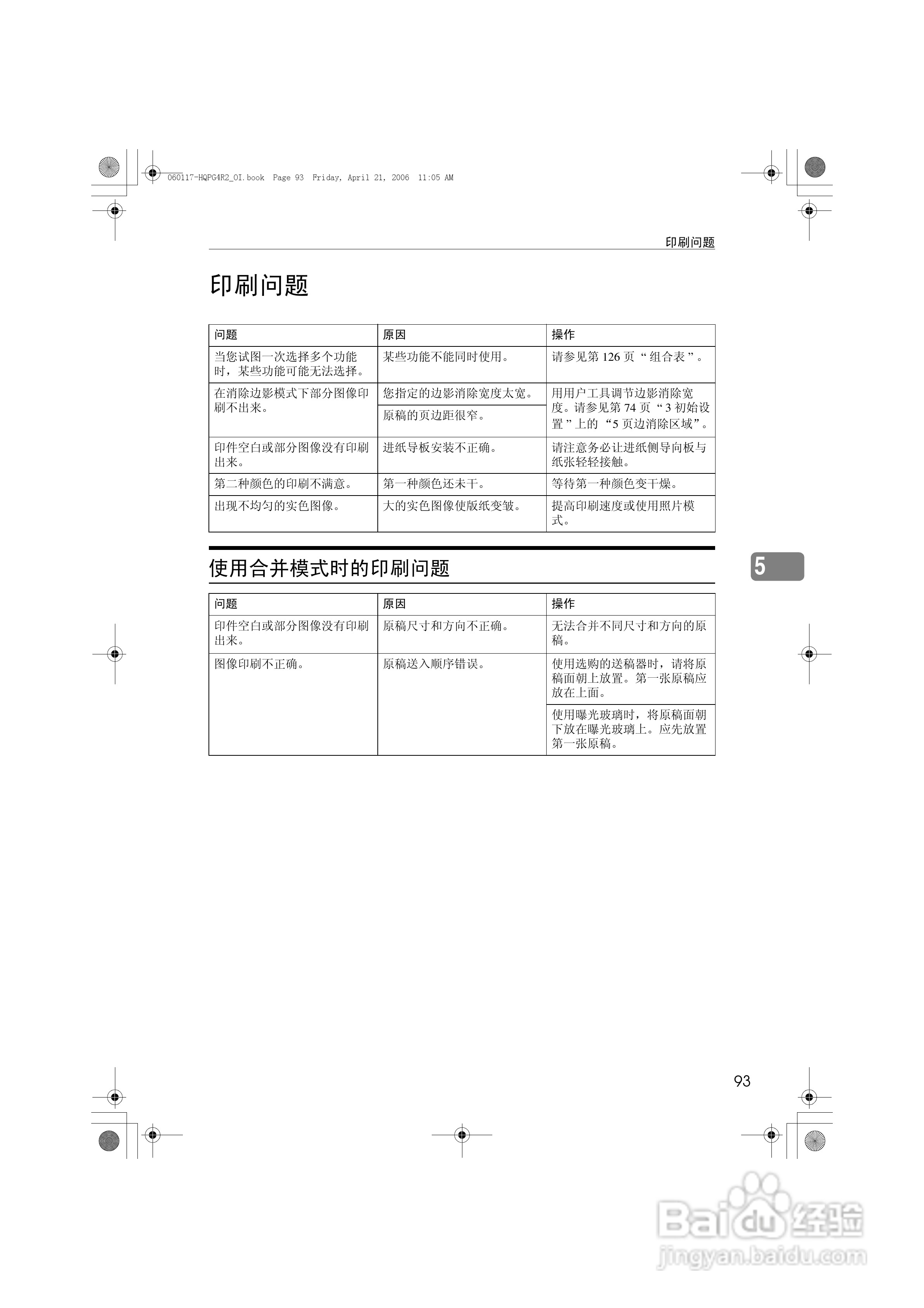
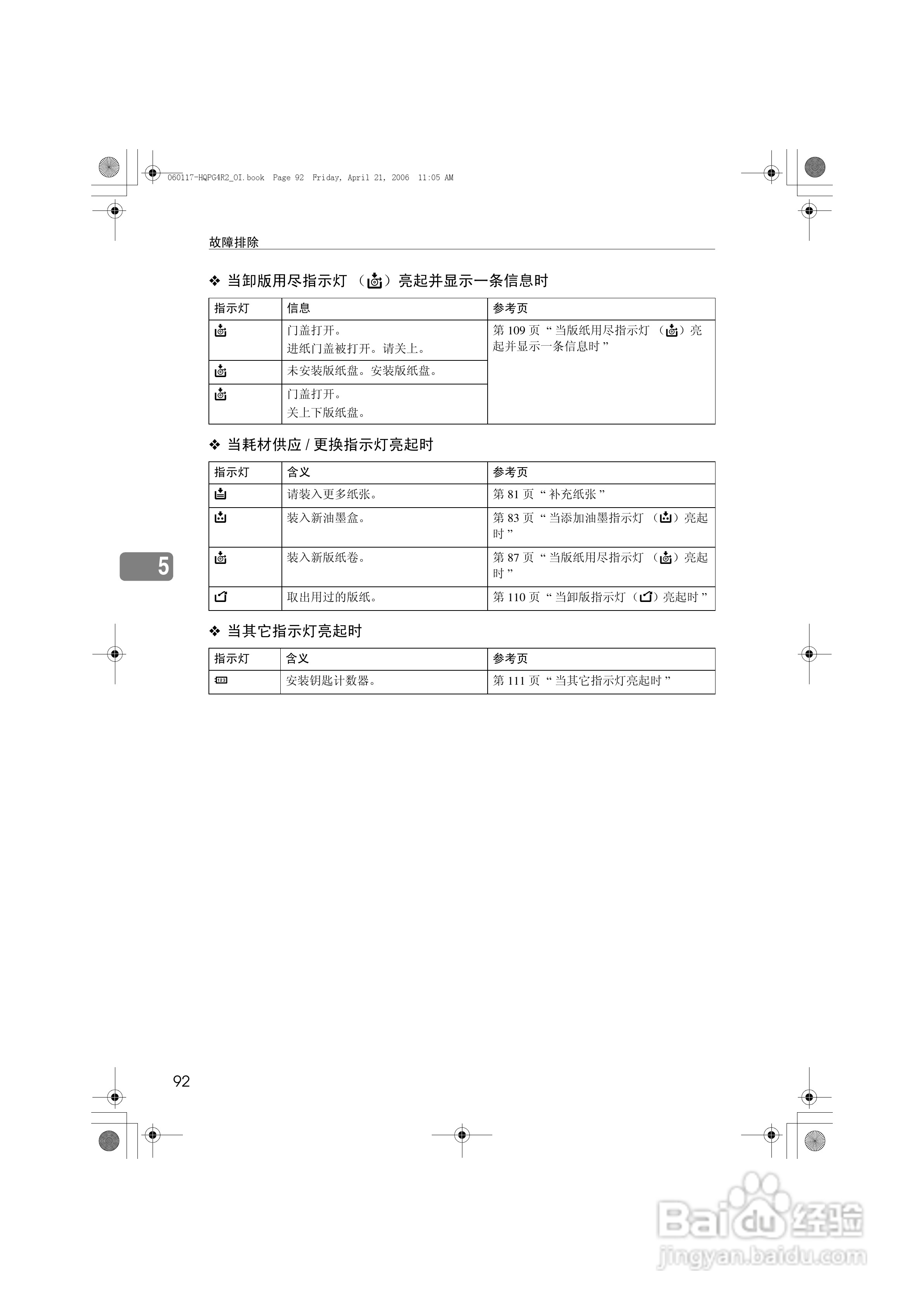
基士得耶CP6401P一体机使用说明书:[11]
2026-06-01 05:38:20
本篇为《基士得耶CP6401P一体机使用说明书》,主要介绍该产品的使用方法以及常见故障解决方案。
(共篇)
上一篇:
|
下一篇:
声明:
本网站引用、摘录或转载内容仅供网站访问者交流或参考,不代表本站立场,如存在版权或非法内容,请联系站长删除,联系邮箱:site.kefu@qq.com。
相关推荐
日立RZ-KX180KT电子压力锅使用说明书:[5]
阅读量:132
M8831非隔离LED恒流驱动芯片 完美替换CS7208
阅读量:61
德维DHEP三相电源用户说明书:[2]
阅读量:63
三星VYH-700 MP3播放器使用说明书:[2]
阅读量:49
HP VP6100系列数位投影机使用手册:[2]
阅读量:51
猜你喜欢
千什么万什么成语
剖腹产后多久可以运动
舍本逐末是什么意思
绝处逢生的绝是什么意思
昆布是什么
颈椎病的最好3种运动
眼花缭乱的意思是什么
什么改变了我作文
wps功能是什么
轴距是什么意思
猜你喜欢
火把节是什么节日
拉杆箱什么牌子好
独特的近义词是什么
干巴爹是什么意思
同型半胱氨酸是什么
volunteer是什么意思
今天是什么日子啊
养生堂天然维生素c
秋季运动会作文
小露珠像什么