小度生活
首页
美食营养
手工爱好
生活家居
返回
小度生活
首页
美食营养
游戏数码
手工爱好
生活家居
健康养生
运动户外
职场理财
情感交际
母婴教育
时尚美容
知识问答
生活知识
生活百科
搜索
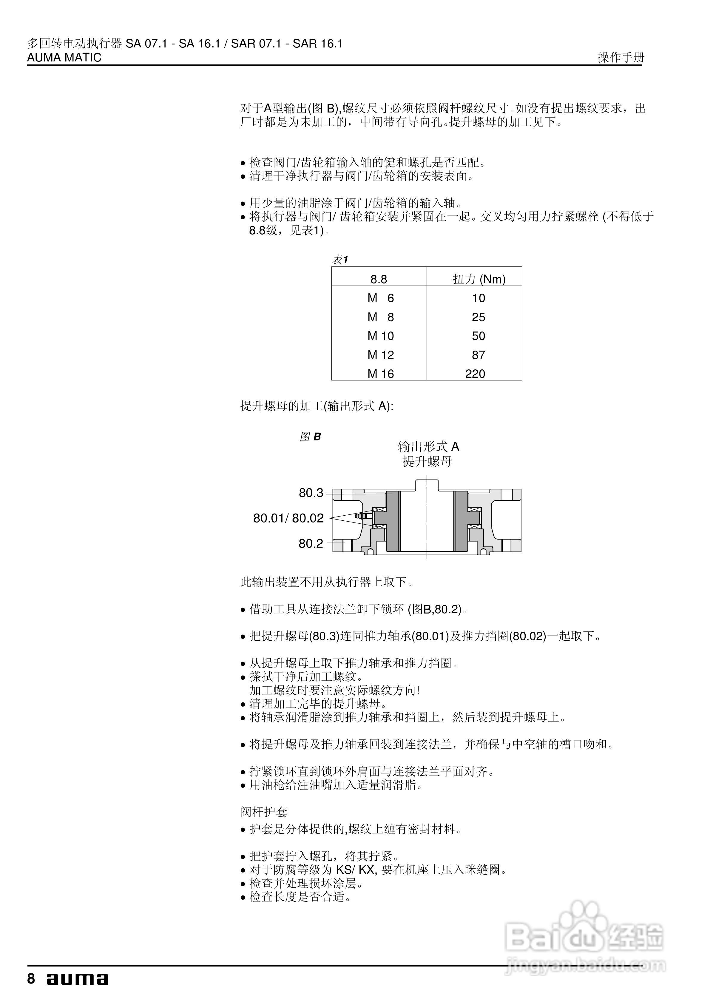
Auma多回转电动执行器操作手册:[1]
2026-04-22 08:45:01
本篇为《Auma多回转电动执行器操作手册》,主要介绍该产品的使用方法以及常见故障解决方案。
(共篇)
下一篇:
声明:
本网站引用、摘录或转载内容仅供网站访问者交流或参考,不代表本站立场,如存在版权或非法内容,请联系站长删除,联系邮箱:site.kefu@qq.com。
相关推荐
Auma多回转电动执行器操作手册:[3]
阅读量:35
Auma多回转电动执行器操作手册:[2]
阅读量:177
SA系列多回转电动执行器使用说明书:[1]
阅读量:165
SA系列多回转电动执行器使用说明书:[3]
阅读量:104
SA系列多回转电动执行器使用说明书:[2]
阅读量:87
猜你喜欢
1月适合去哪里旅游
旅游攻略网站排名
德邦物流待遇怎么样
营业执照到期了怎么办
如何去除青春痘
也门在哪里
如何自学英语
浙江磐安旅游
宿迁学院怎么样
江门大方旅游官网
猜你喜欢
澳门旅游景点
欧洲最大的半岛在哪里
大学生如何创业
塌鼻子怎么变挺
红枣泡水的功效与作用
如何简单的检验自己是不是处
路由器穿墙效果排行榜
删掉的文件怎么恢复
mpp文件怎么打开
若尔盖旅游