小度生活
首页
美食营养
手工爱好
生活家居
返回
小度生活
首页
美食营养
游戏数码
手工爱好
生活家居
健康养生
运动户外
职场理财
情感交际
母婴教育
时尚美容
知识问答
生活知识
生活百科
搜索
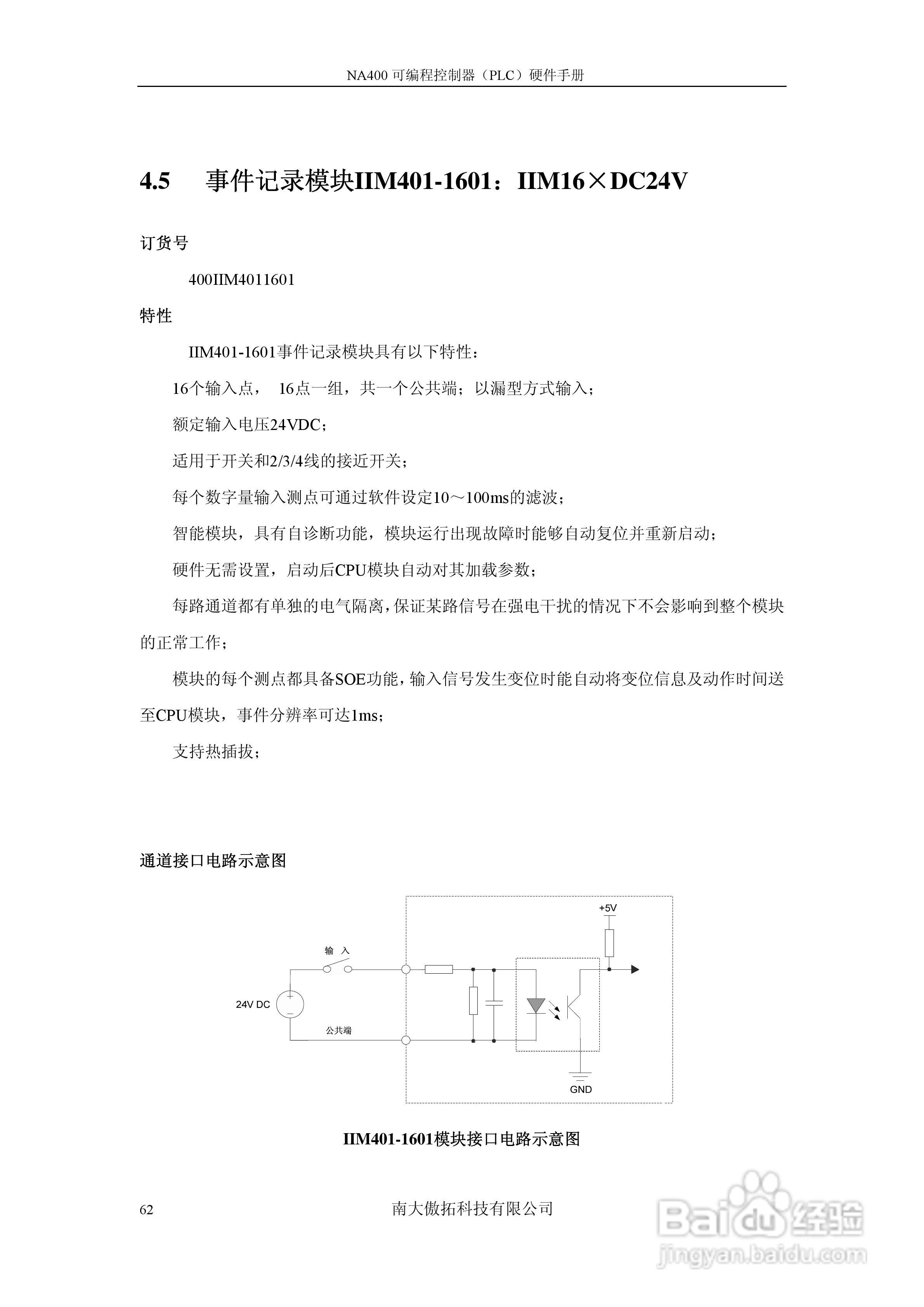
傲拓NA400可编程控制器硬件手册V1.8:[7]
2026-05-23 00:35:27
本篇为《傲拓NA400可编程控制器硬件手册V1.8》,主要介绍该产品的使用方法以及常见故障解决方案。
(共篇)
上一篇:
|
下一篇:
声明:
本网站引用、摘录或转载内容仅供网站访问者交流或参考,不代表本站立场,如存在版权或非法内容,请联系站长删除,联系邮箱:site.kefu@qq.com。
相关推荐
傲拓NA400可编程控制器硬件手册V1.8:[17]
阅读量:184
傲拓NA400可编程控制器硬件手册V1.8:[12]
阅读量:108
可编程控制器的硬件系统组成
阅读量:110
傲拓NA400可编程控制器硬件手册V1.8:[13]
阅读量:117
傲拓NA400可编程控制器硬件手册V1.8:[16]
阅读量:41
猜你喜欢
二手房过户费怎么算
酒精过敏怎么治疗
怎么做冰淇淋
苹果笔记本怎么用
怎么查看电脑ip地址
苦瓜怎么吃
电脑c盘满了怎么办
可瑞康羊奶粉怎么样
孩子作业慢怎么办
手机怎么连接打印机
猜你喜欢
微信背景怎么变成黑色了
微信怎么发说说
金枝玉叶怎么养
羽毛球用英语怎么说
新生儿感冒鼻塞怎么办
笔名怎么取
怎么炖鸡
亚麻籽怎么吃
不想写作业怎么办
微信扫一扫黑屏怎么回事