小度生活
首页
美食营养
手工爱好
生活家居
返回
小度生活
首页
美食营养
游戏数码
手工爱好
生活家居
健康养生
运动户外
职场理财
情感交际
母婴教育
时尚美容
知识问答
生活知识
搜索
南瑞继保RCS-9609遥信采集装置使用说明书:[4]
2026-03-01 00:49:12
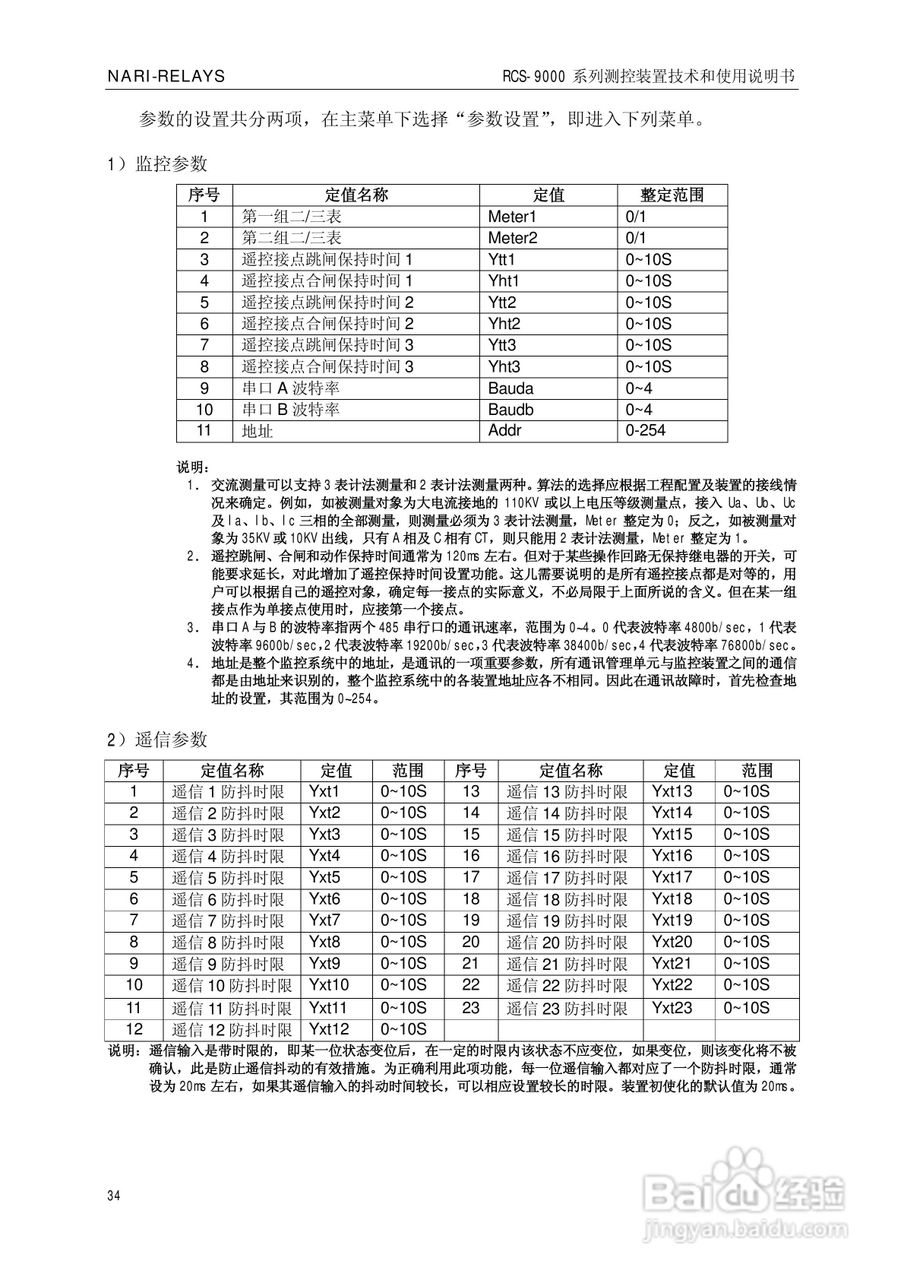
本篇为《南瑞继保RCS-9609遥信采集装置使用说明书》,主要介绍该产品的使用方法以及常见故障解决方案。
(共篇)
上一篇:
|
下一篇:
声明:
本网站引用、摘录或转载内容仅供网站访问者交流或参考,不代表本站立场,如存在版权或非法内容,请联系站长删除,联系邮箱:site.kefu@qq.com。
相关推荐
南瑞继保RCS-9609遥信采集装置使用说明书:[3]
阅读量:157
南瑞继保RCS-9609遥信采集装置使用说明书:[6]
阅读量:106
南瑞继保RCS-994C频率电压紧急控制装置使用说明书:[4]
阅读量:33
南瑞继保RCS-994C频率电压紧急控制装置使用说明书:[2]
阅读量:141
南瑞继保RCS-994C频率电压紧急控制装置使用说明书:[3]
阅读量:137
猜你喜欢
抖音生日祝福语
搜集的意思
浸润的意思
友情祝福语
士别三日即更刮目相待的意思
天龙八部什么门派好
儿童座椅什么牌子好
install是什么意思
着相了是什么意思
感恩祝福语
猜你喜欢
上海进博会是什么时间
无理取闹的意思
cpu核数是什么意思
natural是什么意思
本色的意思
趾高气扬是什么意思
cable是什么意思
flv格式用什么打开
高考祝福语和鼓励的话
wlan是什么意思