小度生活
首页
美食营养
手工爱好
生活家居
返回
小度生活
首页
美食营养
游戏数码
手工爱好
生活家居
健康养生
运动户外
职场理财
情感交际
母婴教育
时尚美容
知识问答
生活知识
搜索
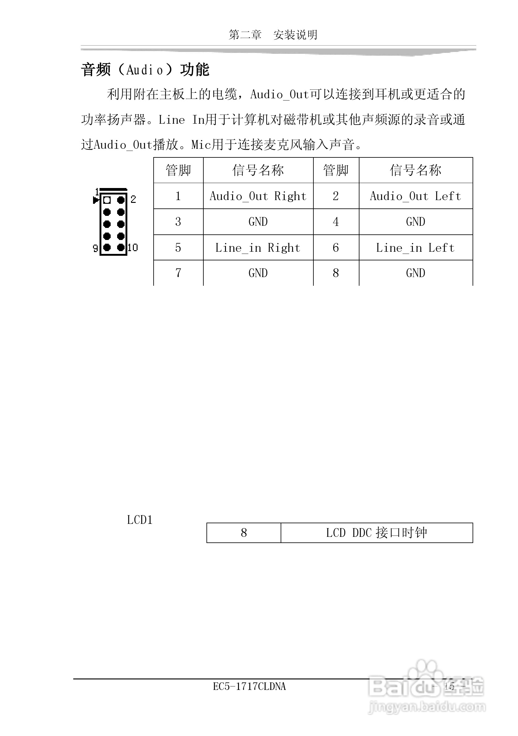
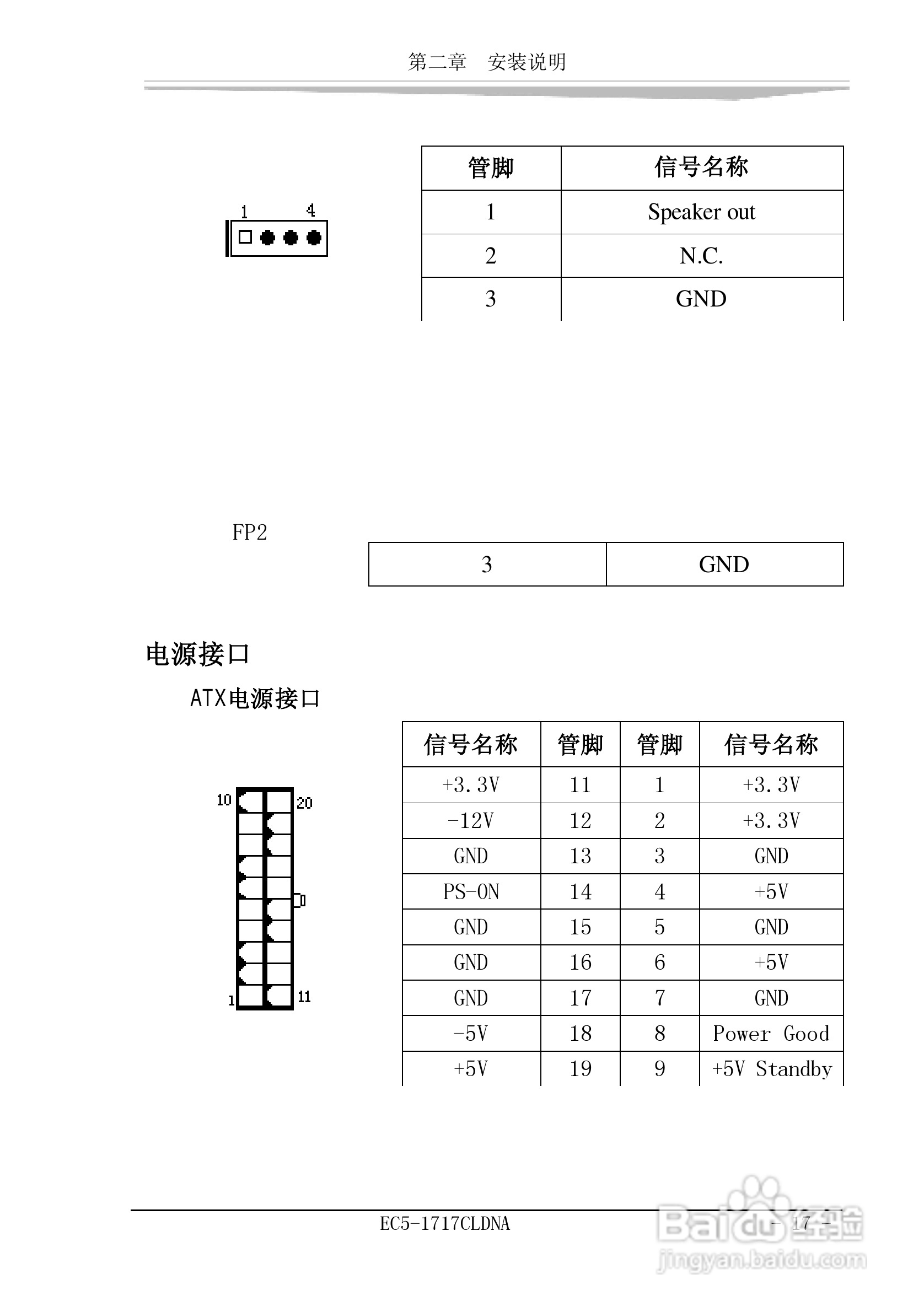
研祥EC5-1717CLDNA工业级CPU板卡说明书:[3]
2025-10-22 19:53:21
本篇为《研祥EC5-1717CLDNA工业级CPU板卡说明书》,主要介绍该产品的使用方法以及常见故障解决方案。
(共篇)
上一篇:
|
下一篇:
声明:
本网站引用、摘录或转载内容仅供网站访问者交流或参考,不代表本站立场,如存在版权或非法内容,请联系站长删除,联系邮箱:site.kefu@qq.com。
相关推荐
研祥EC5-1717CLDNA工业级CPU板卡说明书:[2]
阅读量:166
研祥EC5-1712CLDNA工业级CPU板卡说明书:[3]
阅读量:107
研祥EC5-1712CLDNA工业级CPU板卡说明书:[2]
阅读量:116
研祥EC5-1711CLDNA工业级CPU板卡说明书:[7]
阅读量:87
cpu怎么开启睿频
阅读量:51
猜你喜欢
手机买什么牌子好
空调变频是什么意思
什么的詹天佑
sail是什么意思
大大是什么意思
齐白石最擅长画什么
什么显卡最好
什么是财付通
运动鞋尺码对照表
delay是什么意思
猜你喜欢
父亲节送什么花
con是什么
焦裕禄精神是什么
cellular是什么意思
tft是什么意思
知足常乐是什么意思
北京有什么好玩的
2018是什么生肖年
萝卜干的腌制方法大全
揶揄是什么意思