小度生活
首页
美食营养
手工爱好
生活家居
返回
小度生活
首页
美食营养
游戏数码
手工爱好
生活家居
健康养生
运动户外
职场理财
情感交际
母婴教育
时尚美容
知识问答
生活知识
生活百科
搜索
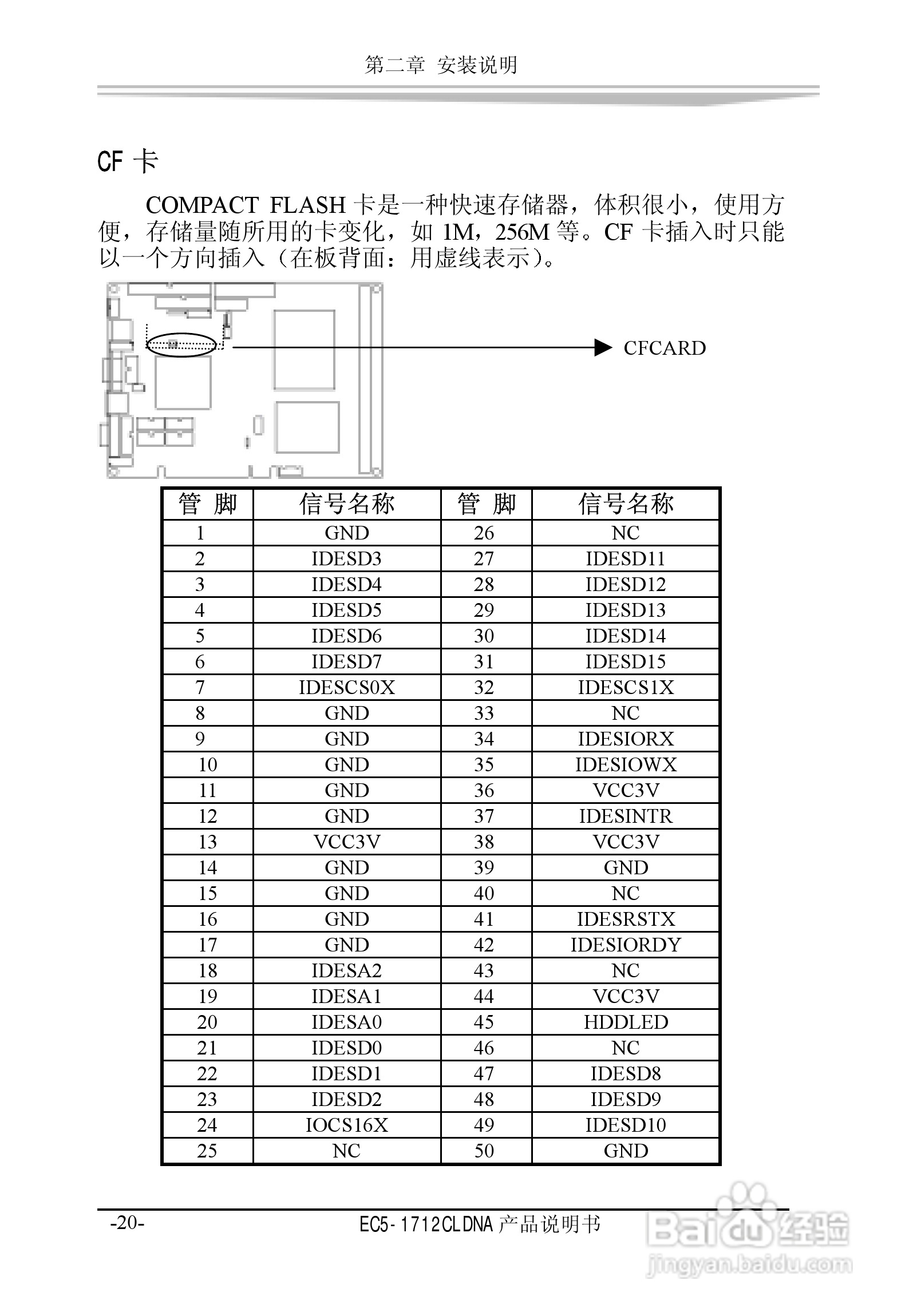
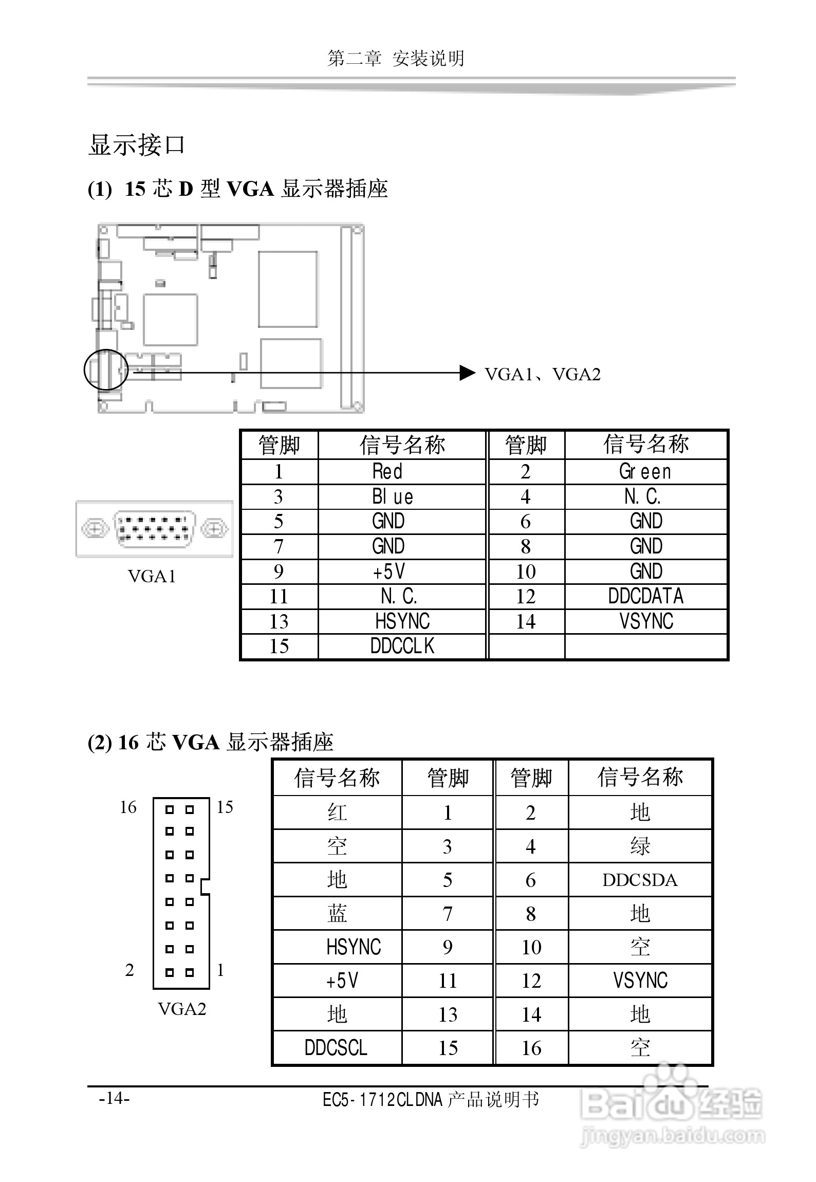
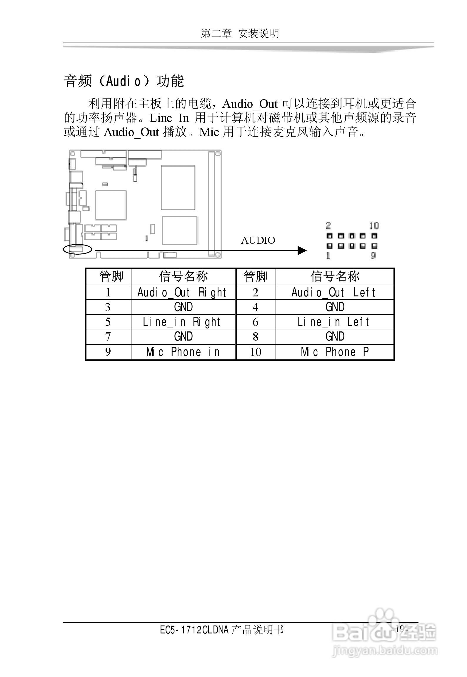
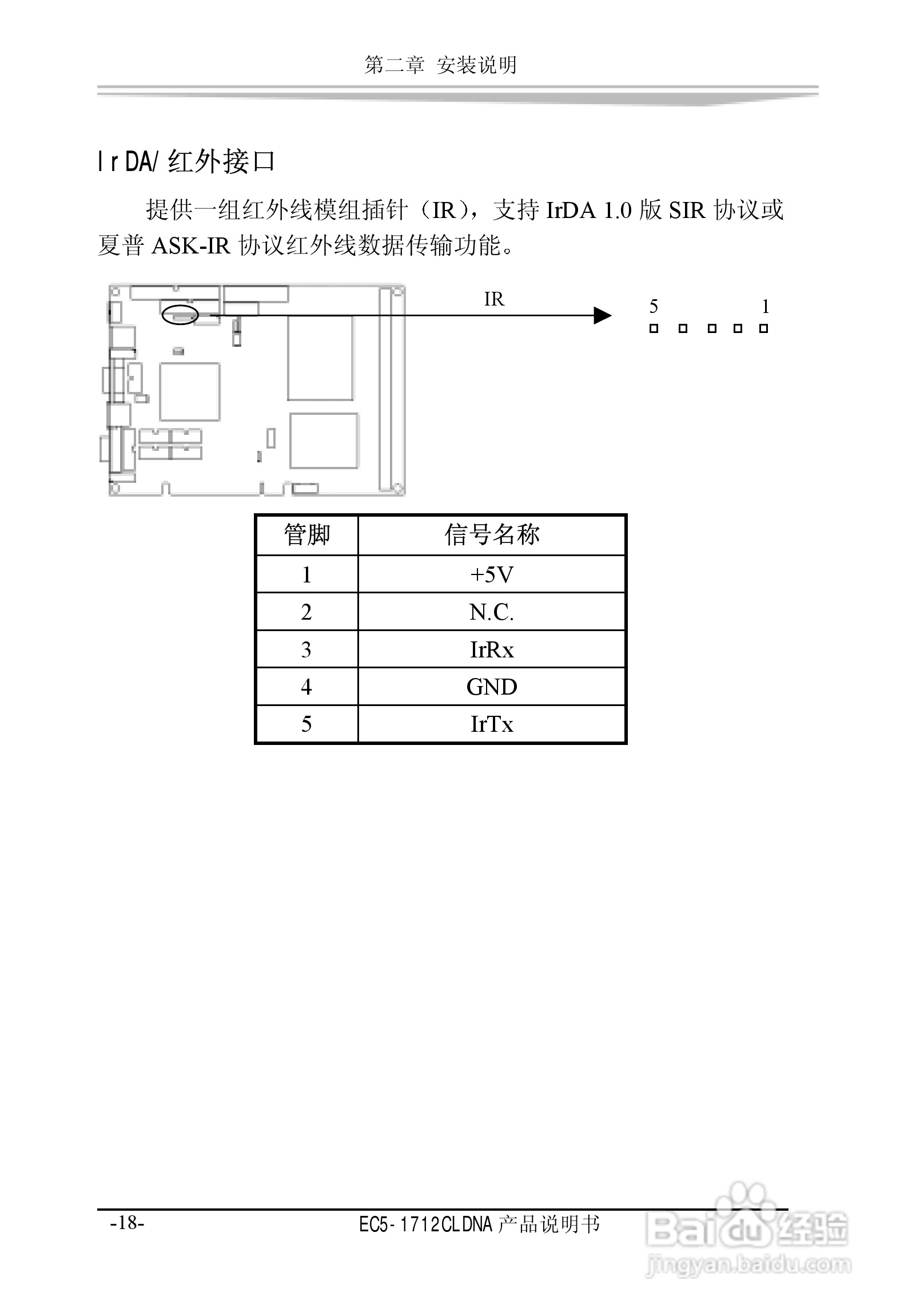
研祥EC5-1712CLDNA工业级CPU板卡说明书:[3]
2026-04-08 19:03:27
本篇为《研祥EC5-1712CLDNA工业级CPU板卡说明书》,主要介绍该产品的使用方法以及常见故障解决方案。
(共篇)
上一篇:
|
下一篇:
声明:
本网站引用、摘录或转载内容仅供网站访问者交流或参考,不代表本站立场,如存在版权或非法内容,请联系站长删除,联系邮箱:site.kefu@qq.com。
相关推荐
研祥EC5-1712CLDNA工业级CPU板卡说明书:[2]
阅读量:75
研祥EC5-1712CLDNA工业级CPU板卡说明书:[8]
阅读量:46
研祥EC5-1717CLDNA工业级CPU板卡说明书:[3]
阅读量:60
研祥EC5-1711CLDNA工业级CPU板卡说明书:[6]
阅读量:39
cpu怎么开启睿频
阅读量:136
猜你喜欢
鸡腿菇种植方法
怎么进入路由器
水晶肘子的家常做法
别墅大门图片大全
毛囊炎的最佳治疗方法
奇迹弓箭手怎么加点
无名指麻木是怎么回事
痔疮的最佳治疗方法
包子馅做法大全
家常素菜100道
猜你喜欢
炒西兰花怎么做好吃
福特皮卡车大全价格
店铺名字大全
漫画大全之无彩翼漫
天龙八部重楼怎么得
血小板减少治疗方法
数独题目大全
勃起不持久锻炼方法
腰部扭伤的治疗方法
苹果手机怎么查真伪