小度生活
首页
美食营养
手工爱好
生活家居
返回
小度生活
首页
美食营养
游戏数码
手工爱好
生活家居
健康养生
运动户外
职场理财
情感交际
母婴教育
时尚美容
知识问答
生活知识
搜索
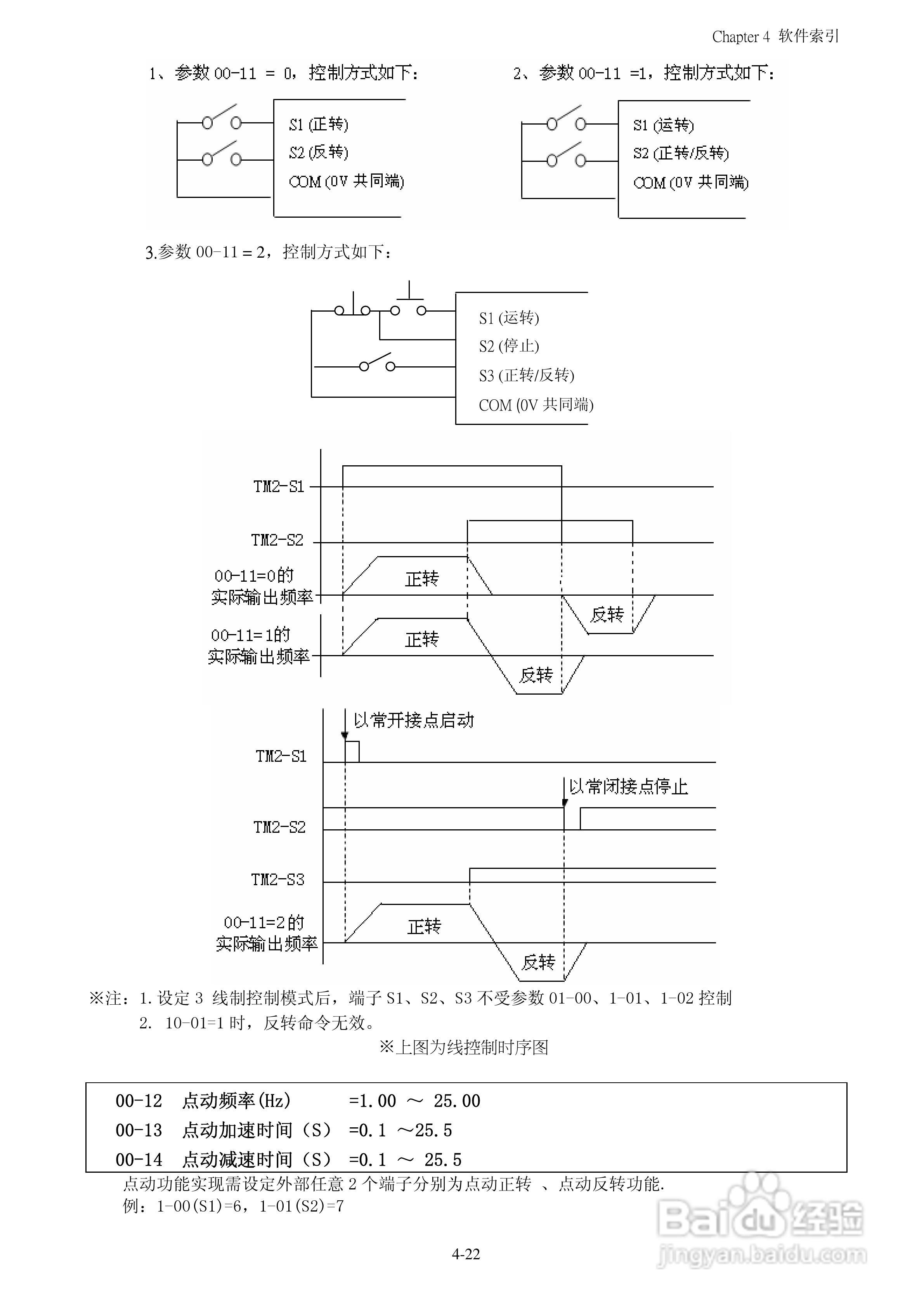
FATEK FID-N1-550-43X变频器使用说明书:[6]
2026-02-06 05:06:28
本篇为《FATEK FID-N1-550-43X变频器使用说明书》,主要介绍该产品的使用方法以及常见故障解决方案。
(共篇)
上一篇:
|
下一篇:
声明:
本网站引用、摘录或转载内容仅供网站访问者交流或参考,不代表本站立场,如存在版权或非法内容,请联系站长删除,联系邮箱:site.kefu@qq.com。
相关推荐
FATEK FID-N1-550-43X变频器使用说明书:[9]
阅读量:174
FATEK FID-S1-015-21变频器使用说明书:[6]
阅读量:156
FATEK FID-S1-015-21变频器使用说明书:[4]
阅读量:172
FATEK FID-S1-015-21变频器使用说明书:[2]
阅读量:163
使用说明书封面怎么做
阅读量:90
猜你喜欢
地高辛的作用
什么是同工同酬
冬季传染病预防知识
醋泡洋葱的功效与作用
马黛茶的功效与作用
哥伦比亚户外运动鞋
初二生物上册知识点
茶水晶的功效与作用
旖旎什么意思
关于心理健康的知识
猜你喜欢
什么是海啸
草长莺飞什么意思
校运动会广播稿
橄榄油的功效与作用
2015年什么年
片姜黄的功效与作用
c本能开什么车
知识青年上山下乡
运动会稿子100字
历史知识点