小度生活
首页
美食营养
手工爱好
生活家居
返回
小度生活
首页
美食营养
游戏数码
手工爱好
生活家居
健康养生
运动户外
职场理财
情感交际
母婴教育
时尚美容
知识问答
生活知识
搜索
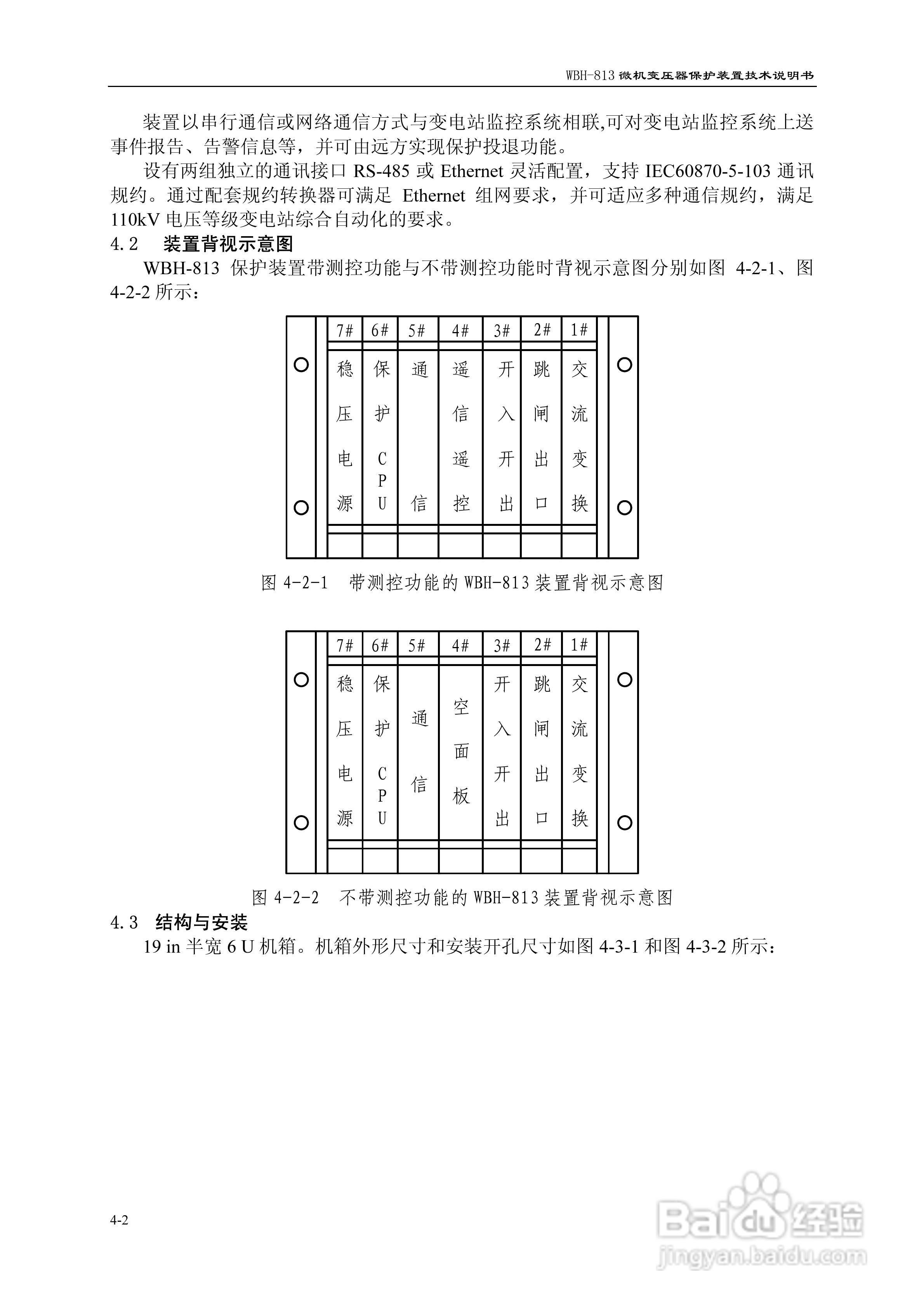
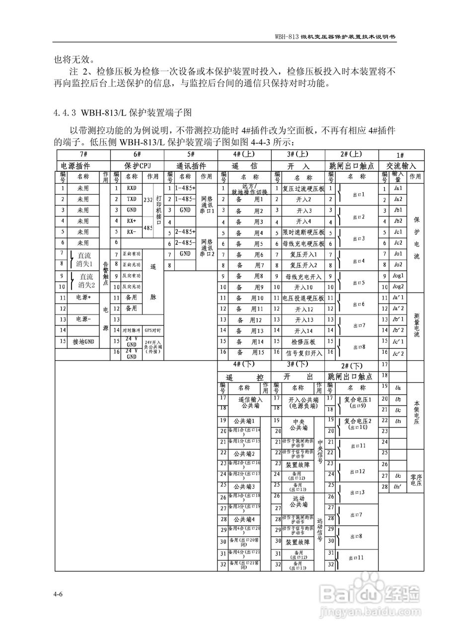
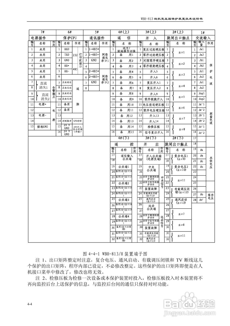
许继WBH-813微机变压器保护装置技术说明书:[3]
2025-10-21 09:12:33
本篇为《许继WBH-813微机变压器保护装置技术说明书》,主要介绍该产品的使用方法以及常见故障解决方案。
(共篇)
上一篇:
|
下一篇:
声明:
本网站引用、摘录或转载内容仅供网站访问者交流或参考,不代表本站立场,如存在版权或非法内容,请联系站长删除,联系邮箱:site.kefu@qq.com。
相关推荐
WBH-818A微机变压器保护装置技术说明书:[3]
阅读量:37
许继WBH-801A微机变压器保护装置技术说明书:[4]
阅读量:62
许继WBH-801A微机变压器保护装置技术说明书:[5]
阅读量:189
WBH-818A微机变压器保护装置技术说明书:[6]
阅读量:159
变压器有载分接开关测试仪使用方法
阅读量:20
猜你喜欢
upset是什么意思
什么叫动车组
track是什么意思
情人节祝福语
逝者如斯夫不舍昼夜的意思
ps用什么软件好
玩lol需要什么配置
广州最近有什么活动
跳失率是什么意思
送给爸爸的祝福语
猜你喜欢
australia是什么意思中文
敏而好学是什么意思
卜算子送鲍浩然之浙东的意思
给长辈的祝福语
潸潸的意思
print是什么意思
国考什么时候缴费
股票净资产是什么意思
胜利的证明有什么用
什么化妆品祛斑效果好