小度生活
首页
美食营养
手工爱好
生活家居
返回
小度生活
首页
美食营养
游戏数码
手工爱好
生活家居
健康养生
运动户外
职场理财
情感交际
母婴教育
时尚美容
知识问答
生活知识
生活百科
搜索
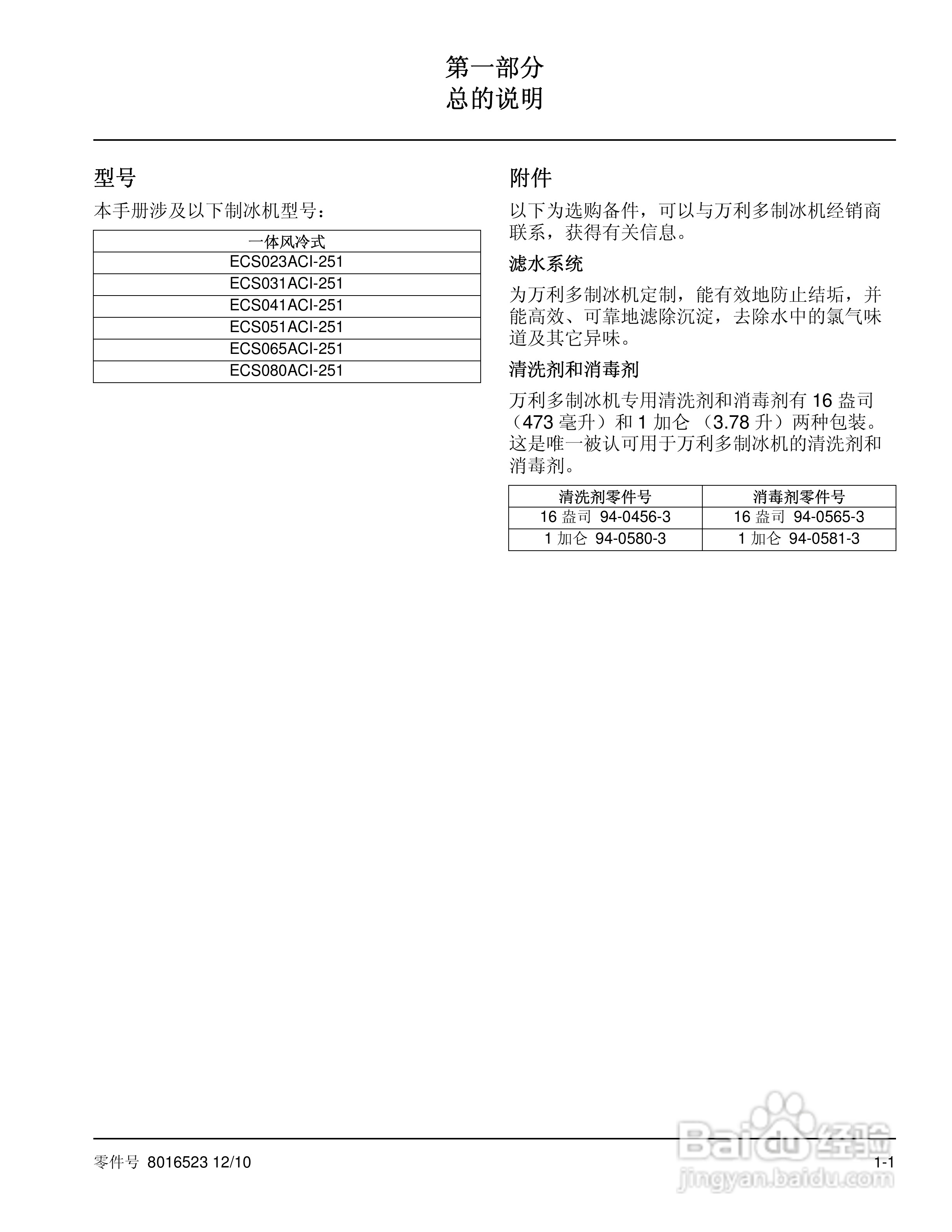
Manitowoc万利多ECS065ACI-251制冰机说明书:[1]
2026-05-23 07:35:40
/>
(共篇)
下一篇:
声明:
本网站引用、摘录或转载内容仅供网站访问者交流或参考,不代表本站立场,如存在版权或非法内容,请联系站长删除,联系邮箱:site.kefu@qq.com。
相关推荐
Manitowoc万利多ECS065ACI-251制冰机说明书:[2]
阅读量:43
Manitowoc万利多ECS051ACI-251制冰机说明书:[1]
阅读量:149
Manitowoc万利多ECS051ACI-251制冰机说明书:[3]
阅读量:115
制冰机制冰慢怎么调节
阅读量:140
制冰机不脱冰怎么处理
阅读量:177
猜你喜欢
妈妈的爱是什么
流鼻血是什么病的前兆
清道夫是什么
电影彩蛋是什么意思
股票横盘是什么意思
quite是什么意思
胸推是什么意思
rmb是什么意思
lcm是什么意思
高血压是什么原因引起的
猜你喜欢
jpeg是什么格式
后缀是什么意思
头发长得慢是什么原因
mb什么意思
电导率是什么意思
聚拢的近义词是什么
大便溏稀是什么原因
在香港扶灵意味着什么
燃气灶什么牌子好
problem是什么意思