小度生活
首页
美食营养
手工爱好
生活家居
返回
小度生活
首页
美食营养
游戏数码
手工爱好
生活家居
健康养生
运动户外
职场理财
情感交际
母婴教育
时尚美容
知识问答
生活知识
搜索
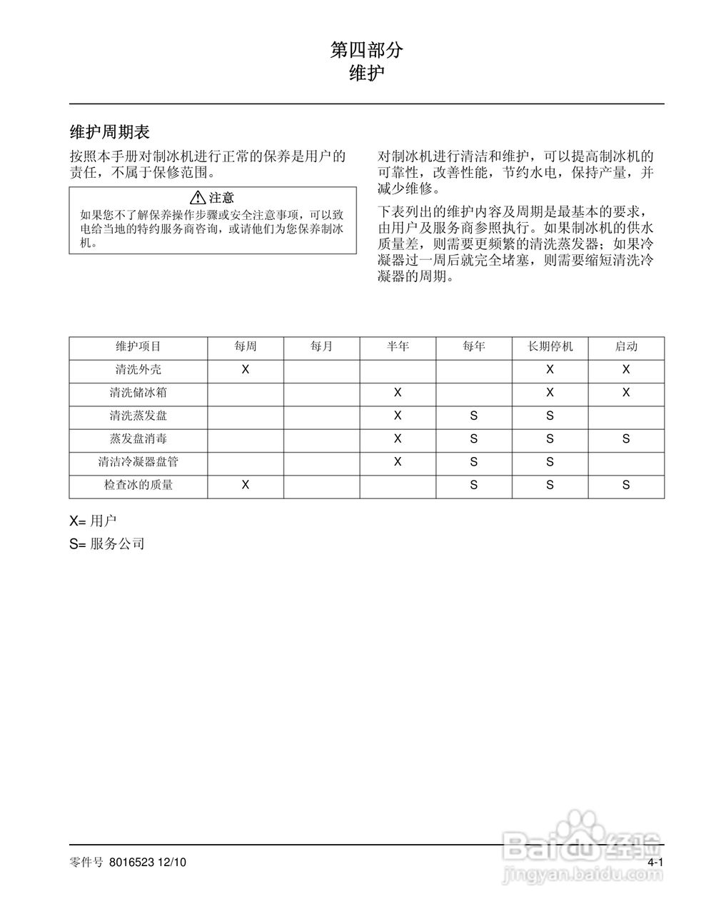
Manitowoc万利多ECS051ACI-251制冰机说明书:[3]
2025-10-11 08:25:58
/>
(共篇)
上一篇:
声明:
本网站引用、摘录或转载内容仅供网站访问者交流或参考,不代表本站立场,如存在版权或非法内容,请联系站长删除,联系邮箱:site.kefu@qq.com。
相关推荐
Manitowoc万利多ECS051ACI-251制冰机说明书:[2]
阅读量:40
Manitowoc万利多ECS041ACI-251制冰机说明书:[3]
阅读量:132
Manitowoc万利多ECS041ACI-251制冰机说明书:[2]
阅读量:162
Manitowoc万利多ECS080ACI-251制冰机说明书:[1]
阅读量:65
制冰机制冰慢怎么调节
阅读量:81
猜你喜欢
泛滥是什么意思
做酸奶用什么菌粉好
磁条卡什么时候停用
翡翠原石什么样的好
produce是什么意思
去泰国买什么
潸潸的意思
death是什么意思
执子之手与子偕老的意思
nature是什么意思
猜你喜欢
开工祝福语
养什么狗最赚钱
友情祝福语
感叹号的意思
麦卡锡主义是什么意思
新社保卡有什么功能
地暖用什么地板好
两融余额是什么意思
有什么好看的美剧推荐
健身车什么牌子好