小度生活
首页
美食营养
手工爱好
生活家居
返回
小度生活
首页
美食营养
游戏数码
手工爱好
生活家居
健康养生
运动户外
职场理财
情感交际
母婴教育
时尚美容
知识问答
搜索
PST-1210C数字式变压器保护装置说明书:[5]
2025-11-21 04:11:05
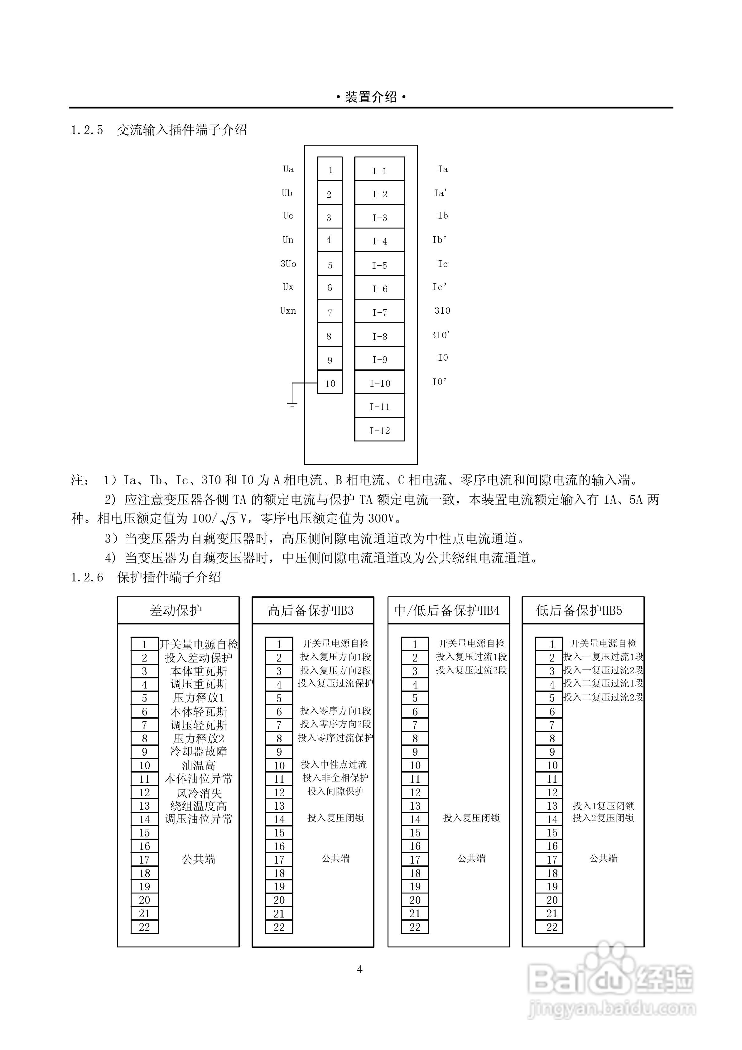
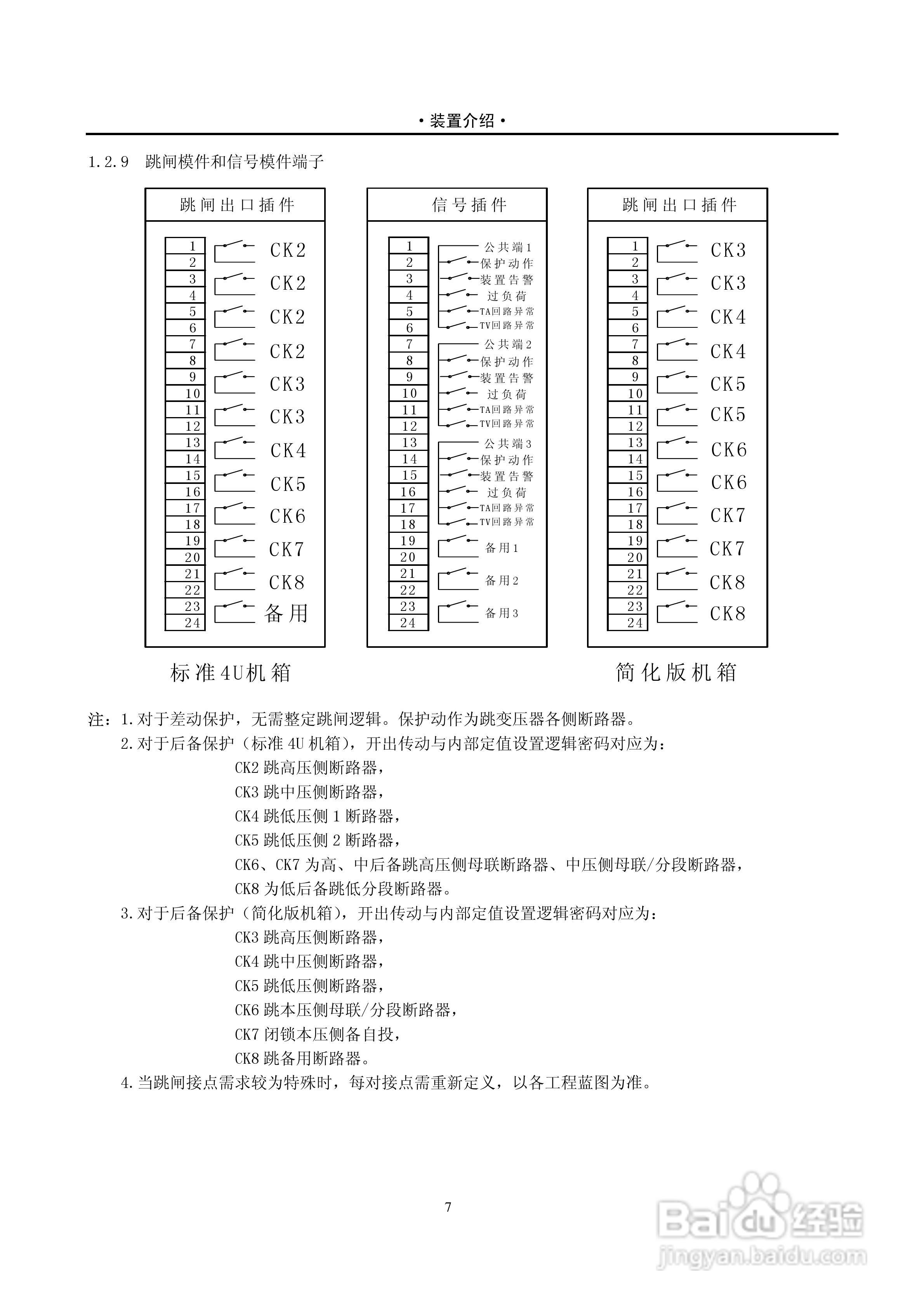
本篇为《PST-1210C数字式变压器保护装置说明书》,主要介绍该产品的使用方法以及常见故障解决方案。
(共篇)
上一篇:
|
下一篇:
声明:
本网站引用、摘录或转载内容仅供网站访问者交流或参考,不代表本站立场,如存在版权或非法内容,请联系站长删除,联系邮箱:site.kefu@qq.com。
相关推荐
PST-1210C数字式变压器保护装置说明书:[11]
阅读量:143
PST1200变压器保护装置说明书:[5]
阅读量:111
PST1200变压器保护装置说明书:[1]
阅读量:171
PST1200变压器保护装置说明书:[2]
阅读量:91
怎么重建outlook的pst文件
阅读量:128
猜你喜欢
叶酸什么时间吃最好
核桃油的作用
独角莲的功效与作用
中新知识城
桑树叶的作用
过户需要什么手续
然并卵什么意思
十一朵玫瑰代表什么
高一生物必修一知识点
火麻仁的功效与作用
猜你喜欢
玉米须的功效与作用
什么是3c认证
不可一世什么意思
运动场图片
运动与健康手抄报
甘油的作用与功效
壁挂炉什么牌子好
政治必修一知识点总结
难忘的运动会600字
食品安全知识