小度生活
首页
美食营养
手工爱好
生活家居
返回
小度生活
首页
美食营养
游戏数码
手工爱好
生活家居
健康养生
运动户外
职场理财
情感交际
母婴教育
时尚美容
知识问答
生活知识
生活百科
搜索
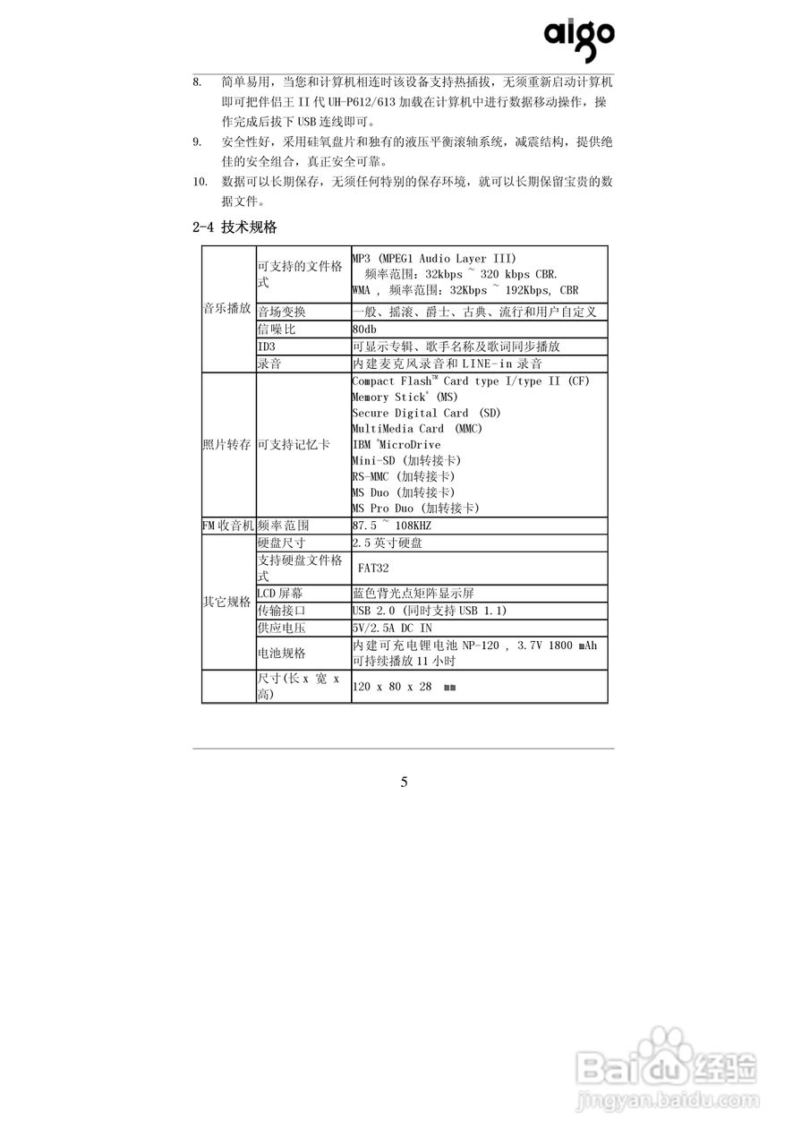
爱国者P613数码相机伴侣王说明书:[1]
2026-03-30 19:08:34
本篇为《爱国者P613数码相机伴侣王说明书》,主要介绍该产品的使用方法以及常见故障解决方案。
(共篇)
下一篇:
声明:
本网站引用、摘录或转载内容仅供网站访问者交流或参考,不代表本站立场,如存在版权或非法内容,请联系站长删除,联系邮箱:site.kefu@qq.com。
相关推荐
爱国者P613数码相机伴侣王说明书:[3]
阅读量:172
爱国者P613数码相机伴侣王说明书:[2]
阅读量:114
爱国者P706数码相机伴侣王说明书:[1]
阅读量:140
爱国者P706数码相机伴侣王说明书:[3]
阅读量:43
爱国者P706数码相机伴侣王说明书:[7]
阅读量:189
猜你喜欢
淘宝店怎么装修
儿童歌曲大全100首连续播放
dota怎么玩
理论片大全
杜康酒52度价格大全
阳痿的治疗方法
电视剧家常菜
怎么做曲奇饼干
跳绳减肥的正确方法一天跳多少能达到效果
微信拍了拍怎么用
猜你喜欢
怎么爱
排骨的家常做法
红烧猪蹄怎么做好吃
调查方法有哪些
现代诗歌大全100首
小名大全男孩
酸辣汤的家常做法
正确的刷牙方法视频
成都火锅哪家好吃
大全小游戏