小度生活
首页
美食营养
手工爱好
生活家居
返回
小度生活
首页
美食营养
游戏数码
手工爱好
生活家居
健康养生
运动户外
职场理财
情感交际
母婴教育
时尚美容
知识问答
生活知识
生活百科
搜索
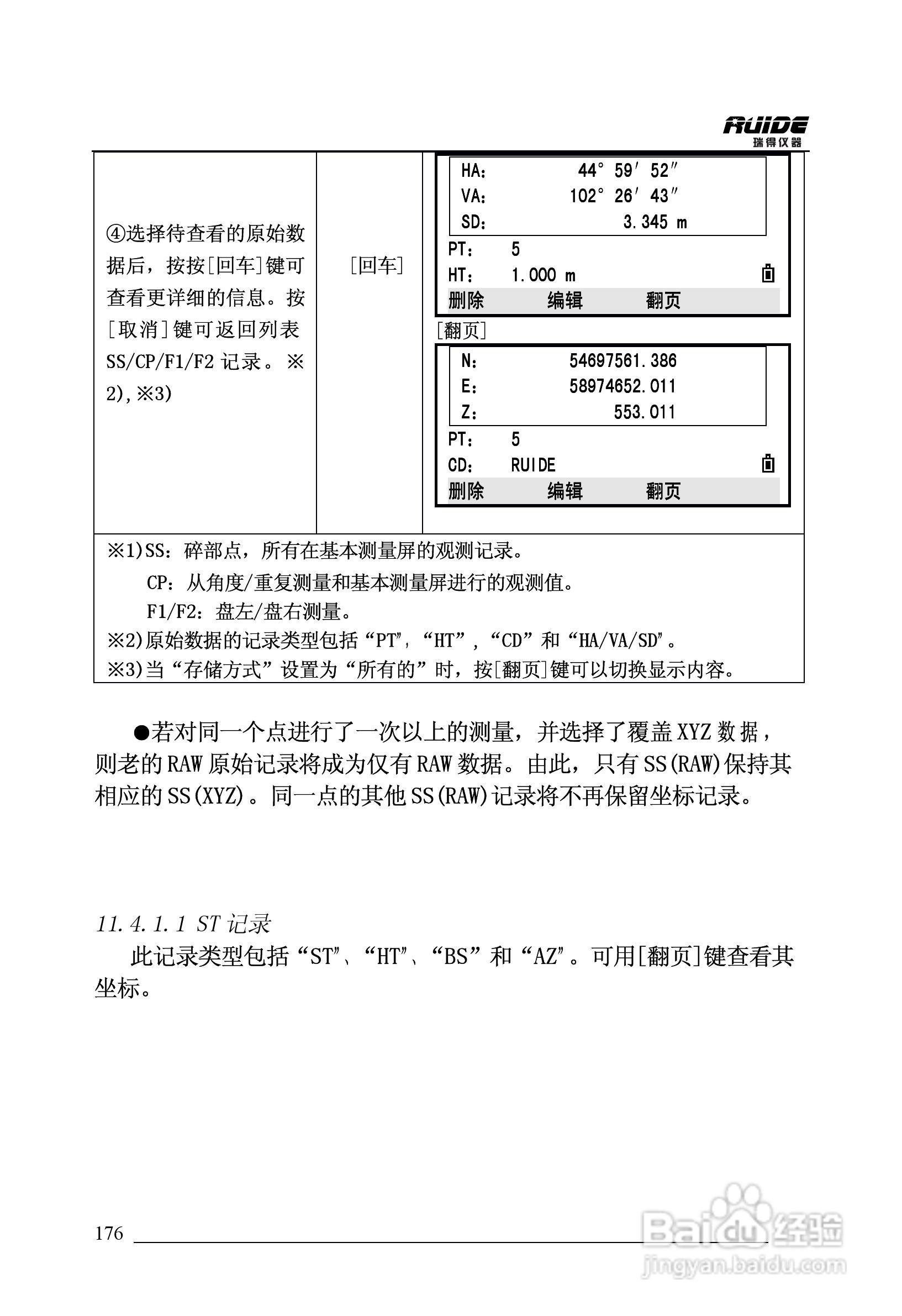
瑞得RTS-862/5R全站仪说明书:[18]
2026-05-14 04:46:45
本篇为《瑞得RTS-862/5R全站仪说明书》,主要介绍该产品的使用方法以及常见故障解决方案。
(共篇)
上一篇:
|
下一篇:
声明:
本网站引用、摘录或转载内容仅供网站访问者交流或参考,不代表本站立场,如存在版权或非法内容,请联系站长删除,联系邮箱:site.kefu@qq.com。
相关推荐
瑞得RTS-862/5R全站仪说明书:[8]
阅读量:73
全站仪使用方法
阅读量:134
全站仪的操作技巧
阅读量:43
全站仪进行距离测量的方法
阅读量:171
全站仪任意点架设仪器测高程的各种方法
阅读量:28
猜你喜欢
宿醉是什么意思
上市是什么意思
什么是红颜知己
世态炎凉是什么意思
雅人四好指的是什么
大学挂科有什么影响
孳息是什么意思
什么血型招蚊子
肺气肿是什么原因引起的
亡羊补牢告诉我们什么道理
猜你喜欢
什么减肥药最有效果
乙肝e抗体阳性是什么意思
股票是什么
事业单位是什么
左胸口上方隐隐作痛是什么原因
批注是什么意思
巨蟹座女和什么座最配
9月21日是什么星座
投影仪什么牌子好
资产负债率高说明什么