小度生活
首页
美食营养
手工爱好
生活家居
返回
小度生活
首页
美食营养
游戏数码
手工爱好
生活家居
健康养生
运动户外
职场理财
情感交际
母婴教育
时尚美容
知识问答
生活知识
生活百科
搜索
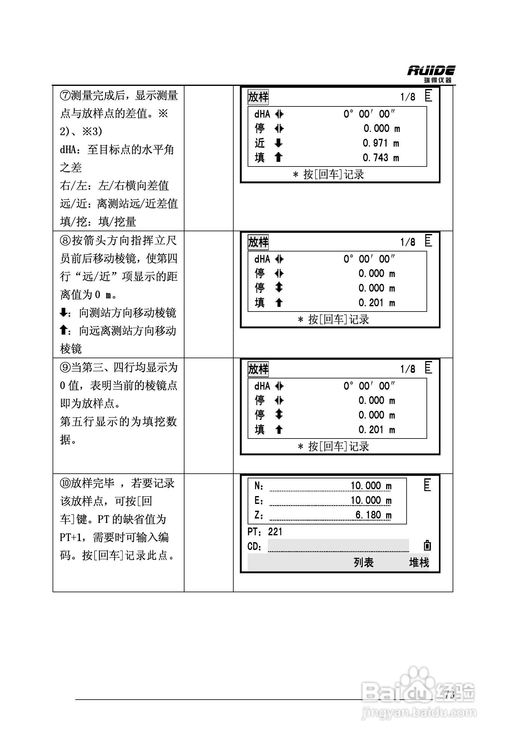
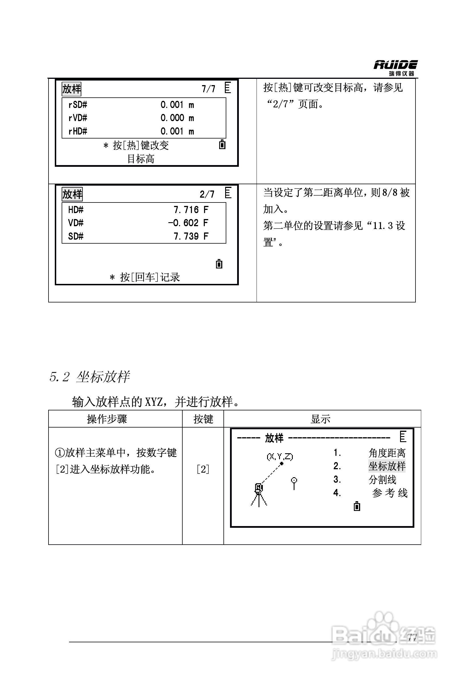
瑞得RTS-862/5R全站仪说明书:[8]
2026-03-29 18:15:47
本篇为《瑞得RTS-862/5R全站仪说明书》,主要介绍该产品的使用方法以及常见故障解决方案。
(共篇)
上一篇:
|
下一篇:
声明:
本网站引用、摘录或转载内容仅供网站访问者交流或参考,不代表本站立场,如存在版权或非法内容,请联系站长删除,联系邮箱:site.kefu@qq.com。
相关推荐
瑞得RTS-862/5R全站仪说明书:[18]
阅读量:168
瑞得RTS-862/5R全站仪说明书:[11]
阅读量:133
全站仪的操作技巧
阅读量:37
全站仪使用方法
阅读量:71
全站仪进行距离测量的方法
阅读量:59
猜你喜欢
日本留学生活
如何补肾壮阳小方法
痔疮很疼怎么办
信贷员怎么找客户
如何安装cad
line是什么意思
如何打造高效课堂
违章扣12分怎么处理
割韭菜是什么意思
dat格式怎么打开
猜你喜欢
微信号改成什么比较有意义
假如生活欺骗了
精神紧张如何放松
如何养老
对偶是什么意思
六字真言是什么意思
部落怎么去埃索达
微信怎么扫描二维码
如何去掉黄褐斑
老板整体厨房怎么样