小度生活
首页
美食营养
手工爱好
生活家居
返回
小度生活
首页
美食营养
游戏数码
手工爱好
生活家居
健康养生
运动户外
职场理财
情感交际
母婴教育
时尚美容
知识问答
生活知识
搜索
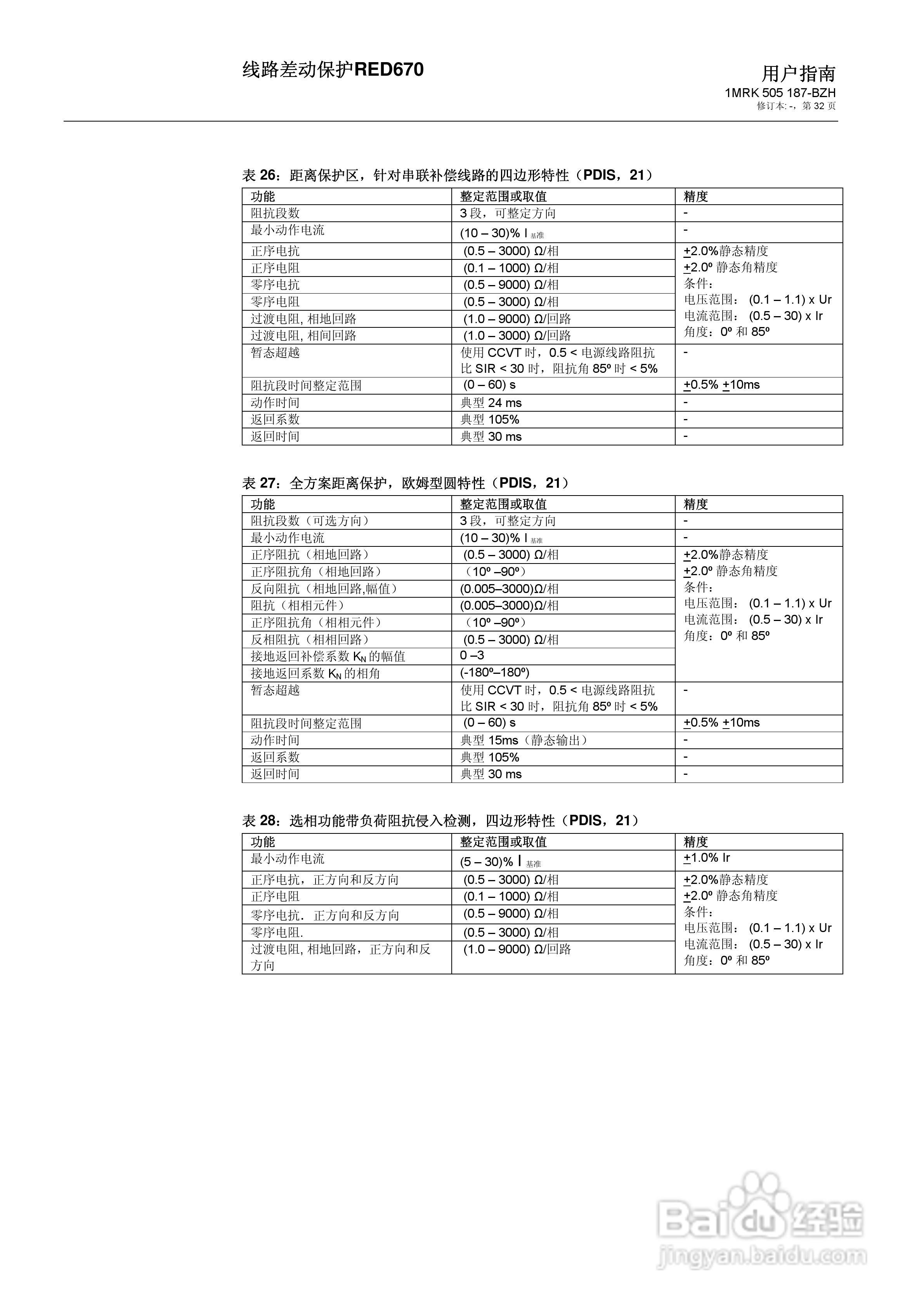
ABB RED670线路差动保护用户手册:[4]
2026-02-18 16:38:07
本篇为《ABB RED670线路差动保护用户手册》,主要介绍该产品的使用方法以及常见故障解决方案。
(共篇)
上一篇:
|
下一篇:
声明:
本网站引用、摘录或转载内容仅供网站访问者交流或参考,不代表本站立场,如存在版权或非法内容,请联系站长删除,联系邮箱:site.kefu@qq.com。
相关推荐
ABB RED670线路差动保护用户手册:[6]
阅读量:178
数字式线路差动保护装置 STS313L 使用说明书:[3]
阅读量:28
数字式线路差动保护装置 STS313L 使用说明书:[2]
阅读量:193
MTPR-630Hb微机型变压器差动保护装置用户手册:[1]
阅读量:128
MGPR-610Hb微机型发电机差动保护装置用户手册:[1]
阅读量:37
猜你喜欢
支票大写日期怎么写
南昌好吃的地方推荐
茄子的做法大全家常
拳皇怎么放技能
三角形符号怎么打
小米怎么样
周公解梦大全查询2345
鸭子图片大全
年糕怎么做好吃
广告策划案怎么写
猜你喜欢
孩子的教育方式和方法
口臭的原因和治疗方法
黄动漫大全
青春期女孩长高方法
节约用纸的方法
康乃馨的养殖方法和注意事项
抽动症的治疗方法
怎么样去黑头
怎么减掉双下巴
600字作文大全