小度生活
首页
美食营养
手工爱好
生活家居
返回
小度生活
首页
美食营养
游戏数码
手工爱好
生活家居
健康养生
运动户外
职场理财
情感交际
母婴教育
时尚美容
知识问答
生活知识
搜索
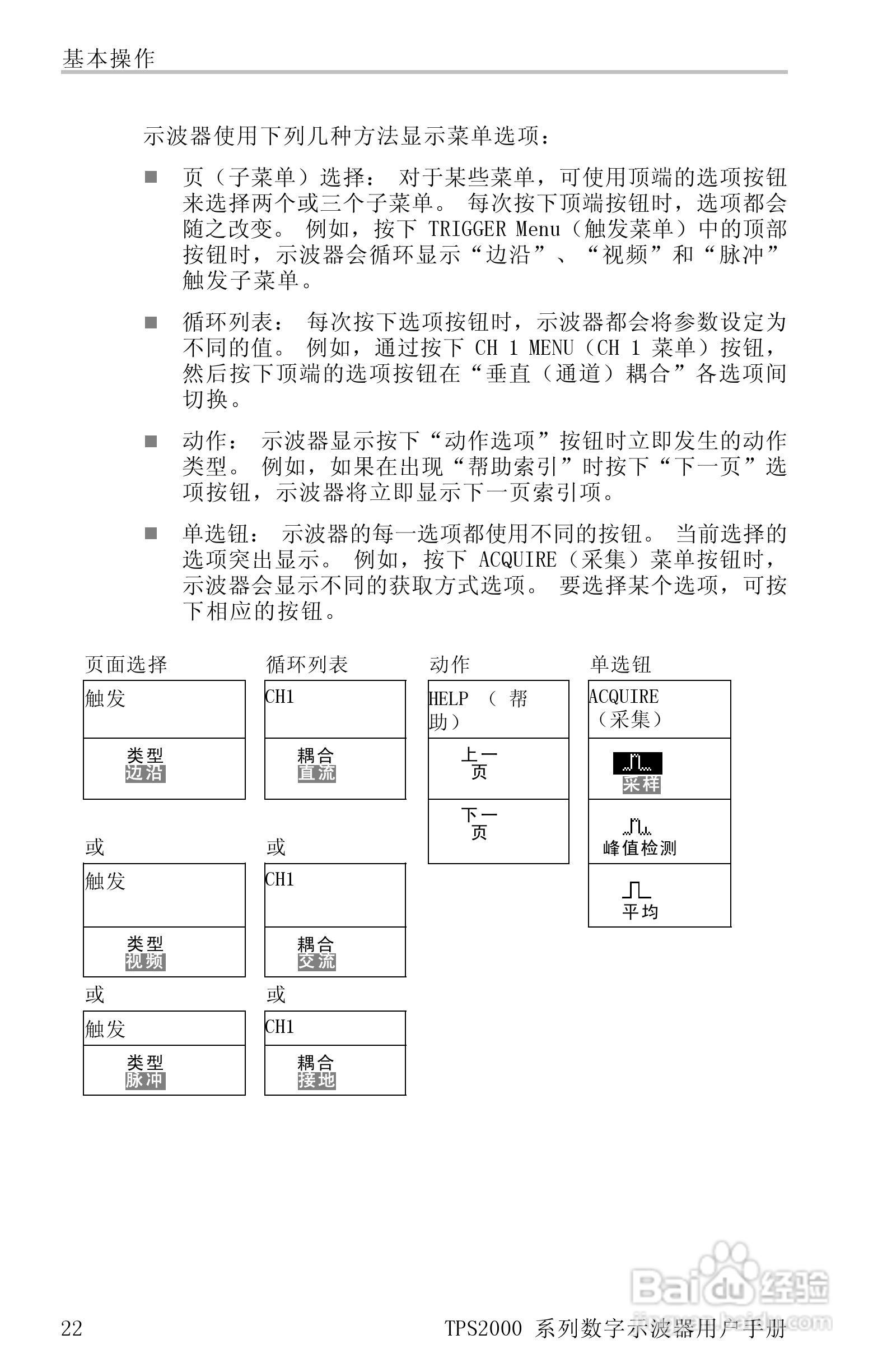
泰克TPS2024数字存储示波器用户手册:[5]
2026-02-05 15:52:51
本篇为《泰克TPS2024数字存储示波器用户手册》,主要介绍该产品的使用方法以及常见故障解决方案。
(共篇)
上一篇:
|
下一篇:
声明:
本网站引用、摘录或转载内容仅供网站访问者交流或参考,不代表本站立场,如存在版权或非法内容,请联系站长删除,联系邮箱:site.kefu@qq.com。
相关推荐
泰克TPS2024数字存储示波器用户手册:[15]
阅读量:74
泰克TPS2024数字存储示波器用户手册:[11]
阅读量:47
示波器快速入门使用指南
阅读量:170
示波器的使用方法介绍
阅读量:26
示波器使用注意事项须知
阅读量:84
猜你喜欢
excel直方图怎么做
如何驾驶自动挡汽车
如何受孕
黄芪和枸杞泡水喝有什么作用
有线路由器怎么设置
倒睫毛怎么治疗
男人更年期怎么办
苹果手机定位在哪里
word如何生成目录
多美滋奶粉怎么样
猜你喜欢
如何白手起家
如何延时
丹巴旅游攻略
心肌劳损是怎么回事
微信朋友圈访客记录怎么看
哪里可以做亲子鉴定
郑和下西洋最远到达哪里
如何可以快速怀孕
什么是路由器
青岛旅游住宿攻略