小度生活
首页
美食营养
手工爱好
生活家居
返回
小度生活
首页
美食营养
游戏数码
手工爱好
生活家居
健康养生
运动户外
职场理财
情感交际
母婴教育
时尚美容
知识问答
生活知识
搜索
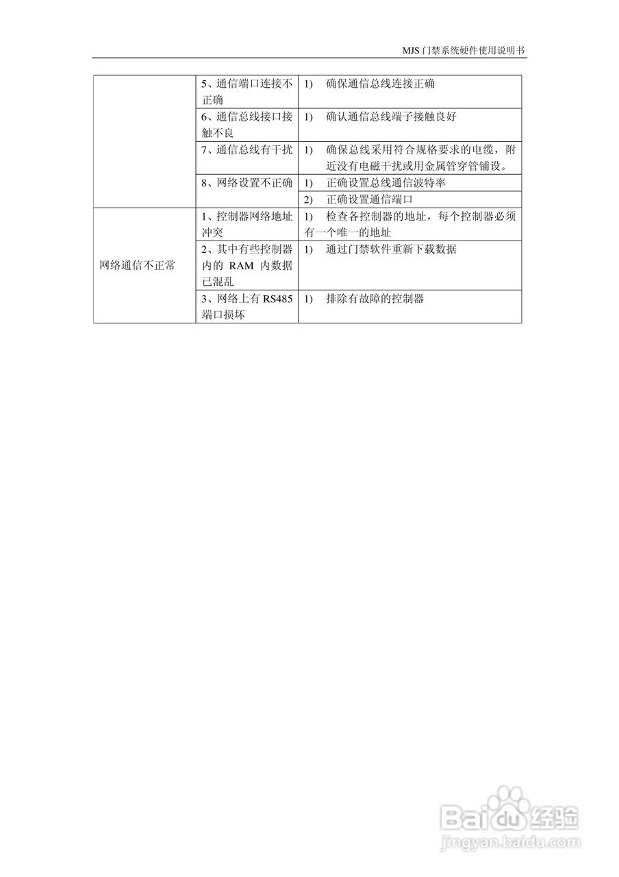
MJS-400C门禁控制器硬件说明书:[4]
2025-10-31 02:43:06
本篇为《MJS-400C门禁控制器硬件说明书》,主要介绍该产品的使用方法以及常见故障解决方案。
(共篇)
上一篇:
声明:
本网站引用、摘录或转载内容仅供网站访问者交流或参考,不代表本站立场,如存在版权或非法内容,请联系站长删除,联系邮箱:site.kefu@qq.com。
相关推荐
MJS-480 TCP IP门禁系统硬件使用说明书:[3]
阅读量:154
MJS-180 TCP IP门禁控制系统硬件使用说明书:[1]
阅读量:169
MJS-180 TCP IP门禁控制系统硬件使用说明书:[3]
阅读量:163
MJS-180 TCP IP门禁控制系统硬件使用说明书:[2]
阅读量:140
DCU9904门禁控制器硬件说明书:[4]
阅读量:166
猜你喜欢
左右为难的意思
下马威的意思
纳豆激酶什么牌子好
scientist是什么意思
有什么黄网站
每股收益是什么意思
缓期执行是什么意思
投资公司属于什么行业
无房证明需要什么材料
蒙昧什么意思
猜你喜欢
送女生什么生日礼物比较好
什么阿胶最好
沧海横流的意思
感人肺腑的意思
bt是什么意思
颤动的意思
什么是杀猪菜
泡脚加什么好
孕酮是什么意思
福建有什么旅游景点