小度生活
首页
美食营养
手工爱好
生活家居
返回
小度生活
首页
美食营养
游戏数码
手工爱好
生活家居
健康养生
运动户外
职场理财
情感交际
母婴教育
时尚美容
知识问答
生活知识
搜索
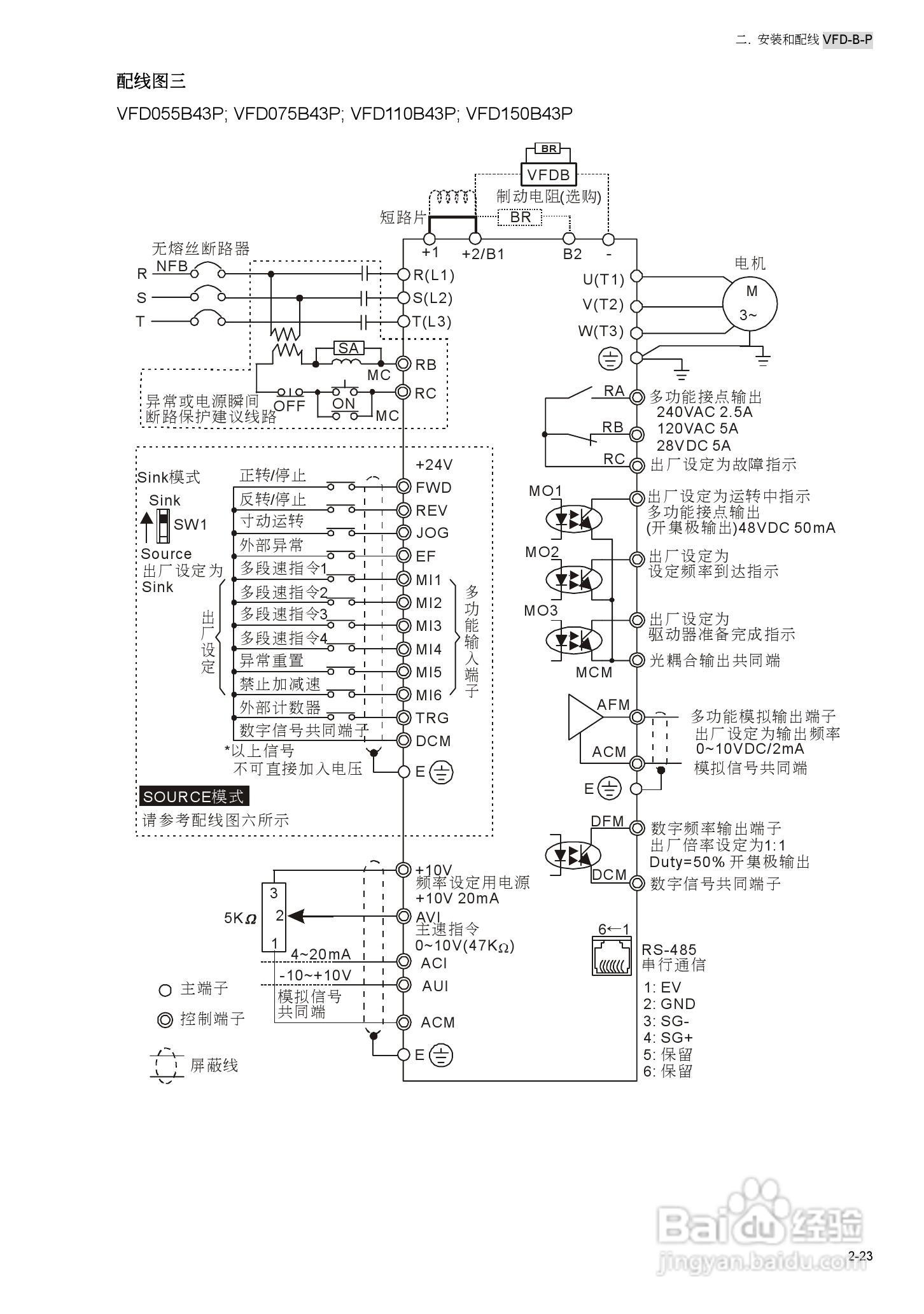
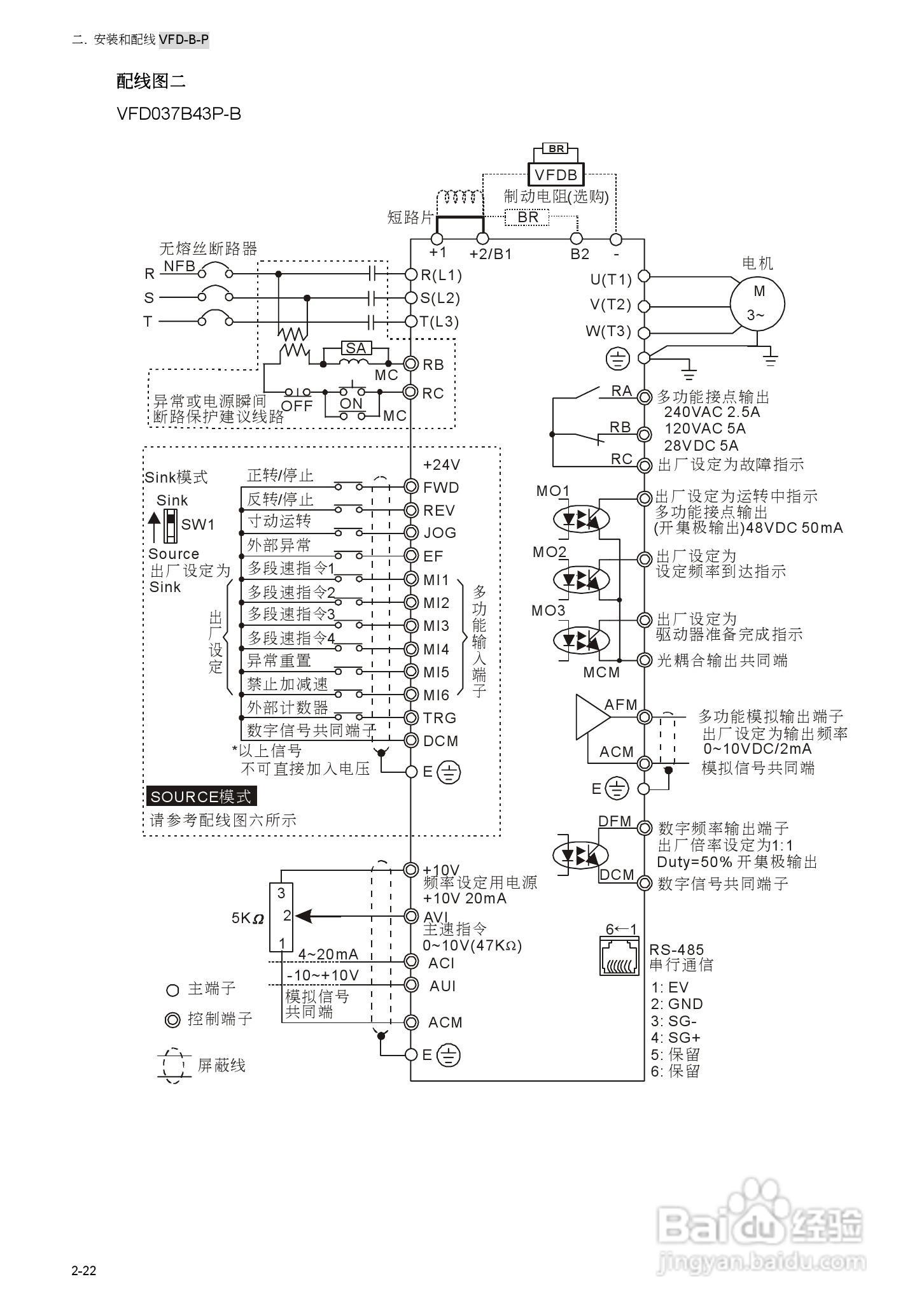
台安VFD450B43W-P变频器使用手册:[4]
2026-01-22 12:24:04
本篇为《台安VFD450B43W-P变频器使用手册》,主要介绍该产品的使用方法以及常见故障解决方案。
(共篇)
上一篇:
|
下一篇:
声明:
本网站引用、摘录或转载内容仅供网站访问者交流或参考,不代表本站立场,如存在版权或非法内容,请联系站长删除,联系邮箱:site.kefu@qq.com。
相关推荐
台安VFD450B43W-P变频器使用手册:[11]
阅读量:85
台安VFD450B43W-P变频器使用手册:[12]
阅读量:141
变频器调试接线教程
阅读量:137
变频器怎么恢复出厂设置
阅读量:58
变频器维修教程
阅读量:183
猜你喜欢
甲鱼的功效与作用及禁忌
什么是分销
菠菜的功效与作用
2018什么年
什么叫自锁
美容人才知识网
小苏打的作用
钛晶的功效与作用
用既什么又什么造句
什么是干电池
猜你喜欢
皮肤黑的人适合穿什么颜色
顺式作用元件
初三政治知识点
徐长卿的功效与作用
金莲花的功效与作用
无花果叶的功效与作用
微信和qq有什么区别
单作用液压缸
公共知识分子
总黄酮的功效与作用