小度生活
首页
美食营养
手工爱好
生活家居
返回
小度生活
首页
美食营养
游戏数码
手工爱好
生活家居
健康养生
运动户外
职场理财
情感交际
母婴教育
时尚美容
知识问答
生活知识
生活百科
搜索
RCS-915CD/CT型微机母线保护装置使用说明书:[5]
2026-05-01 00:42:57
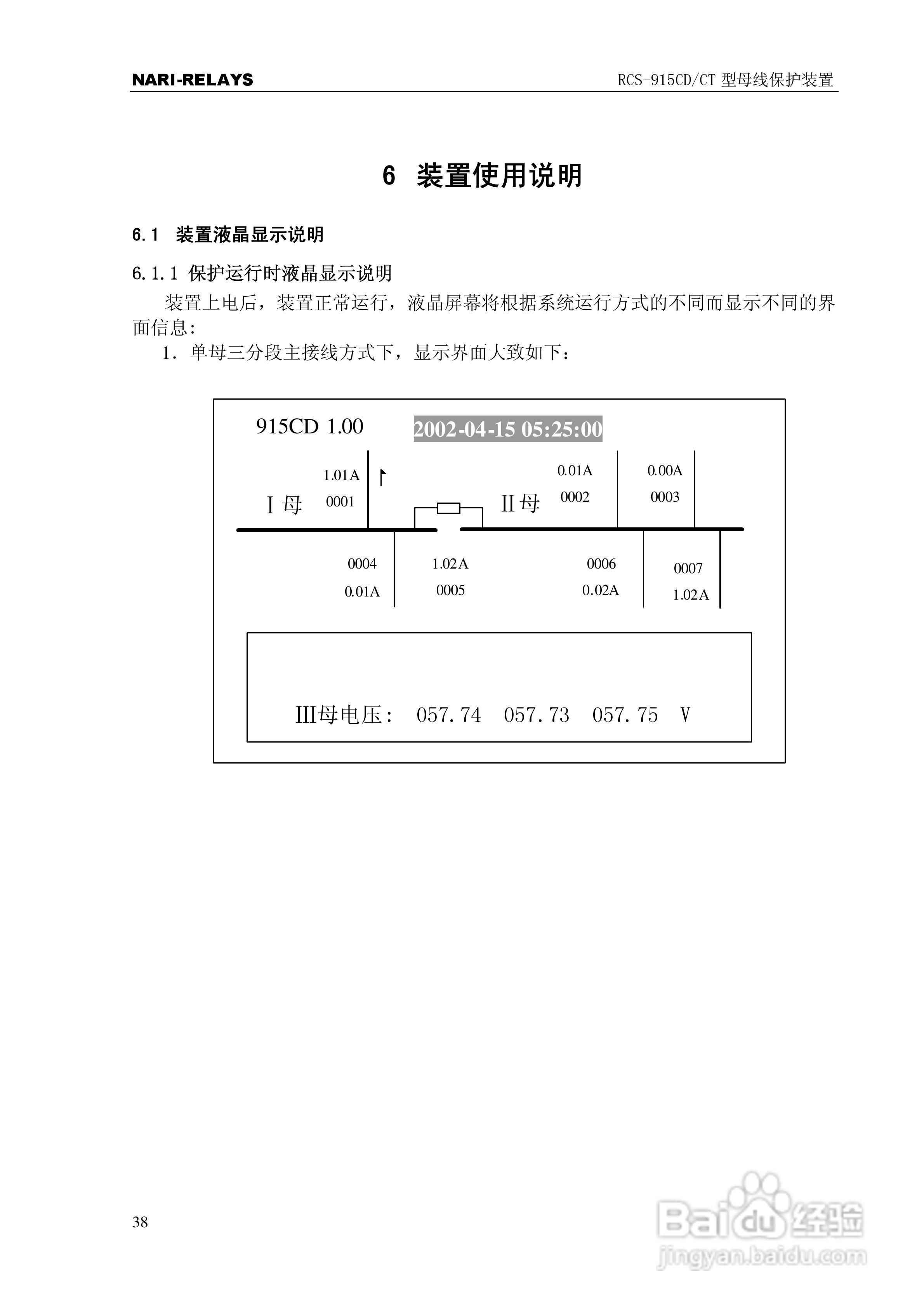
本篇为《RCS-915CD/CT型微机母线保护装置使用说明书》,主要介绍该产品的使用方法以及常见故障解决方案。
(共篇)
上一篇:
|
下一篇:
声明:
本网站引用、摘录或转载内容仅供网站访问者交流或参考,不代表本站立场,如存在版权或非法内容,请联系站长删除,联系邮箱:site.kefu@qq.com。
相关推荐
南瑞RCS-915GD微机母线保护装置使用说明书:[1]
阅读量:167
RCS-915GS型微机母线保护装置技术和使用说明书:[4]
阅读量:135
RCS-915AB型微机母线保护装置技术和使用说明书:[4]
阅读量:184
RCS-915AB型微机母线保护装置技术和使用说明书:[6]
阅读量:53
母线搭接方式
阅读量:40
猜你喜欢
方形脸适合什么发型
橙色配什么颜色好看
空调除湿是什么意思
pr是什么
额头上长痘痘是什么原因
万园之园是什么园
三支一扶考什么
大保健是什么意思
afraid是什么意思
钣金是什么
猜你喜欢
记叙文是什么
怼是什么意思
唯粉是什么意思
农历三月三是什么节日
乖戾是什么意思
红颜知己是什么意思
我的快乐会回来的是什么歌
唐突是什么意思
正处级是什么级别
什么是开户行