小度生活
首页
美食营养
手工爱好
生活家居
返回
小度生活
首页
美食营养
游戏数码
手工爱好
生活家居
健康养生
运动户外
职场理财
情感交际
母婴教育
时尚美容
知识问答
生活知识
生活百科
搜索
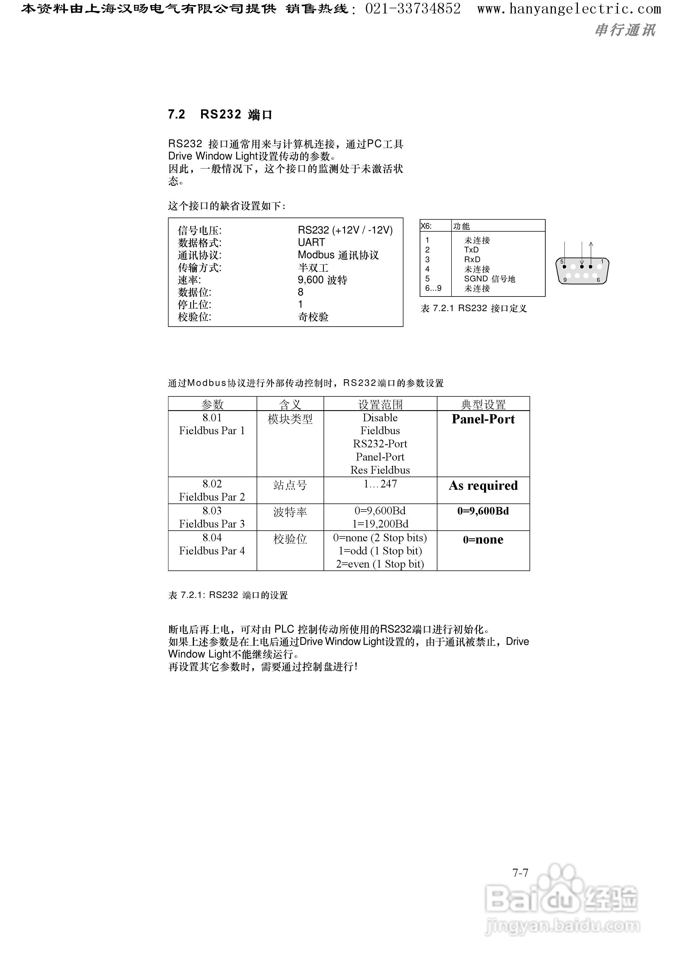
ABB DCS400直流调速器中文使用手册:[16]
2026-05-05 18:11:29
本篇为《ABB DCS400直流调速器中文使用手册》,主要介绍该产品的使用方法以及常见故障解决方案。
(共篇)
上一篇:
|
下一篇:
声明:
本网站引用、摘录或转载内容仅供网站访问者交流或参考,不代表本站立场,如存在版权或非法内容,请联系站长删除,联系邮箱:site.kefu@qq.com。
相关推荐
ABB DCS400直流调速器中文使用手册:[4]
阅读量:50
深川SVF-QM350T4G/F-ET变频器使用说明书:[1]
阅读量:50
DQ2722M 白山步进电机驱动器
阅读量:47
三菱变频器维修攻略案例
阅读量:55
蓝海华腾变频器V5-H-2T2.2G说明书:[2]
阅读量:44
猜你喜欢
隐藏文件怎么显示
百度联盟怎么赚钱
北京房山旅游景点大全
ultraiso怎么用
小孩经常发烧怎么办
贵州旅游攻略景点必去
miflash怎么用
情侣黄钻怎么开
大同旅游景点有哪些景点推荐
毕棚沟最佳旅游时间
猜你喜欢
多少岁可以领结婚证
重庆旅游学校
安徽商贸职业技术学院怎么样
有钱真的可以为所欲为
春节旅游
浙江有哪些旅游景点
旅游资源调查报告
南宁旅游攻略
吃什么水果可以长高
山西运城旅游