小度生活
首页
美食营养
手工爱好
生活家居
返回
小度生活
首页
美食营养
游戏数码
手工爱好
生活家居
健康养生
运动户外
职场理财
情感交际
母婴教育
时尚美容
知识问答
生活知识
生活百科
搜索
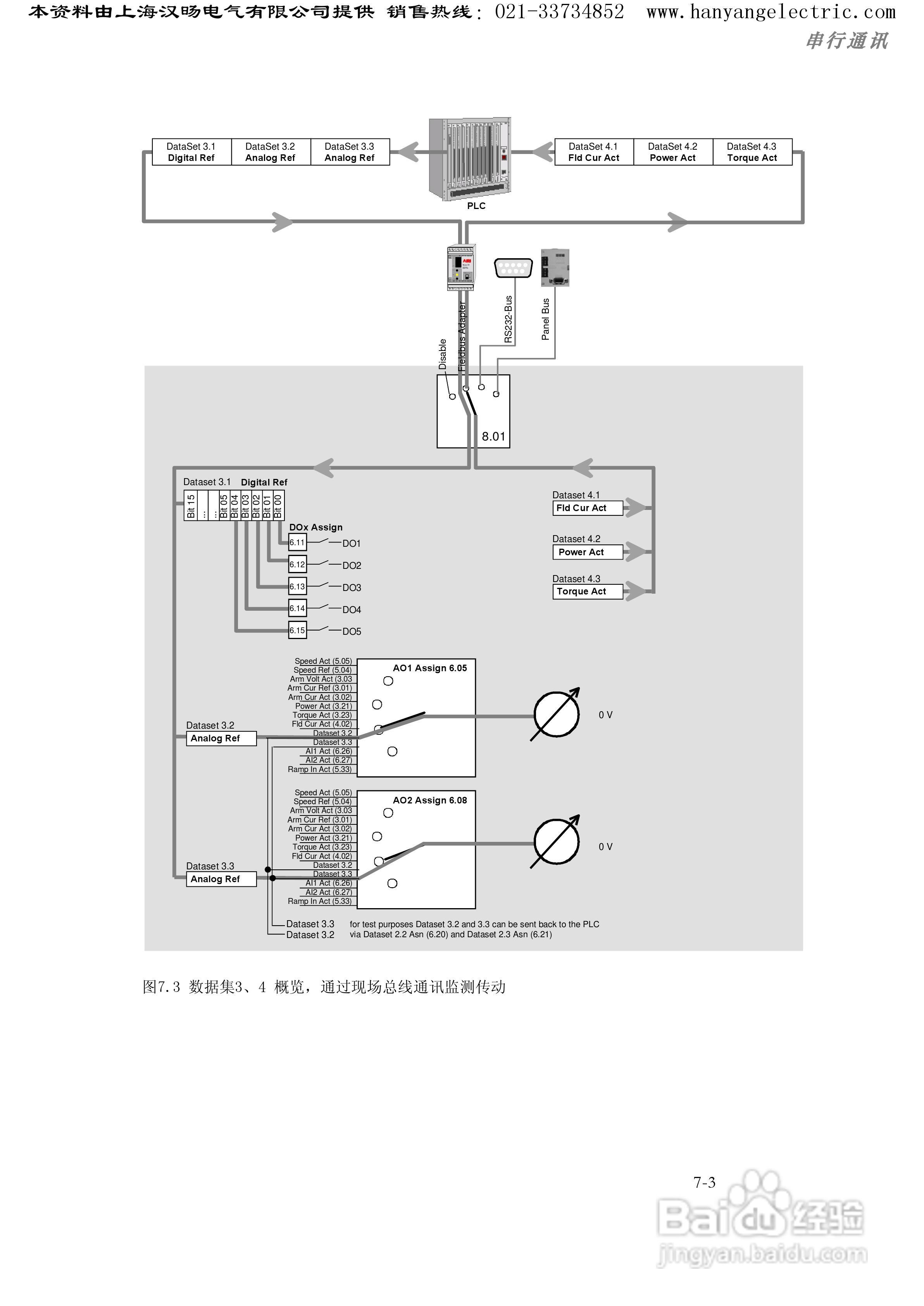
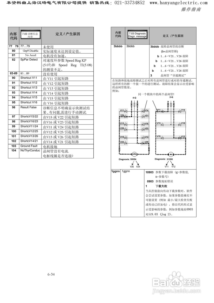
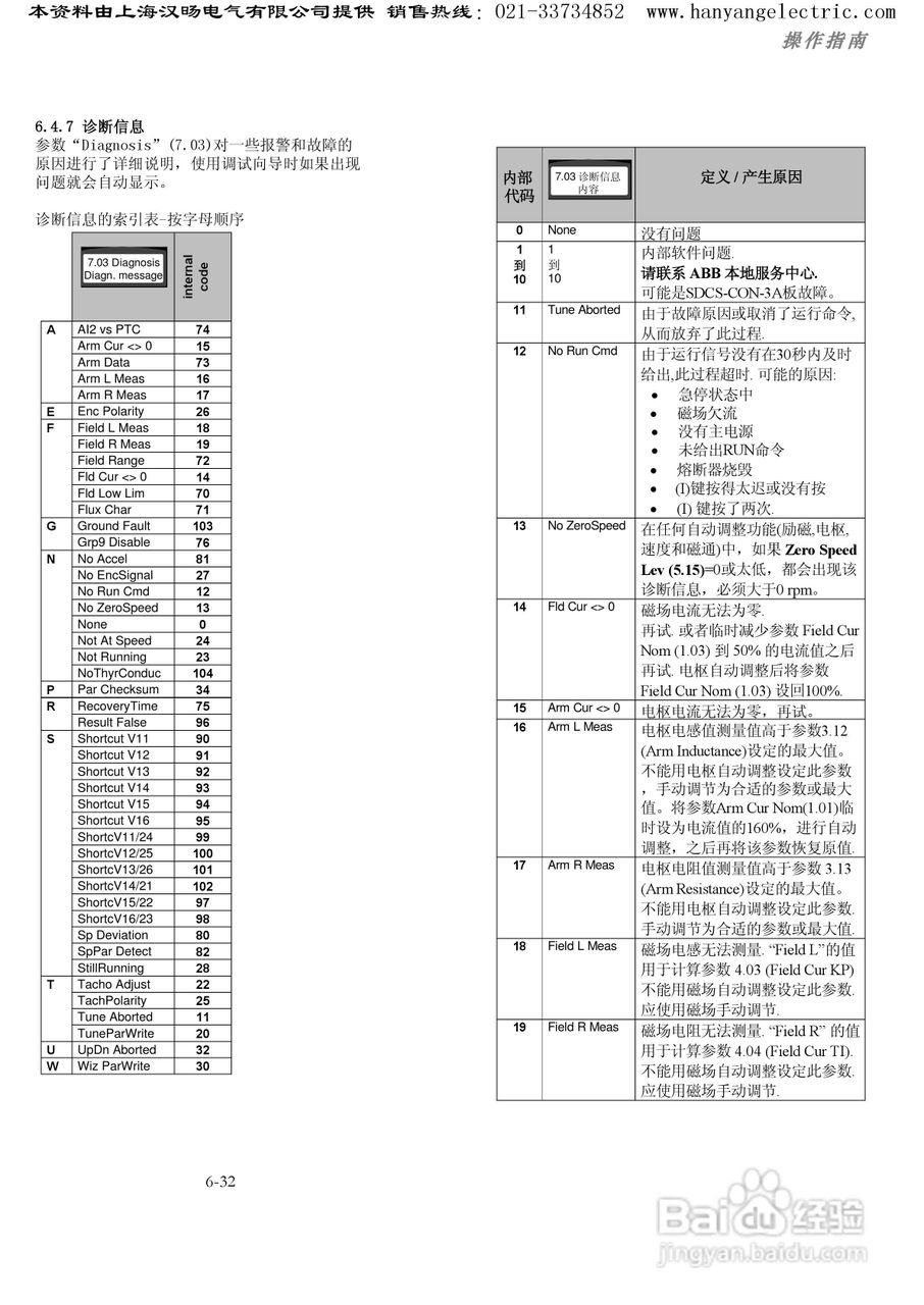
ABB DCS400直流调速器中文使用手册:[15]
2026-03-26 08:51:35
本篇为《ABB DCS400直流调速器中文使用手册》,主要介绍该产品的使用方法以及常见故障解决方案。
(共篇)
上一篇:
|
下一篇:
声明:
本网站引用、摘录或转载内容仅供网站访问者交流或参考,不代表本站立场,如存在版权或非法内容,请联系站长删除,联系邮箱:site.kefu@qq.com。
相关推荐
ABB DCS400直流调速器中文使用手册:[8]
阅读量:96
ABB DCS400直流调速器中文使用手册:[13]
阅读量:194
普传PI9200-075G2变频器使用说明书:[6]
阅读量:82
ABB DCS400直流调速器中文使用手册:[4]
阅读量:119
ABB直流调速器DCS550使用手册:[15]
阅读量:91
猜你喜欢
牛奶什么时候喝好
小孩掉头发是什么原因
novel是什么意思
大学运动会广播稿
黄油什么牌子好
控股关联是什么意思
elf是什么意思
相煎何太急是什么意思
李志出了什么事
鳄梨是什么
猜你喜欢
皮肤过敏是什么症状
果然的近义词是什么
苦丁茶有什么功效
血糖仪什么牌子好
四次元是什么意思
水产养殖
牛郎星是什么星座
收敛是什么意思
缺维生素c的症状
tender是什么意思