小度生活
首页
美食营养
手工爱好
生活家居
返回
小度生活
首页
美食营养
游戏数码
手工爱好
生活家居
健康养生
运动户外
职场理财
情感交际
母婴教育
时尚美容
知识问答
生活知识
搜索
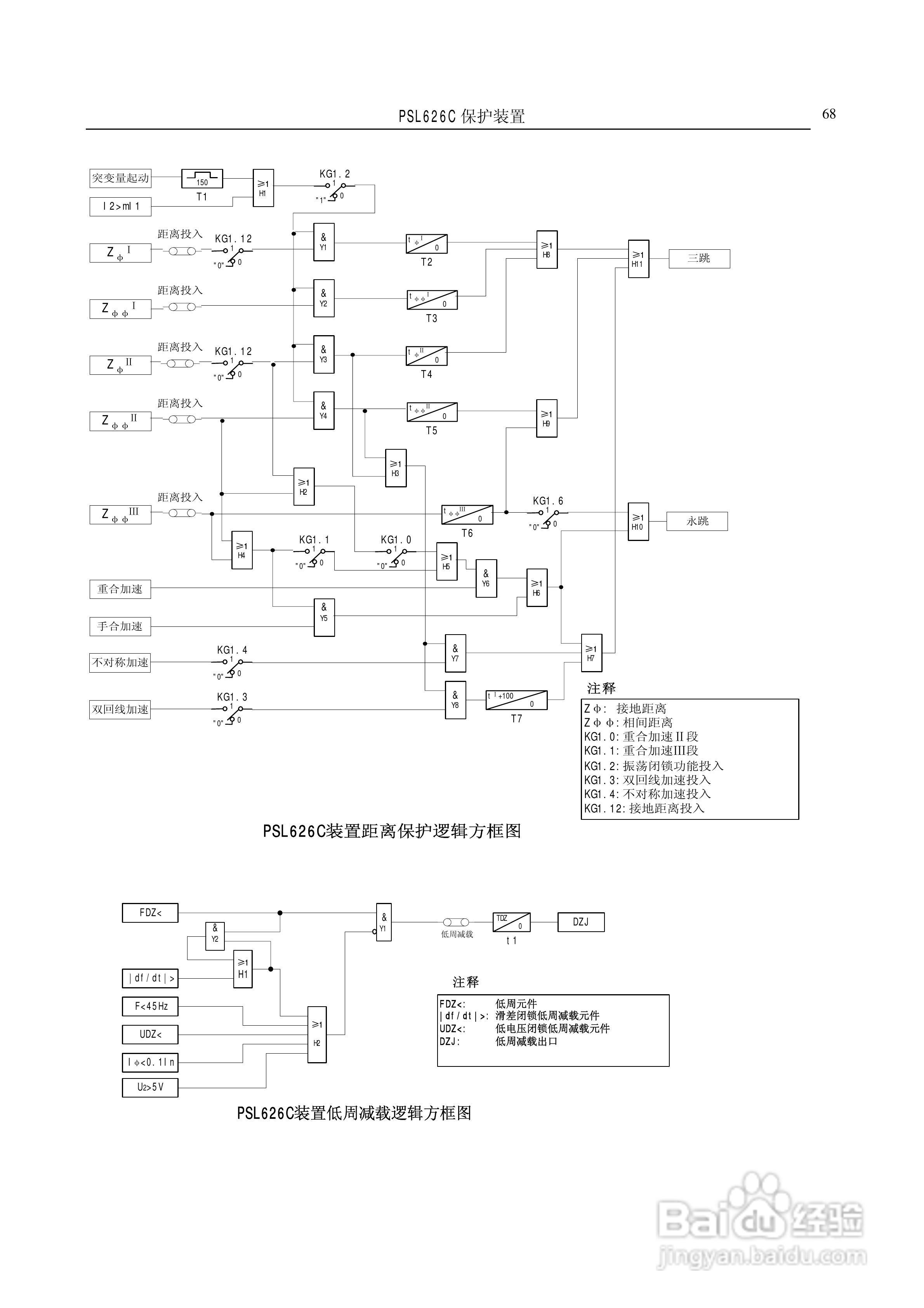
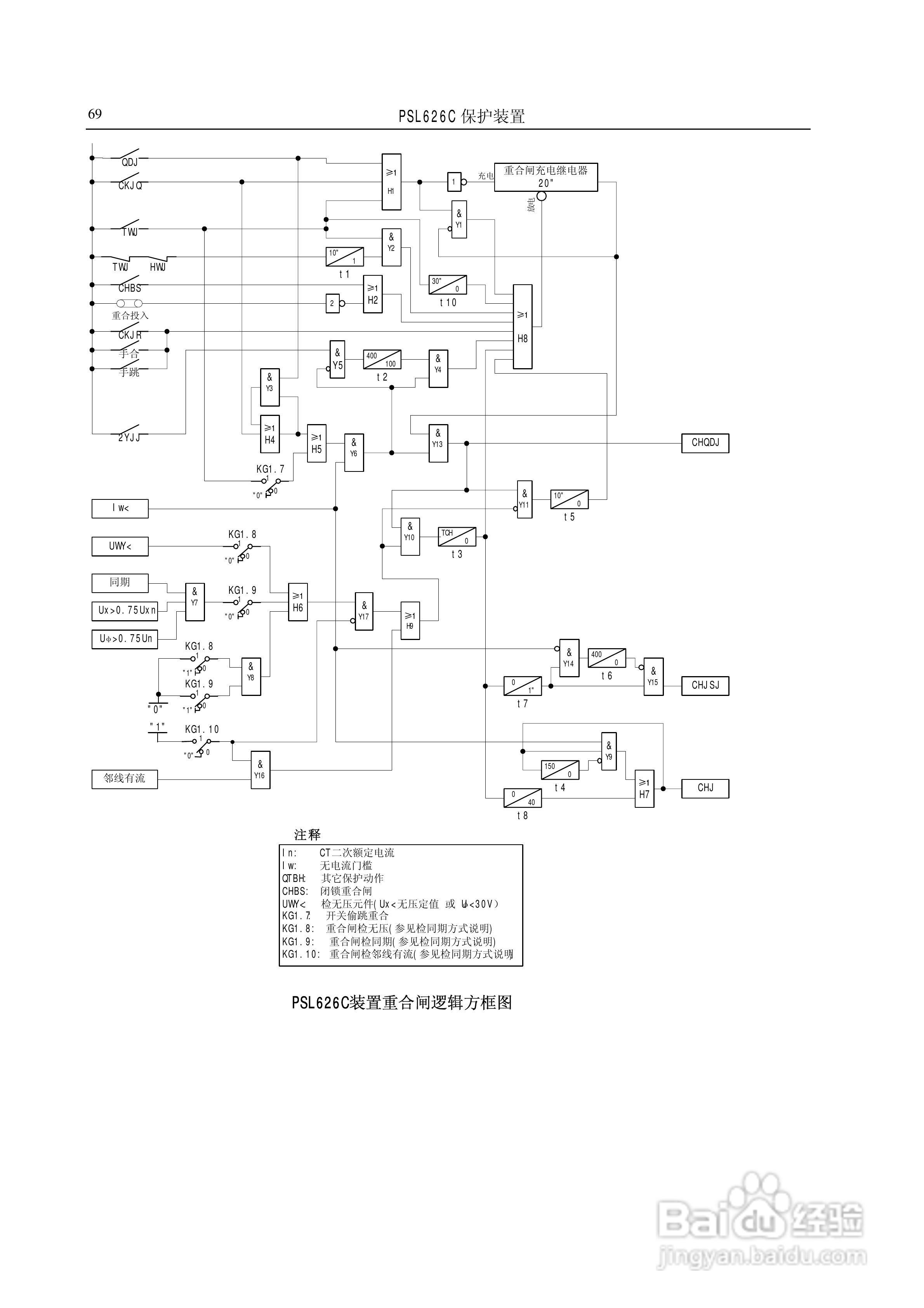
国电南自PSL626C数字式线路保护装置技术说明书:[8]
2026-01-23 19:34:38
本篇为《国电南自PSL626C数字式线路保护装置技术说明书》,主要介绍该产品的使用方法以及常见故障解决方案。
(共篇)
上一篇:
|
下一篇:
声明:
本网站引用、摘录或转载内容仅供网站访问者交流或参考,不代表本站立场,如存在版权或非法内容,请联系站长删除,联系邮箱:site.kefu@qq.com。
相关推荐
国电南自PSL626C数字式线路保护装置技术说明书:[9]
阅读量:169
PSL601A数字式线路保护装置技术说明书:[8]
阅读量:64
国电南自PSL626C数字式线路保护装置技术说明书:[3]
阅读量:155
国电南自PSL626C数字式线路保护装置技术说明书:[4]
阅读量:87
国电南自PSL626C数字式线路保护装置技术说明书:[7]
阅读量:44
猜你喜欢
喜形于色的意思
端详的意思是什么
两后生是什么意思
斡旋是什么意思
contact是什么意思
蓝牙音箱什么牌子好
什么是px
message是什么意思
转租需要注意什么
什么是痛风
猜你喜欢
镜像文件是什么意思
双肩背包什么牌子好
家庭教师第二季什么时候出
生日祝福语同学
编钟最早什么时候出现
ocean是什么意思
小孩奶粉什么牌子好
adobe是什么意思
什么网站看电影不卡
巡视员是干什么的