小度生活
首页
美食营养
手工爱好
生活家居
返回
小度生活
首页
美食营养
游戏数码
手工爱好
生活家居
健康养生
运动户外
职场理财
情感交际
母婴教育
时尚美容
知识问答
生活知识
搜索
南自NDX326数字式线路保护装置说明书:[5]
2026-01-23 19:34:46
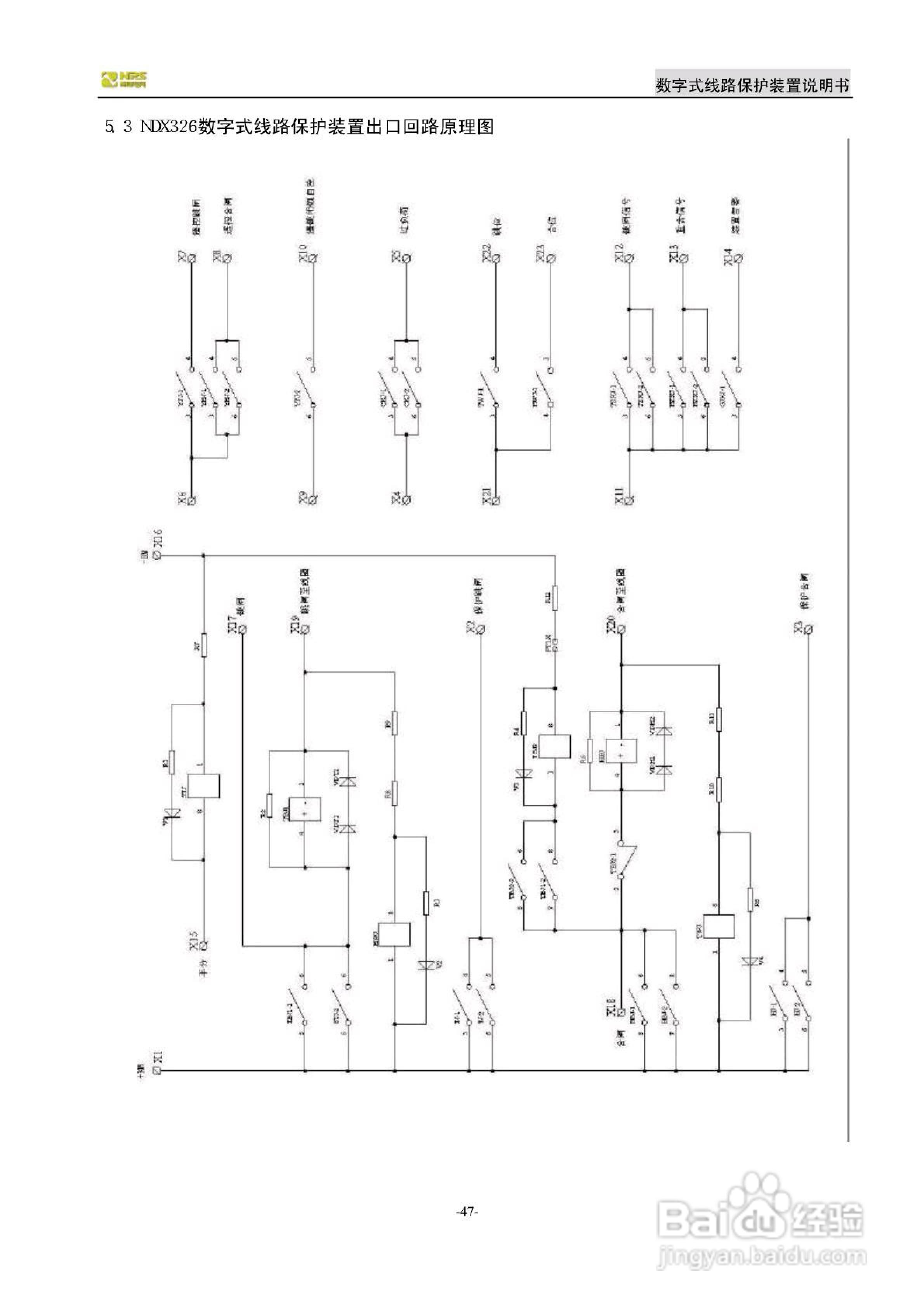
本篇为《南自NDX326数字式线路保护装置说明书》,主要介绍该产品的使用方法以及常见故障解决方案。
(共篇)
上一篇:
|
下一篇:
声明:
本网站引用、摘录或转载内容仅供网站访问者交流或参考,不代表本站立场,如存在版权或非法内容,请联系站长删除,联系邮箱:site.kefu@qq.com。
相关推荐
南自NDX326数字式线路保护装置说明书:[4]
阅读量:58
国电南自PSL626C数字式线路保护装置技术说明书:[8]
阅读量:32
南自NDX326数字式线路保护装置说明书:[1]
阅读量:32
南自NDX326数字式线路保护装置说明书:[6]
阅读量:75
南自NDX326数字式线路保护装置说明书:[7]
阅读量:85
猜你喜欢
我的世界红石怎么挖
长安大学怎么样
鼠标怎么拆开
新鲜百合怎么保存
爱奇艺怎么切换账号
微信账单怎么查
怎么增强免疫力
板鸭怎么做好吃
怎么看电脑的ip地址
我的世界怎么回血
猜你喜欢
我的世界创世神怎么用
银行存款利息怎么算
个人资料怎么写
陕西师范大学怎么样
硝化细菌怎么培养
打印机怎么使用
鱿鱼须怎么做好吃
入睡困难怎么办
hpv检查结果怎么看
怎么创建微信群