小度生活
首页
美食营养
手工爱好
生活家居
返回
小度生活
首页
美食营养
游戏数码
手工爱好
生活家居
健康养生
运动户外
职场理财
情感交际
母婴教育
时尚美容
知识问答
生活知识
生活百科
搜索
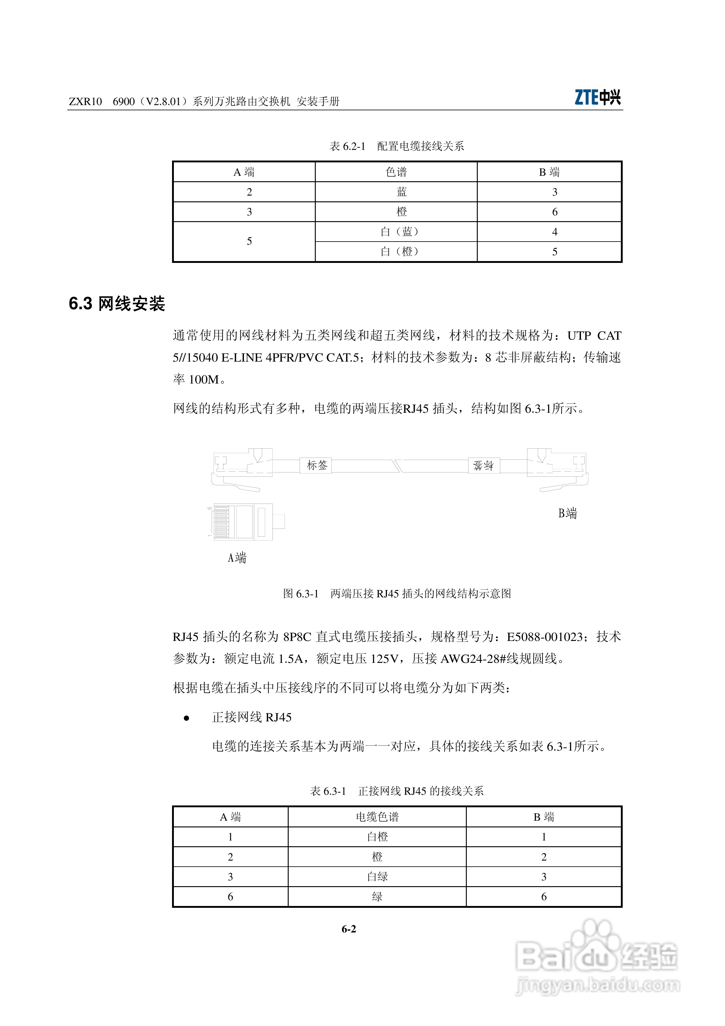
中兴ZXR10 6900(V2.8.01)系列万兆路由交换机安装说:[6]
2026-04-26 16:32:52
本篇为《中兴ZXR10 6900(V2.8.01)系列万兆路由交换机安装说》,主要介绍该产品的使用方法以及常见故障解决方案。
(共篇)
上一篇:
|
下一篇:
声明:
本网站引用、摘录或转载内容仅供网站访问者交流或参考,不代表本站立场,如存在版权或非法内容,请联系站长删除,联系邮箱:site.kefu@qq.com。
相关推荐
中兴ZXR10 6900(V2.8.01)系列万兆路由交换机安装说:[1]
阅读量:27
中兴ZXR10 6900(V2.8.01)系列万兆路由交换机安装说:[3]
阅读量:35
交换机的基本配置与管理
阅读量:141
交换机配置命令
阅读量:59
交换机怎么设置局域网
阅读量:101
猜你喜欢
运动型轿车
众志成城什么意思
搭讪是什么意思
孩子学什么乐器好
闷闷不乐是什么意思
缺乏维生素的症状
什么海没有水
什么是双飞
淘宝小号是什么意思
seal是什么意思
猜你喜欢
january是什么意思
什么是战争
老年人喝什么奶粉好
government是什么意思
notebook是什么意思
什么是责任感
飒什么意思
移动客服密码是什么
advantage是什么意思
volunteer是什么意思