小度生活
首页
美食营养
手工爱好
生活家居
返回
小度生活
首页
美食营养
游戏数码
手工爱好
生活家居
健康养生
运动户外
职场理财
情感交际
母婴教育
时尚美容
搜索
SanKen 高性能多功能静音式变频器400V系列( A 型/B型/:[4]
2025-11-05 11:35:01
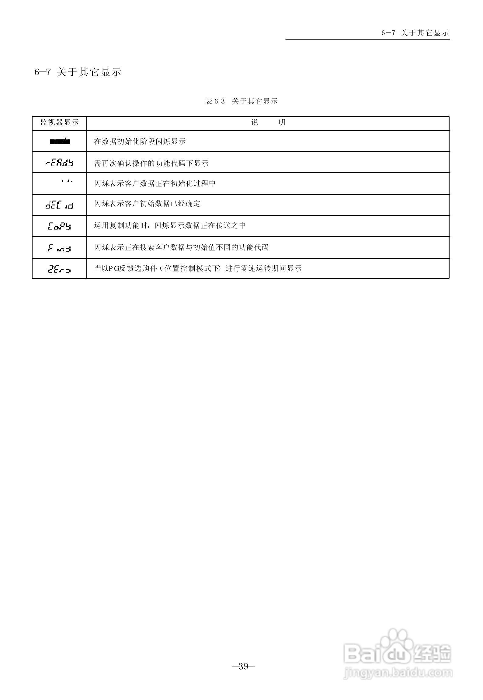
本篇为《SanKen 高性能多功能静音式变频器400V系列( A 型/B型/》,主要介绍该产品的使用方法以及常见故障解决方案。
(共篇)
上一篇:
|
下一篇:
声明:
本网站引用、摘录或转载内容仅供网站访问者交流或参考,不代表本站立场,如存在版权或非法内容,请联系站长删除,联系邮箱:site.kefu@qq.com。
相关推荐
SanKen 高性能多功能静音式变频器400V系列( A 型/B型/:[6]
阅读量:112
西普电子STR系列A/B/G型软起动器说明书V6.3版:[4]
阅读量:80
FRENIC-Multi高性能紧凑型变频器用户手册:[4]
阅读量:149
STR系列A/B/G型软起动器说明书V6.3:[4]
阅读量:174
三肯(SANKEN)MF-1.5K变频器说明书:[4]
阅读量:115
猜你喜欢
嗓子疼怎么办咽口水疼
淘宝打不开怎么回事
人工怎么读
红烧肉怎么做好吃不腻
怎么用wps制作表格
苏宁金融怎么样
电脑光驱怎么打开
气球怎么做花样
胸部太小怎么办
广西师范大学怎么样
猜你喜欢
有何特长怎么写
电脑怎么自动关机
韩国维娜化妆品怎么样
肛门周围痒是怎么回事
问道手游怎么升级快
怎么打乒乓球
武汉人怎么样
气球怎么做花样
大便不通畅怎么办
怎么用手机控制电脑