小度生活
首页
美食营养
手工爱好
生活家居
返回
小度生活
首页
美食营养
游戏数码
手工爱好
生活家居
健康养生
运动户外
职场理财
情感交际
母婴教育
时尚美容
知识问答
生活知识
搜索
南瑞继保RCS-921G断路器失灵保护及自动重合闸装置使用:[3]
2026-01-13 14:16:55
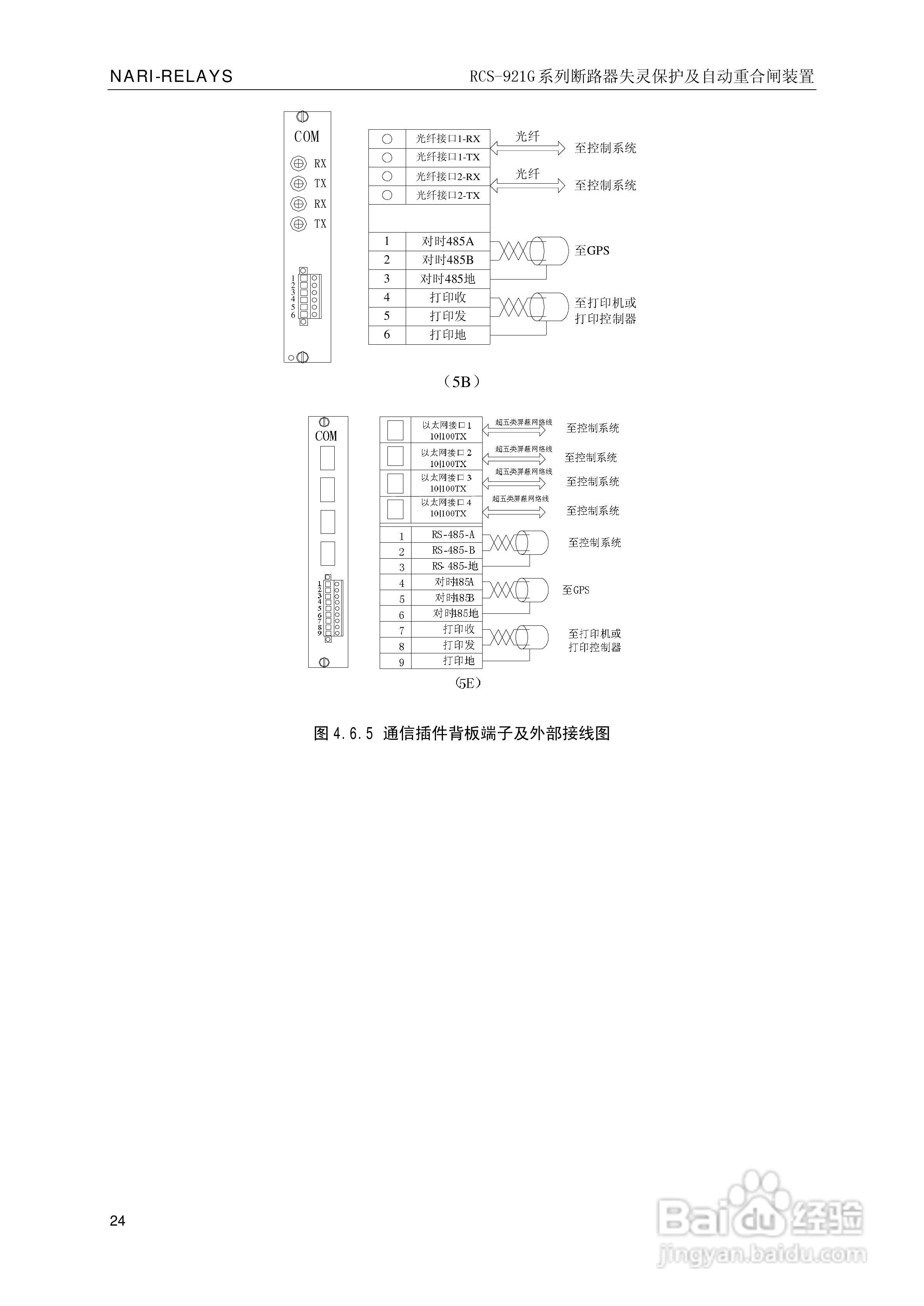
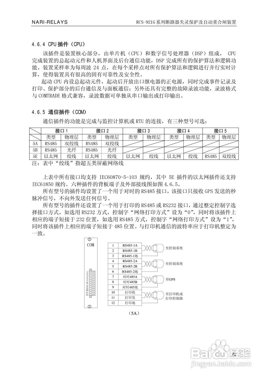
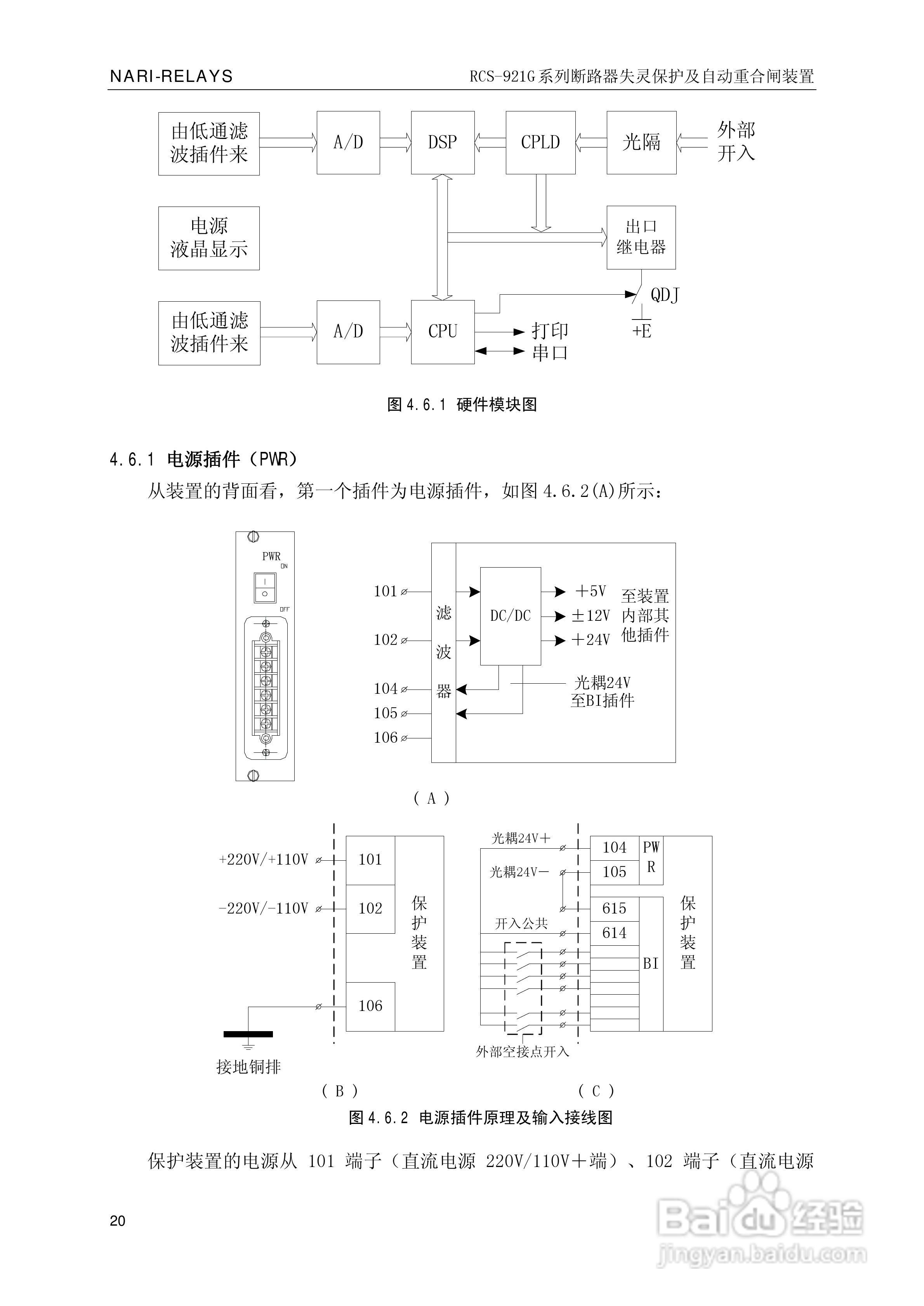
本篇为《南瑞继保RCS-921G断路器失灵保护及自动重合闸装置使用》,主要介绍该产品的使用方法以及常见故障解决方案。
(共篇)
上一篇:
|
下一篇:
声明:
本网站引用、摘录或转载内容仅供网站访问者交流或参考,不代表本站立场,如存在版权或非法内容,请联系站长删除,联系邮箱:site.kefu@qq.com。
相关推荐
南瑞继保RCS-921G断路器失灵保护及自动重合闸装置使用:[4]
阅读量:49
南瑞继保RCS-921A型断路器失灵保护及自动重合闸装置技:[2]
阅读量:95
南瑞继保RCS-921G断路器失灵保护及自动重合闸装置使用:[1]
阅读量:169
南瑞继保RCS-921G断路器失灵保护及自动重合闸装置使用:[5]
阅读量:192
南瑞继保RCS-921G断路器失灵保护及自动重合闸装置使用:[6]
阅读量:161
猜你喜欢
什么叫有机食品
提心吊胆是什么意思
不屈不挠的意思
手术后喝什么汤
口罩什么牌子好
藿香清胃胶囊的作用
死刑缓期两年执行是什么意思
crs是什么意思
什么是http
国破山河在城春草木深的意思
猜你喜欢
善始善终的意思
痔疮要注意什么
cis是什么意思
喝什么水最健康
uid是什么意思
梦见理发是什么意思
iphone7什么时候上市
purple是什么意思
什么叫市场营销
钱包什么颜色好