小度生活
首页
美食营养
手工爱好
生活家居
返回
小度生活
首页
美食营养
游戏数码
手工爱好
生活家居
健康养生
运动户外
职场理财
情感交际
母婴教育
时尚美容
知识问答
生活知识
搜索
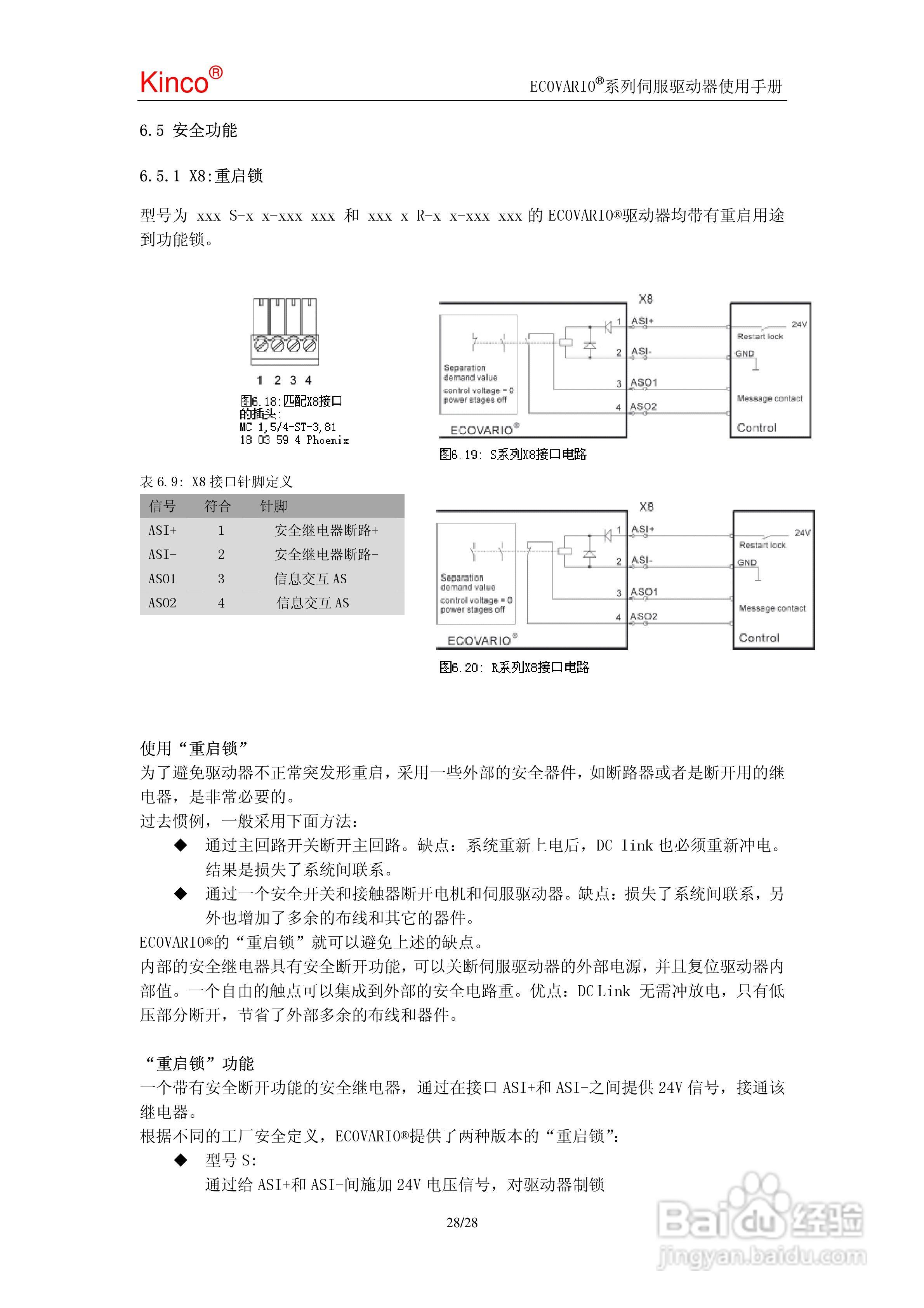
ECOVARIO系列驱动器使用手册:[3]
2026-01-22 00:29:50
本篇为《ECOVARIO系列驱动器使用手册》,主要介绍该产品的使用方法以及常见故障解决方案。
(共篇)
上一篇:
|
下一篇:
声明:
本网站引用、摘录或转载内容仅供网站访问者交流或参考,不代表本站立场,如存在版权或非法内容,请联系站长删除,联系邮箱:site.kefu@qq.com。
相关推荐
ECOVARIO系列驱动器使用手册:[1]
阅读量:109
PSDD系列伺服驱动器使用手册:[3]
阅读量:59
PSDD系列伺服驱动器使用手册:[1]
阅读量:95
PSDD系列伺服驱动器使用手册:[5]
阅读量:56
PSDD系列伺服驱动器使用手册:[2]
阅读量:44
猜你喜欢
有什么好吃的
清明节什么时候
欧盟是什么意思
什么是量词
hurt什么意思
脖子疼痛什么原因
月经少是什么原因
龋齿是什么意思
lg是什么牌子
什么东西去火
猜你喜欢
crazy是什么意思
什么是情态动词
四维空间是什么
梦见掉头发是什么征兆
台账是什么
戒指戴中指什么意思
dirty是什么意思
8月31日是什么星座
四大发明都有什么
感同身受是什么意思